Регулятор частоты вращения RSR-2002 1,5кВт предназначен для автоматического управления производственными машинами и механизмами во всех отраслях промышленного производства.
Диапазон регулирования частоты на выходе устройства, Гц | 0,5-99,9 |
Дискретность установки частоты, Гц | 0,1 |
Частота ШИМ регулятора, кГц | 4 |
Линейное напряжение на выходе, В | 0…220 |
Пределы регулирования мощности, % | 0…100 |
Диапазон, в котором возможно регулирование частоты с сохранением вращающего момента зависит от применяемого двигателя 1, Гц | |
| 0,5 … 50 |
| 0,5 … 28 |
Питание регулятора: | |
| 220 |
| 50 |
Возможность регулирования частоты в процессе вращения – кнопками или дистанционно, дискретность регулирования, Гц | 0,1…25 |
Номинальная мощность, кВт | 1,5 |
Мощность подключаемого двигателя | от 0 до номинальной мощности регулятора |
Вход – трехфазное напряжение для асинхронного двигателя переменного тока 220 В (стандартный двигатель, обмотки соединяются треугольником) | |
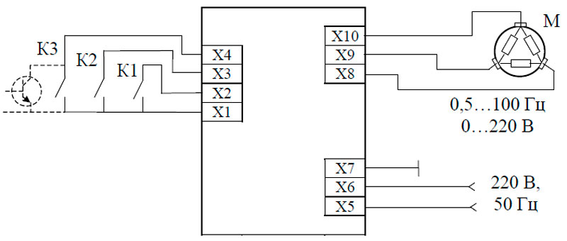
К1, К2 – включение частот f1…f3, К3 – переключение направления вращения (при переключении направления сначала выполняется торможение). В качестве ключа К1…К3 можно использовать выключатель, контакты реле, транзистор, транзисторный оптрон.
При срабатывании устройства защиты блока регулирования частоты причина выдается на индикатор:
Для возврата прибора в исходное состояние после срабатывания защиты нажмите кнопку Off (состояние Е3 не выключается до остывания блока регулирования частоты).
В процессе эксплуатации прибора не следует допускать замыкание выходов между собой или на заземление (зануление). Имеющееся в приборе устройство защиты от короткого замыкания предназначено для защиты регулятора от единичных случайных замыканий (например, пробой изоляции двигателя). Многократное или часто повторяющееся замыкание выходов может привести к повреждению прибора.
В течении первых 3 с после подачи питания на прибор выполняется плавный заряд емкости силового выпрямителя, цифровой индикатор мигает. Если прибор длительное время не переходит в состояние Off, значит имеется обрыв цепи заряда (резистор R62, диодный мост VD18, проводники) или напряжение питающей сети сильно занижено. Работа с прибором невозможна до устранения причины.

Схема подключения регулятора
ДОСТАВКА
Вы можете выбрать любой наиболее удобный способ из перечисленных ниже:
Доставка до терминала ТК «Деловые линии» осуществляется нами бесплатно.
ОПЛАТА
Мы принимаем оплату:
Цены на поставляемые нами товар всегда ниже, чем у наших конкурентов.
Условия гарантийного обслуживания
Гарантия не распространяется на ущерб, причиненный другому оборудованию, работающему вместе с данным изделием.
Центр измерительной техники «Эталонприбор» располагает своим собственным ремонтным сервисом, где Вы можете получить услуги по: ремонту, наладке, калибровке, гарантийному и послегарантийному обслуживанию измерительного оборудования, как приобретенного у нас, так и у других поставщиков. Сервис работает на основе лицензии, выданной Ростехрегулированием РФ.
