Назначение, принцип действия
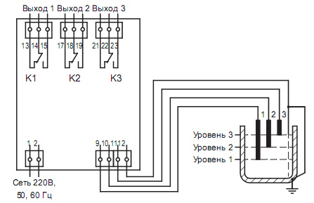
Датчик-реле уровня РОС 302 предназначен для сигнализации и подержания в заданных пределах трех уровней электропроводных жидкостей в одном или разных резервуарах.
Принцип действия датчика-реле РОС 302 основан на преобразовании изменения электрического сопротивления между электродом датчика и стенкой резервуара в электрический релейный сигнал. При погружении электрода датчика в контролируемую среду сопротивление уменьшается, срабатывает реле и загорается соответствующий светодиод. При отсутствии среды сопротивление увеличивается, происходит возврат реле, светодиод гаснет.
Датчик-реле состоит из передающего преобразователя (рисунок 1) и трех датчиков (рисунки 2, 3).
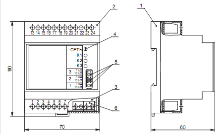
Передающий преобразователь (рисунок 1) состоит из основания 1, крышки 2, электронного блока 3. Электронный блок имеет светодиоды 4, клеммные колодки 6 для подключения внешних проводов или кабелей под винт.
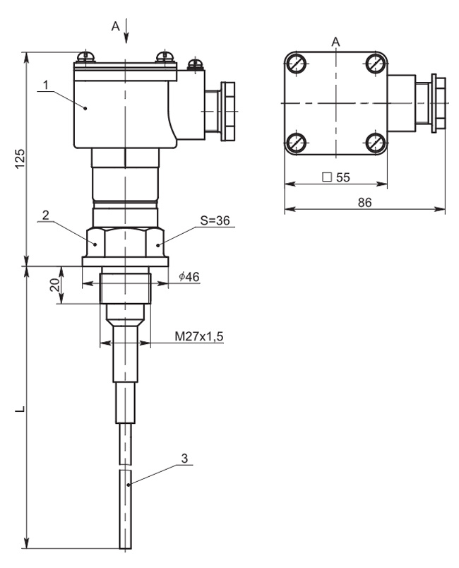
Датчик исполнений 1, 2, 6 (рисунок 2) состоит из корпуса (штуцера) 1, электрода с изолятором 2, колпачка 3, служащего для уплотнения провода, подключаемого к клемме электрода. Датчик исполнений 1Г, 2Г, 6Г имеет гибкий электрод 2, представляющий собой трос с грузом.
Датчик исполнения 7 (рисунок 3) состоит из корпуса 1, штуцера 2, электрода с изолятором 3. Внутри корпуса имеется клемма для подключения внешнего провода.
Основные технические характеристики
Степень защиты оболочек для датчиков – IP54, для передающих преобразователей – IP20 по ГОСТ 14254 – 96.
Материалы датчика | Параметры контролируемой среды | Исполнение датчика | ||||
Материал электрода, погружаемого в контролируемую среду | Материал изолятора | Рабочее избыточное давление, Pраб, МПа, до | Температура, °С, не выше | Удельная электрическая проводимость, См/м, не менее | Стержневой | Гибкий (тросовый) |
Сталь 12Х18Н10Т ГОСТ 5632-72 | Фторопласт 40ЛД | 1,6 | 150 | 0,015 | 1 | 1Г |
Полиэтилен ГОСТ 16388-85 | 2,5 | 80 | 2 | 2Г | ||
Фторопласт 4 | 2,5 | 250 | 6 | 6Г | ||
6,3 | 250 | 7 | - | |||
Примечания
Длина электрода, L – 0,1; 0,25; 0,6; 1,0; 1,6; 2,0 м.
При необходимости потребитель может уменьшить или увеличить длину электрода датчика до требуемой по условиям работы, но не более 5 м. При этом удлиняющий стержень может иметь сечение любой формы площадью не менее площади сечения основного электрода из материала, стойкого к контролируемой среде и допускающего контактную пару, не создающую коррозии со сталью 12Х18Н10Т ГОСТ 5632-72. Необходимая длина L может быть выполненана заводе-изготовителе по заказу потребителя.
Датчики исполнения 1Г, 2Г, 6Г выпускаются с длиной от 1 до 20 м по заказу потребителя.
Выходной сигнал | релейный, нагрузка на контакты выходного реле ток 7 А, частотой 50, 60 Гц, напряжение до 250 В переменного тока и до 30 В постоянного тока |
Напряжение питания | 220 +10%/-15% В, частота 50 ГЦ ± 2% или 60 Гц ± 2% для исполнения ОМ |
Потребляемая мощность | не более 12 В . А на три точки контроля |
Масса | датчика – от 0,1 до 2,5 кг; преобразователя передающего – не более 0,25 кг |
Напряжение на электродах | не более 6 В переменного тока |
Климатические факторы внешней среды для РОС 302
Климатическое исполнение | Категория размещения | Температура окружающего воздуха при эксплуатации, °С | |
Нижнее значение | Верхнее значение | ||
Передающий преобразователь | |||
УХЛ | 4 | +1 | +35 |
Датчик | |||
УХЛ | 2 | -50 | +70 |
Пример записи при заказе
Датчик- реле уровня
![]()
1 – исполнение датчика;
2 – длины электродов.
Комплект ЗИП и КМЧ
Комплект ЗИП не поставляется.
Схема электрическая подключения датчика-реле РОС 302

Преобразователь передающий

Габаритные и установочные размеры датчиков исполнения 7

Габаритные и установочные размеры датчиков

Комплект поставки
В комплект поставки входят:
| передающий преобразователь | 1 шт. |
| датчик | 3 шт. |
| руководство по эксплуатации | 1 экз. |
ДОСТАВКА
Вы можете выбрать любой наиболее удобный способ из перечисленных ниже:
Доставка до терминала ТК «Деловые линии» осуществляется нами бесплатно.
ОПЛАТА
Мы принимаем оплату:
Цены на поставляемые нами товар всегда ниже, чем у наших конкурентов.
Условия гарантийного обслуживания
Гарантия не распространяется на ущерб, причиненный другому оборудованию, работающему вместе с данным изделием.
Центр измерительной техники «Эталонприбор» располагает своим собственным ремонтным сервисом, где Вы можете получить услуги по: ремонту, наладке, калибровке, гарантийному и послегарантийному обслуживанию измерительного оборудования, как приобретенного у нас, так и у других поставщиков. Сервис работает на основе лицензии, выданной Ростехрегулированием РФ.
