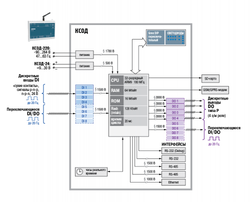
ОВЕН КСОД – контроллер многофункциональный сбора и передачи данных предназначен для считывания данных коммерческого и/или технического учёта со счётчиков по последовательным интерфейсам и передачи полученной информации на верхний уровень по каналам GPRS и Ethernet. Имеет сертификат средства измерения.

Конструктивное исполнение (Ш×В×Г) | Унифицированный корпус для крепления на DIN-рейку (157×129,5×34 мм) | |
Степень защиты корпуса | IP20 со стороны передней панели, IP00 со стороны клемм | |
| Напряжение питания: | ||
- КСОД-220 | ~90…264 В (номинальное значение 110/230 В) частотой 47…63 Гц | |
| - КСОД-24 | =9…30 В (номинальное значение 24 В) | |
| Потребляемая мощность, не более: | ||
- КСОД-220 | 15 ВА | |
| - КСОД-24 | 20 Вт | |
Индикация передней панели | Светодиодная индикация питания, состояния входов/выходов, состояния приема/передачи Ethernet, последовательных портов и GSM | |
Центральный процессор | 32-разрядный RISC-процессор 180 МГц на базе ядра ARM9 (Atmel AT91RM9200) | |
Объем оперативной памяти | 64 МБ (SDRAM) | |
Объем энергонезависимой | 16 МБ (NOR Flash) | |
Объем энергонезависимой памяти (Retain) | 4 Кбайт (MRAM) | |
Количество дискретных входов | 4 | |
Гальваническая изоляция дискретных входов | групповая | |
Максимальная частота сигнала, подаваемого на дискретный вход, Гц | 20 | |
Количество дискретных входов | 4 | |
Гальваническая изоляция дискретных входов | групповая | |
Максимальная частота сигнала, подаваемого на дискретный вход, Гц | 20 | |
* - режим работы входа/выхода выбирается DIP-переключателем на корпусе ПЛК.
Количество и тип дискретных выходов | 4, реле |
| Максимальное напряжение, коммутируемое контактами релейного выхода: | |
- переменного тока | 270 В |
| - постоянного тока | 30 В |
Максимальный ток, коммутируемый контактами релейного выхода: | |
нормально-замкнутым контактом | 3 А (~250 В, категория используемой нагрузки АС-15) 3 (=30 В, категория используемой нагрузки DC-13) |
нормально-разомкнутым контактом | 10 А (~250 В, категория используемой нагрузки АС-15) 5 А (=30 В, категория используемой нагрузки DC-13) |
Гальваническая развязка дискретных выходов | Индивидуальная |
Ethernet | 1 | |
RS-232 | 1 | |
RS-485 (для ПЛК323-хх.01.хх, с гальванической развязкой) | 2 | |
GSM/GPRS* | 1, Класс 10 | |
Слот для карты памяти (MicroSD/MicroSDHC) | 1 | |
* - Антенна в комлект поставки не входит.
ДОСТАВКА
Вы можете выбрать любой наиболее удобный способ из перечисленных ниже:
Доставка до терминала ТК «Деловые линии» осуществляется нами бесплатно.
ОПЛАТА
Мы принимаем оплату:
Цены на поставляемые нами товар всегда ниже, чем у наших конкурентов.
Условия гарантийного обслуживания
Гарантия не распространяется на ущерб, причиненный другому оборудованию, работающему вместе с данным изделием.
Центр измерительной техники «Эталонприбор» располагает своим собственным ремонтным сервисом, где Вы можете получить услуги по: ремонту, наладке, калибровке, гарантийному и послегарантийному обслуживанию измерительного оборудования, как приобретенного у нас, так и у других поставщиков. Сервис работает на основе лицензии, выданной Ростехрегулированием РФ.
