по РФ бесплатно
пн-пт 9:00-18:00
пн-пт 9:00-18:00
по РФ бесплатно
Ваш город
Нет
Да
КОНТАКТНАЯ ИНФОРМАЦИЯ
Телефоны:8 (800) 777-30-09 (по РФ бесплатно), 8 (495) 748-30-09, 748-30-60, 664-28-44.
Адрес:141006, Московская обл., г. Мытищи, Олимпийский пр-т, д. 29, стр. 2, офис 43/1.
УВАЖАЕМЫЕ КЛИЕНТЫ!
Цены на сайте могут отличаться, просьба уточнять конечную стоимость у наших менеджеров!
TMM-540


ПЛК110-220.30-ТЛ

Цена:
48 300
Общая стоимость 0 руб.
В корзину
Купить в 1 клик
Нашли дешевле?
Снизим цену!
В избранное
Стоимость доставки от 800 ₽ (уточнять у менеджера)
Срок доставки: 2 - 10 дней при наличии товара на складе
Бесплатная доставка от 50000₽
Безналичный расчет для юридических лиц
Самовывоз со склада компании ЭТАЛОНПРИБОР
Более 350 брендов
Самые лучшие
цены
Техническая
документация
Быстрая доставка
по России
Сервисный
центр
  • Описание
  • Доставка и оплата
  • Гарантия и возврат
  • Отзывы
  • Сервис
Описание

ОВЕН ПЛК110-30-ТЛ [М02] – программируемый моноблочный контроллер с дискретными входами/выходами на борту для автоматизации средних систем с возможностью программирования из SCADA-системы ОВЕН Телемеханика ЛАЙТ.

Предназначен для построения систем автоматизации среднего уровня и распределенных систем управления.

  • Построение систем телемеханики и АСУ ТП электрических подстанций (35/6(10)/0,4 кВ).
  • Построение систем телемеханики и АСУ ТП железнодорожного транспорта.
  • Создание распределенных систем противоаварийной автоматики и контроля электроснабжения.
  • Построение систем электроснабжения предприятий.
  • Системы мониторинга работы оборудования.
  • Системы управления освещением.

Отличительные особенности

  • Программируется из SCADA-системы ОВЕН Телемеханика ЛАЙТ.
  • Объединение в один проект большого количества контроллеров.
  • Готовая библиотека устройств ОВЕН, позволяющая быстро конфигурировать проекты.
  • Встроенные поддерживаемые протоколы опроса специализированных устройств, используемых в системах телемеханики в энергетике.
  • Алгоритмы циклической, спорадической передачи данных, настройка апертуры измерений.
  • Может иметь любое число направлений отдачи (количество пунктов управления) и настраиваемые объемы данных телеметрии и прав доступа.
  • Возможность реализации локальных алгоритмов в контроллере (FBD, ST (Pascal, C)).

Преимущества контроллера ОВЕН ПЛК110-30-ТЛ [М02]

  • Представляет собой стандартный КП (контролируемый пункт) телемеханики. Набор и адреса передаваемых параметров можно настраивать произвольно.
  • Сбор со счетчиков текущих (показания, измерения) и архивных (энергия, профили мощности) данных, журналов событий счетчиков для передачи на любой верхний уровень.
  • Три уровня доступа: чтение данных, конфигурирование, администрирование.
  • Возможность совместного использования с модемом ОВЕН ПМ01 по GPRS в статической и динамической сети («серый» IP-адрес, установка соединения снизу от контроллера на сервер).
  • Прозрачный канал доступа по протоколу TCP/IP, в том числе в режиме GPRS.
  • Расчет внутри контроллера параметров по алгоритмам пользователя и телесигнализация выхода за уставки по протоколу МЭК 60870-5-104.
  • Обработка внутри контроллера мгновенных значений мощности по группам и выдача командного сигнала на отключение.
  • Ведение архива на USB-носителе.

Функциональная схема

Функциональная схема ОВЕН ПЛК110-30-ТЛ [М02]

Основные технические характеристики

Параметр

Значение

Питание

Напряжение питания:

ПЛК110-24.30-ТЛ [М02]

от 9 до 30 В постоянного тока при Т > минус 20 °С,

от 9 до 26 В постоянного тока при минус 40 °С > Т > минус 20 °С (номинальное 12 или 24 В)

ПЛК110-220.30-ТЛ [М02]от 90 до 264 В переменного тока либо постоянного тока (номинальное 120/230 В)
Потребляемая мощность, не более:

ПЛК110-24.30-ТЛ [М02]

28 Вт

ПЛК110-220.30-ТЛ [М02]41 ВА
Параметры встроенного источника питания:

ПЛК110-24.30-ТЛ [М02]

Выходное напряжение равно входному напряжению на клеммах питания ПЛК, ток не более 630 мА;

ПЛК110-220.30-ТЛ [М02]Выходное напряжение 24 В±4 %, ток не более 400 мА

Цифровые (дискретные) входы

Количество входов

18

Тип входов по ГОСТ Р 51841–2001

1

Напряжение «логического нуля»

-3…5 В

Максимальный ток «логического нуля»

2 мА

Напряжение «логической единицы»

15…30 В

Максимальный ток «логической единицы»

9 мА (при 30 В)

Минимальная длительность импульса, воспринимаемого дискретным входом:

1,6 мс (меандр)

Подключаемые входные устройства

– коммутационные устройства (контакты кнопок, выключателей, герконов, реле и т.п.)

– трехпроводные датчики, имеющие на выходе транзистор n-p-n- или pnp-типа с открытым коллектором

– дискретные сигналы с напряжением от минус 3 до 30 В

Дискретные выходы (контакты электромагнитных реле)

Количество релейных выходных каналов

12

Максимальный ток, коммутируемый контактами реле, не более

3 А

Время переключения контактов реле из состояния «лог. 0» в «лог. 1» и обратно, не более

10 мс (выходы DО1…DО12)

Суммарный максимальный ток нагрузки группы реле:
COM1-COM23 А
COM33 А
COM43 А
COM512 А
COM612 А
COM7-COM10-

Механический ресурс реле

– не менее 300 000 циклов переключений при максимальной коммутируемой нагрузке

– не менее 500 000 циклов переключений при коммутации нагрузки менее половины от максимальной

Интерфейсы связи, количество

RS-485

2

RS-232

1

RS-232-Debug

1

Ethernet 100 Base-T

1

Схемы подключения

Расположение контактов для подключения внешних цепей ПЛК110-30-ТЛ [М02]

Схема расположения и назначение клемм на ПЛК110-24.30-ТЛ [М02]Схема расположения и назначение клемм на ПЛК110-24.30-ТЛ [М02]. Схема для ПЛК110-220.30-ТЛ [М02] – аналогична

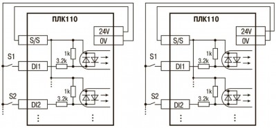
Подключение входных устройств и схемы входных элементов контроллера ПЛК110-30-ТЛ [М02]

Схема подключения контактных датчиков (Sl-Sn) к входам ПЛК-110-30-ТЛ [М02]
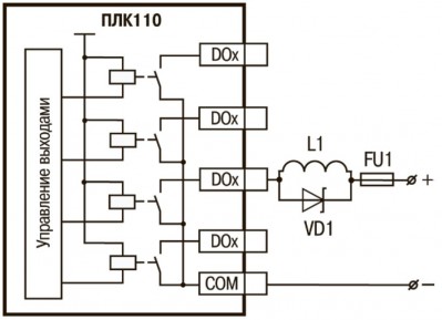
Выходные элементы типа Р контроллера с внешними цепями защиты при активной нагрузке, Rн – пользовательская нагрузка (двигатель, нагреватель, контактор и т.д.)
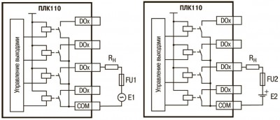
Подключение цепей защиты при реактивной нагрузке

Кабели

Наименование

Изображение

Комментарии

Длина, м

КС14

Кабель КС14

Применяется для прошивки и программирования контроллера ПЛК-110-30-ТЛ [М02] (порт RS-232 DEBUG).

1,8

КС16

Кабель КС16

Применяется для связи контроллера ПЛК-110-30-ТЛ [М02] (порты RS-232 DEBUG и RS-232) c панелями оператора ИП320 (порт RS-232), СП270, СП307, СП310 (порт PLC, RS-232).

1,5

2,5

КС17

Кабель КС17

Применяется для связи контроллера ПЛК-110-30-ТЛ [М02] (порты RS-232 DEBUG и RS-232) и модема ПМ01[М01].

Комплект поставки

  • Прибор ПЛК110-30-ТЛ [М02]
  • Кабель для программирования КС14
  • Руководство по эксплуатации
  • Паспорт/гарантийный талон
Развернуть полное описание
Доставка и оплата

ДОСТАВКА

Вы можете выбрать любой наиболее удобный способ из перечисленных ниже:

  • Самовывоз со склада компании ЭТАЛОНПРИБОР
  • Доставка через транспортную компанию "Деловые линии"
  • Доставка экспресс - почтой "ПОНИ-ЭКСПРЕСС" до двери
  • Доставка по Москве и области нашими экспедиторами и курьерами
  • Доставка через транспортную компанию "ПЭК"
  • Отправка посылкой с помощью Почты России
  • Доставка через транспортную компанию покупателя

Доставка до терминала ТК «Деловые линии» осуществляется нами бесплатно.

ОПЛАТА

Мы принимаем оплату:

  • по безналичному расчету
  • перечислением денежных средств на расчетный счет для юридических лиц
  • банковским переводом для физических.

Цены на поставляемые нами товар всегда ниже, чем у наших конкурентов.

Гарантия и возврат

Условия гарантийного обслуживания

  1. Гарантия действительна только при наличии гарантийного талона с указанием заводского номера изделия, гарантийного срока и печати поставщика.
  2. Гарантия предусматривает бесплатный ремонт изделия или замену запасных частей, комплектующих в течении гарантийного срока, указанного в гарантийном талоне.
  3. Заводской номер и наименование изделия должны соответствовать указанным в гарантийном талоне.
  4. Изделие снимается с гарантийного обслуживания в следующих случаях:
    1. Нарушения условий эксплуатации, изложенных в технической документации изделия, которые привели к выходу изделия из строя, включая неисправности, вызванные использованием нештатных аксессуаров;
    2. Нарушения гарантийных пломб, в случае наличия следов вскрытия или взлома корпуса изделия;
    3. Ремонта в неуполномоченном сервисном центре или самостоятельно (кроме элементов и источников питания, замена которых предусмотрена производителем);
    4. Использования изделия не по назначению;
    5. Нарушения правил хранения и транспортирования;
    6. Наличия внешних механических повреждений, включая повреждения разъёмов и контактов;
    7. Наличия внешних повреждений, вызванных стихией, пожаром, молнией, высоким напряжением;
    8. Попадания внутрь влаги, инородных предметов и т.п.
    9. Неправильном включении в сеть.
  5. Гарантия не распространяется на расходные материалы и прочие детали, имеющие ограниченный срок службы: элементы питания (в т.ч. аккумуляторы), имеющие ограниченную прочность.
  6. Недополученная в связи с появлением неисправности прибыль и другие косвенные расходы не подлежат возмещению.

Гарантия не распространяется на ущерб, причиненный другому оборудованию, работающему вместе с данным изделием.

Отзывы
Отзывы о товаре ПЛК110-220.30-ТЛ
Сервис

Центр измерительной техники «Эталонприбор» располагает своим собственным ремонтным сервисом, где Вы можете получить услуги по: ремонту, наладке, калибровке, гарантийному и послегарантийному обслуживанию измерительного оборудования, как приобретенного у нас, так и у других поставщиков. Сервис работает на основе лицензии, выданной Ростехрегулированием РФ.

 
Подробнее
 
Сервисное обслуживание
Простой обмен и возврат
Поможем решить любую проблему с товаром
Собственный сервисный центр
Устраним любую неисправность по гарантии. Срок указан без учета логистики
Сервисы по всей России
Обращайтесь за обслуживанием в авторизованные сервисы производителя
Похожие товары
 
Полезные статьи
При выборе манометра необходимо учитывать ряд важных факторов, чтобы прибор подходил для конкретной системы.
Уровень влажности в помещении играет важную роль в формировании оптимальных условий для комфортного пребывания. Для определения этого параметра используются устройства, называемые гигрометрами. В этой статье мы расскажем, как выбрать подходящее оборудование такого типа для различных объектов.
Осциллограф — это прибор для наблюдения, измерения, записи и анализа амплитудных и временных характеристик электрического сигнала. Подаваемый на вход устройства, он отображается либо на экране, либо фиксируется на фотоленте для последующего изучения.
Если вы задумались о приобретении мультиметра, важно заранее ознакомиться с рядом полезных рекомендаций, которые помогут сделать правильный выбор. Мы подготовили небольшую статью, которая, надеемся, окажется полезной.
Цифровой тахометр — это прибор, предназначенный для измерения частоты вращения различных объектов, таких как валы, двигатели и роторы. В отличие от аналоговых моделей, цифровые тахометры обеспечивают высокую точность измерений и удобство использования благодаря современным технологиям и информативному дисплею. Они широко используются в самых разных отраслях: от автомобильного сервиса и промышленности до научных исследований и контроля вентиляционных систем.
Мегаомметр – это специализированный прибор, предназначенный для измерения сопротивления изоляции электрических цепей и оборудования. В условиях современного мира, где электричество играет ключевую роль во всех сферах жизни, обеспечение безопасности и надежности электрических систем становится особенно важным. От качества изоляции проводников и оборудования зависит не только эффективность их работы, но и безопасность людей и объектов, которые они обслуживают.
Измерительные приборы играют ключевую роль в различных отраслях, начиная от промышленности и строительства, заканчивая медициной и научными исследованиями. Правильная эксплуатация и уход за этими приборами являются залогом точных измерений и долговечности оборудования.
Осциллографы играют ключевую роль в современных лабораториях и на производственных предприятиях, являясь незаменимым инструментом для анализа и визуализации электрических сигналов. Независимо от того, являетесь ли вы инженером-электронщиком, студентом технического вуза или энтузиастом электроники, понимание принципов работы осциллографов, их видов и характеристик, а также правил эксплуатации и ухода за ними, имеет первостепенное значение.
Амперметр предназначен для измерения величины тока в электрических цепях, выраженной в амперах. В основе его работы лежит простой принцип: инструмент позволяет наглядно увидеть мощность тока, потребляемого устройствами, подключенными к сети. Обычно амперметр подключают в цепь с нагрузкой, поэтому ток, протекающий через него, идентичен току, проходящему через любой другой элемент цепи, будь то нагреватель, мотор или лампочка.
На этапах возведения, отделки и монтажа различных сооружений большую роль играют точность разметки и идеальное выравнивание. Достижение профессиональных стандартов качества возможно при использовании лазерного нивелира. Для выбора подходящей модели целесообразно ознакомиться с механизмом работы этих устройств.
Новинки
Недавно просмотренные