по РФ бесплатно
пн-пт 9:00-18:00
пн-пт 9:00-18:00
по РФ бесплатно
Ваш город
Нет
Да
КОНТАКТНАЯ ИНФОРМАЦИЯ
Телефоны:8 (800) 777-30-09 (по РФ бесплатно), 8 (495) 748-30-09, 748-30-60, 664-28-44.
Адрес:141006, Московская обл., г. Мытищи, Олимпийский пр-т, д. 29, стр. 2, офис 43/1.
УВАЖАЕМЫЕ КЛИЕНТЫ!
Цены на сайте могут отличаться, просьба уточнять конечную стоимость у наших менеджеров!
TMM-540


ТРМ1033-220.01.00

Цена:
20 069
Общая стоимость 0 руб.
В корзину
Купить в 1 клик
Нашли дешевле?
Снизим цену!
В избранное
Стоимость доставки от 800 ₽ (уточнять у менеджера)
Срок доставки: 2 - 10 дней при наличии товара на складе
Бесплатная доставка от 50000₽
Безналичный расчет для юридических лиц
Самовывоз со склада компании ЭТАЛОНПРИБОР
Более 350 брендов
Самые лучшие
цены
Техническая
документация
Быстрая доставка
по России
Сервисный
центр
  • Описание
  • Доставка и оплата
  • Гарантия и возврат
  • Отзывы
  • Сервис
Описание

ТРМ1033 – это специализированный контроллер с готовыми алгоритмами для автоматизации приточной вентиляции. Контроллер позволяет управлять стандартными узлами вентиляции для достижения максимально комфортной температуры приточного воздуха для помещений:

  • Приточная вентиляция с водяным калорифером нагрева
  • Приточная вентиляция с электрическим нагревом. (до 3-х ступеней)
  • Приточная вентиляция с водяным нагревом и водяным охлаждением
  • Приточная вентиляция с водяным нагревом и фреоновым охлаждением
  • Приточная вентиляция с электрическим нагревом и фреоновым охлаждением

Количество готовых алгоритмов и возможность управления узлами вентиляции (например, увлажнитель, резервный вентилятор, рециркуляция и т.д.) будет увеличиваться.

ТРМ33

ТРМ133М

ТРМ133М

Регулятор ТРМ1033

ТРМ1033

Приточные системы

Приточно-вытяжные системы

Водяной калорифер

Электрический калорифер

Водяной охладитель

Фреоновый охладитель

Каскадное регулирование температуры в помещении

Управление воздушной заслонкой

Дискретное

Дискретное

Дискретное/Аналоговое

Управление клапаном

Импульсное

Импульсное/0…10 В/4…20 мА

Импульсное/0…10 В

Аналоговое управление ступенью нагрева

Питание прибора, В

220

220

220/24

Датчик температуры

Pt50/Pt100

Pt100/Pt1000/Ni1000

Pt100/Pt1000/Ni1000/NTC10k

Журнал аварий

Ручное управление

Работа по расписанию

Функциональные возможности регулятора ТРМ1033

  • Поддержание температуры приточного воздуха.
  • Защита технологического оборудования : водяного и электрического калорифера, насоса контура водяного калорифера, компрессорно-конденсаторного блока.
  • Контроль обратной воды.
  • Обогрев воздушного клапана с помощью ТЭНа или периметрального кабеля.
  • Контроль по перепаду давления на вентиляторе.
  • Работа с датчиками Pt100, Pt1000, Ni1000, NTC10k.
  • Контроль засоренности фильтра.
  • Управление насосом в контуре водяного калорифера.
  • Работа по протоколу Modbus, через интерфейс RS-485.

Особенности работы

  • Мягкий пуск

    Предотвращает резкое закрытие регулирующего клапана по воде после прогрева с целью защиты теплообменника от замерзания (плавный выход на уставку после прогрева).

  • Каскадное регулирование температуры приточного воздуха

    Для достижения максимально комфортной температуры помещения применяется каскадное регулирование. Температура приточного воздуха корректируется по требуемому значению температуры в помещении.

  • Тестовый режим работы

    Режим работы позволяет проверить работоспособность отдельных узлов управления вентиляционной установки в ручном режиме с панели контроллера.

  • Журнал аварий с квитированием по времени

    Контроллер фиксирует все аварийные ситуации, возникающие в процессе работы. Помимо текущих аварий, дополнительно аварии архивируются с записью о квитировании. Объем архива рассчитан на 24 записи.

  • Недельный таймер работы

    Контроллер может в автоматическом режиме управлять отключением или запуском вентиляционной установки по дням недели.

  • Режим работы Зима/Лето

    Изменение сезона осуществляется в автоматическом режиме, тем самым определяется, какой режим работы требуется: Зима (отключение охлаждения) / Лето (отключение нагревателя и циркуляционного насоса).

Основные технические характеристики

Параметр

Значение

ТРМ1033-220.х.х

ТРМ1033-24.х.х

Диапазон напряжения питания, В

94…264 (номинальное 120…230 В при частоте 47…63 Гц)

19…30 (номинальное 24 В)

Гальваническая развязка

есть

Электрическая прочность изоляции, В

2830 (между входом питания и другими цепями)

1780 (между входом питания и другими цепями)

Потребляемая мощность, не более

17 ВА

10 Вт

Встроенный источник питания

есть

-

Выходное напряжение встроенного источника питания постоянного тока, В

24 ± 3

-

Ток нагрузки встроенного источника питания, мА, не более

100

-

Электрическая прочность изоляции (между выходом питания и другими цепями), В

1780

-

Сетевые возможности

Интерфейс связи

RS-485

Протокол связи

Modbus-RTU, Modbus-ASCII

Режим работы

Slave

Скорость передачи данных, бит/сек

9600, 14400, 19200, 38400, 57600, 115200

Конструкция

Тип корпуса

Для крепления на DIN-рейку (35 мм)

Габаритные размеры, мм

123×90×58

Степень защиты корпуса по ГОСТ 14254-96

IP20

Масса контроллера, кг, не более (для всех вариантов исполнений)

0,6

Средний срок службы, лет

8

Дискретные входы

Количество входов

8

Номинальное напряжение питания, В

230 (переменный ток)

24 (постоянный ток)

Максимально допустимое напряжение питания, В

264 (переменный ток)

30 (постоянный ток)

Тип подключаемого датчика

Механические коммутационные устройства

(реле, контакты кнопок и выключателей)

Ток «логической единицы», мА

0,7…1,45

2…4

Ток «логического нуля», мА

0…0,5

0…0,5

Уровень сигнала, соответствующий «логической единице», В

159…264

15…30

Минимальная длительность импульса, воспринимаемая дискретным входом, мс

50

2

Максимальное время реакции контроллера (изменения значения ВЭ связанного с дискретным входом), мс

100

30

Гальваническая развязка

Групповая, по 4 входа (1–4 и 5–8)

Электрическая прочность изоляции, В

1780 между группами входов

2830 между другими цепями контроллера

Аналоговые входы

Количество

4

Тип датчика

Pt100, Pt1000, NTC10k

Предел основной приведенной погрешности, %

±0,5

Период обновления результатов измерения четырех каналов, мс, не более

10

Гальваническая развязка

Отсутствует

Дискретные выходы

Количество выходных устройств

8

Тип выходного устройства

Дискретный, релейные (нормально-разомкнутые контакты)

Гальваническая развязка

Индивидуальная

Электрическая прочность изоляции, В

2830

Внешняя нагрузка не менее, кОм2
Коммутируемое напряжение в нагрузке, В, не более

– для цепи постоянного тока

30 (резистивная нагрузка)

– для цепи переменного тока250 (резистивная нагрузка)

Допустимый ток нагрузки, не более

5 А

3 А

Допустимый ток нагрузки, мА, не менее

10 (при 5 В постоянного тока)

Механический ресурс реле, циклов, не менее

10 000 000

Аналоговые выходы

Количество выходных устройств

2

Тип выходного устройства

ЦАП 0…10 В

Внешняя нагрузка не более, кОм

1

Гальваническая развязка

Индивидуальная

Электрическая прочность изоляции, В

2830

Индикация и элементы управления

Тип дисплея

Текстовый монохромный ЖКИ с подсветкой, 2×16 символов

Дискретные индикаторы

Два светодиодных индикатора (красный и зеленый)

Количество механических кнопок

6

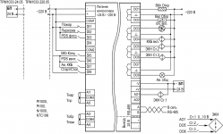
Функциональная схема

Функциональная схема ТРМ1033

Схемы подключения

Алгоритм 1
Алгоритм 2
Алгоритм 3
Алгоритм 4
Алгоритм 5

Комплект поставки

  • Паспорт
  • Краткое руководство по эксплуатации
  • Гарантийный талон
  • Комплект клеммных соединителей
Развернуть полное описание
Доставка и оплата

ДОСТАВКА

Вы можете выбрать любой наиболее удобный способ из перечисленных ниже:

  • Самовывоз со склада компании ЭТАЛОНПРИБОР
  • Доставка через транспортную компанию "Деловые линии"
  • Доставка экспресс - почтой "ПОНИ-ЭКСПРЕСС" до двери
  • Доставка по Москве и области нашими экспедиторами и курьерами
  • Доставка через транспортную компанию "ПЭК"
  • Отправка посылкой с помощью Почты России
  • Доставка через транспортную компанию покупателя

Доставка до терминала ТК «Деловые линии» осуществляется нами бесплатно.

ОПЛАТА

Мы принимаем оплату:

  • по безналичному расчету
  • перечислением денежных средств на расчетный счет для юридических лиц
  • банковским переводом для физических.

Цены на поставляемые нами товар всегда ниже, чем у наших конкурентов.

Гарантия и возврат

Условия гарантийного обслуживания

  1. Гарантия действительна только при наличии гарантийного талона с указанием заводского номера изделия, гарантийного срока и печати поставщика.
  2. Гарантия предусматривает бесплатный ремонт изделия или замену запасных частей, комплектующих в течении гарантийного срока, указанного в гарантийном талоне.
  3. Заводской номер и наименование изделия должны соответствовать указанным в гарантийном талоне.
  4. Изделие снимается с гарантийного обслуживания в следующих случаях:
    1. Нарушения условий эксплуатации, изложенных в технической документации изделия, которые привели к выходу изделия из строя, включая неисправности, вызванные использованием нештатных аксессуаров;
    2. Нарушения гарантийных пломб, в случае наличия следов вскрытия или взлома корпуса изделия;
    3. Ремонта в неуполномоченном сервисном центре или самостоятельно (кроме элементов и источников питания, замена которых предусмотрена производителем);
    4. Использования изделия не по назначению;
    5. Нарушения правил хранения и транспортирования;
    6. Наличия внешних механических повреждений, включая повреждения разъёмов и контактов;
    7. Наличия внешних повреждений, вызванных стихией, пожаром, молнией, высоким напряжением;
    8. Попадания внутрь влаги, инородных предметов и т.п.
    9. Неправильном включении в сеть.
  5. Гарантия не распространяется на расходные материалы и прочие детали, имеющие ограниченный срок службы: элементы питания (в т.ч. аккумуляторы), имеющие ограниченную прочность.
  6. Недополученная в связи с появлением неисправности прибыль и другие косвенные расходы не подлежат возмещению.

Гарантия не распространяется на ущерб, причиненный другому оборудованию, работающему вместе с данным изделием.

Отзывы
Отзывы о товаре ТРМ1033-220.01.00
Сервис

Центр измерительной техники «Эталонприбор» располагает своим собственным ремонтным сервисом, где Вы можете получить услуги по: ремонту, наладке, калибровке, гарантийному и послегарантийному обслуживанию измерительного оборудования, как приобретенного у нас, так и у других поставщиков. Сервис работает на основе лицензии, выданной Ростехрегулированием РФ.

 
Подробнее
 
Сервисное обслуживание
Простой обмен и возврат
Поможем решить любую проблему с товаром
Собственный сервисный центр
Устраним любую неисправность по гарантии. Срок указан без учета логистики
Сервисы по всей России
Обращайтесь за обслуживанием в авторизованные сервисы производителя
Похожие товары
 
Полезные статьи
При выборе манометра необходимо учитывать ряд важных факторов, чтобы прибор подходил для конкретной системы.
Уровень влажности в помещении играет важную роль в формировании оптимальных условий для комфортного пребывания. Для определения этого параметра используются устройства, называемые гигрометрами. В этой статье мы расскажем, как выбрать подходящее оборудование такого типа для различных объектов.
Осциллограф — это прибор для наблюдения, измерения, записи и анализа амплитудных и временных характеристик электрического сигнала. Подаваемый на вход устройства, он отображается либо на экране, либо фиксируется на фотоленте для последующего изучения.
Если вы задумались о приобретении мультиметра, важно заранее ознакомиться с рядом полезных рекомендаций, которые помогут сделать правильный выбор. Мы подготовили небольшую статью, которая, надеемся, окажется полезной.
Цифровой тахометр — это прибор, предназначенный для измерения частоты вращения различных объектов, таких как валы, двигатели и роторы. В отличие от аналоговых моделей, цифровые тахометры обеспечивают высокую точность измерений и удобство использования благодаря современным технологиям и информативному дисплею. Они широко используются в самых разных отраслях: от автомобильного сервиса и промышленности до научных исследований и контроля вентиляционных систем.
Мегаомметр – это специализированный прибор, предназначенный для измерения сопротивления изоляции электрических цепей и оборудования. В условиях современного мира, где электричество играет ключевую роль во всех сферах жизни, обеспечение безопасности и надежности электрических систем становится особенно важным. От качества изоляции проводников и оборудования зависит не только эффективность их работы, но и безопасность людей и объектов, которые они обслуживают.
Измерительные приборы играют ключевую роль в различных отраслях, начиная от промышленности и строительства, заканчивая медициной и научными исследованиями. Правильная эксплуатация и уход за этими приборами являются залогом точных измерений и долговечности оборудования.
Осциллографы играют ключевую роль в современных лабораториях и на производственных предприятиях, являясь незаменимым инструментом для анализа и визуализации электрических сигналов. Независимо от того, являетесь ли вы инженером-электронщиком, студентом технического вуза или энтузиастом электроники, понимание принципов работы осциллографов, их видов и характеристик, а также правил эксплуатации и ухода за ними, имеет первостепенное значение.
Амперметр предназначен для измерения величины тока в электрических цепях, выраженной в амперах. В основе его работы лежит простой принцип: инструмент позволяет наглядно увидеть мощность тока, потребляемого устройствами, подключенными к сети. Обычно амперметр подключают в цепь с нагрузкой, поэтому ток, протекающий через него, идентичен току, проходящему через любой другой элемент цепи, будь то нагреватель, мотор или лампочка.
На этапах возведения, отделки и монтажа различных сооружений большую роль играют точность разметки и идеальное выравнивание. Достижение профессиональных стандартов качества возможно при использовании лазерного нивелира. Для выбора подходящей модели целесообразно ознакомиться с механизмом работы этих устройств.
Новинки
Недавно просмотренные