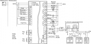
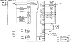
ТРМ1033 – это специализированный контроллер с готовыми алгоритмами для автоматизации приточной вентиляции. Контроллер позволяет управлять стандартными узлами вентиляции для достижения максимально комфортной температуры приточного воздуха для помещений:
Количество готовых алгоритмов и возможность управления узлами вентиляции (например, увлажнитель, резервный вентилятор, рециркуляция и т.д.) будет увеличиваться.
ТРМ33 |
ТРМ133М |
ТРМ1033 | |
Приточные системы | • | • | |
Приточно-вытяжные системы | • | ||
Водяной калорифер | • | • | • |
Электрический калорифер | • | • | |
Водяной охладитель | • | • | |
Фреоновый охладитель | • | • | |
Каскадное регулирование температуры в помещении | • | ||
Управление воздушной заслонкой | Дискретное | Дискретное | Дискретное/Аналоговое |
Управление клапаном | Импульсное | Импульсное/0…10 В/4…20 мА | Импульсное/0…10 В |
Аналоговое управление ступенью нагрева | • | ||
Питание прибора, В | 220 | 220 | 220/24 |
Датчик температуры | Pt50/Pt100 | Pt100/Pt1000/Ni1000 | Pt100/Pt1000/Ni1000/NTC10k |
Журнал аварий | • | ||
Ручное управление | • | ||
Работа по расписанию | • |
Предотвращает резкое закрытие регулирующего клапана по воде после прогрева с целью защиты теплообменника от замерзания (плавный выход на уставку после прогрева).
Для достижения максимально комфортной температуры помещения применяется каскадное регулирование. Температура приточного воздуха корректируется по требуемому значению температуры в помещении.
Режим работы позволяет проверить работоспособность отдельных узлов управления вентиляционной установки в ручном режиме с панели контроллера.
Контроллер фиксирует все аварийные ситуации, возникающие в процессе работы. Помимо текущих аварий, дополнительно аварии архивируются с записью о квитировании. Объем архива рассчитан на 24 записи.
Контроллер может в автоматическом режиме управлять отключением или запуском вентиляционной установки по дням недели.
Изменение сезона осуществляется в автоматическом режиме, тем самым определяется, какой режим работы требуется: Зима (отключение охлаждения) / Лето (отключение нагревателя и циркуляционного насоса).
Параметр | Значение | |
ТРМ1033-220.х.х | ТРМ1033-24.х.х | |
Диапазон напряжения питания, В | 94…264 (номинальное 120…230 В при частоте 47…63 Гц) | 19…30 (номинальное 24 В) |
Гальваническая развязка | есть | |
Электрическая прочность изоляции, В | 2830 (между входом питания и другими цепями) | 1780 (между входом питания и другими цепями) |
Потребляемая мощность, не более | 17 ВА | 10 Вт |
Встроенный источник питания | есть | - |
Выходное напряжение встроенного источника питания постоянного тока, В | 24 ± 3 | - |
Ток нагрузки встроенного источника питания, мА, не более | 100 | - |
Электрическая прочность изоляции (между выходом питания и другими цепями), В | 1780 | - |
Сетевые возможности | ||
Интерфейс связи | RS-485 | |
Протокол связи | Modbus-RTU, Modbus-ASCII | |
Режим работы | Slave | |
Скорость передачи данных, бит/сек | 9600, 14400, 19200, 38400, 57600, 115200 | |
Конструкция | ||
Тип корпуса | Для крепления на DIN-рейку (35 мм) | |
Габаритные размеры, мм | 123×90×58 | |
Степень защиты корпуса по ГОСТ 14254-96 | IP20 | |
Масса контроллера, кг, не более (для всех вариантов исполнений) | 0,6 | |
Средний срок службы, лет | 8 | |
Дискретные входы | ||
Количество входов | 8 | |
Номинальное напряжение питания, В | 230 (переменный ток) | 24 (постоянный ток) |
Максимально допустимое напряжение питания, В | 264 (переменный ток) | 30 (постоянный ток) |
Тип подключаемого датчика | Механические коммутационные устройства (реле, контакты кнопок и выключателей) | |
Ток «логической единицы», мА | 0,7…1,45 | 2…4 |
Ток «логического нуля», мА | 0…0,5 | 0…0,5 |
Уровень сигнала, соответствующий «логической единице», В | 159…264 | 15…30 |
Минимальная длительность импульса, воспринимаемая дискретным входом, мс | 50 | 2 |
Максимальное время реакции контроллера (изменения значения ВЭ связанного с дискретным входом), мс | 100 | 30 |
Гальваническая развязка | Групповая, по 4 входа (1–4 и 5–8) | |
Электрическая прочность изоляции, В | 1780 между группами входов | |
2830 между другими цепями контроллера | ||
Аналоговые входы | ||
Количество | 4 | |
Тип датчика | Pt100, Pt1000, NTC10k | |
Предел основной приведенной погрешности, % | ±0,5 | |
Период обновления результатов измерения четырех каналов, мс, не более | 10 | |
Гальваническая развязка | Отсутствует | |
Дискретные выходы | ||
Количество выходных устройств | 8 | |
Тип выходного устройства | Дискретный, релейные (нормально-разомкнутые контакты) | |
Гальваническая развязка | Индивидуальная | |
Электрическая прочность изоляции, В | 2830 | |
| Внешняя нагрузка не менее, кОм | 2 | |
| Коммутируемое напряжение в нагрузке, В, не более | ||
– для цепи постоянного тока | 30 (резистивная нагрузка) | |
| – для цепи переменного тока | 250 (резистивная нагрузка) | |
Допустимый ток нагрузки, не более | 5 А | 3 А |
Допустимый ток нагрузки, мА, не менее | 10 (при 5 В постоянного тока) | |
Механический ресурс реле, циклов, не менее | 10 000 000 | |
Аналоговые выходы | ||
Количество выходных устройств | 2 | |
Тип выходного устройства | ЦАП 0…10 В | |
Внешняя нагрузка не более, кОм | 1 | |
Гальваническая развязка | Индивидуальная | |
Электрическая прочность изоляции, В | 2830 | |
Индикация и элементы управления | ||
Тип дисплея | Текстовый монохромный ЖКИ с подсветкой, 2×16 символов | |
Дискретные индикаторы | Два светодиодных индикатора (красный и зеленый) | |
Количество механических кнопок | 6 | |






ДОСТАВКА
Вы можете выбрать любой наиболее удобный способ из перечисленных ниже:
Доставка до терминала ТК «Деловые линии» осуществляется нами бесплатно.
ОПЛАТА
Мы принимаем оплату:
Цены на поставляемые нами товар всегда ниже, чем у наших конкурентов.
Условия гарантийного обслуживания
Гарантия не распространяется на ущерб, причиненный другому оборудованию, работающему вместе с данным изделием.
Центр измерительной техники «Эталонприбор» располагает своим собственным ремонтным сервисом, где Вы можете получить услуги по: ремонту, наладке, калибровке, гарантийному и послегарантийному обслуживанию измерительного оборудования, как приобретенного у нас, так и у других поставщиков. Сервис работает на основе лицензии, выданной Ростехрегулированием РФ.
