по РФ бесплатно
пн-пт 9:00-18:00
пн-пт 9:00-18:00
по РФ бесплатно
Ваш город
Нет
Да
КОНТАКТНАЯ ИНФОРМАЦИЯ
Телефоны:8 (800) 777-30-09 (по РФ бесплатно), 8 (495) 748-30-09, 748-30-60, 664-28-44.
Адрес:141006, Московская обл., г. Мытищи, Олимпийский пр-т, д. 29, стр. 2, офис 43/1.
УВАЖАЕМЫЕ КЛИЕНТЫ!
Цены на сайте могут отличаться, просьба уточнять конечную стоимость у наших менеджеров!
TMM-540


ТРМ133М-РУОУОР.02

Цена:
14 520
Общая стоимость 0 руб.
В корзину
Купить в 1 клик
Нашли дешевле?
Снизим цену!
В избранное
Стоимость доставки от 800 ₽ (уточнять у менеджера)
Срок доставки: 2 - 10 дней при наличии товара на складе
Бесплатная доставка от 50000₽
Безналичный расчет для юридических лиц
Самовывоз со склада компании ЭТАЛОНПРИБОР
Более 350 брендов
Самые лучшие
цены
Техническая
документация
Быстрая доставка
по России
Сервисный
центр
  • Описание
  • Доставка и оплата
  • Гарантия и возврат
  • Отзывы
  • Сервис
Описание

Контроллер систем приточной вентиляции ТРМ133М в комплексе с первичными преобразователями, модулем расширения МР1 и исполнительными механизмами предназначены для контроля и регулирования температуры воздуха в помещениях, оборудованных системой приточной/приточно-вытяжной вентиляции, отображения измеренной температуры и режимов работы на встроенном индикаторе и формирования сигналов управления встроенными выходными элементами и выходными элементами модуля МР1. Данный прибор работает в комплекте с модулем расширения ОВЕН МР1 (Приобретается отдельно).

ТРМ133М-02 – контроллер для систем приточной вентиляции с водяным калорифером и фреоновым либо водяным охладителем

ТРМ133М-04 – контроллер для систем приточной вентиляции с электрическим калорифером и фреоновым либо водяным охладителем

Возможности контроллера для систем вентиляции и кондиционирования ТРМ133М

  • Встроенные часы реального времени
  • Автоматическая настройка ПИД-регуляторов
  • Автоматический выбор режимов (прогрев/нагрев/охлаждение/вентиляция)
  • Возможность смены прошивки (при помощи комплекта для перепрошивки ТРМ133М)

Функциональные возможности ОВЕН ТРМ133М

  • Автоматическое регулирование температуры приточного воздуха в соответствии с заданной уставкой или по графику (от температуры наружного воздуха)
  • Измерение, контроль и регулирование следующих основных параметров:
    • температуры воды, возвращаемой в теплосеть, в соответствии с графиком (для ТРМ133М-02);
    • температуры комнатного воздуха.
  • Измерение дополнительных физических параметров:
    • влажности;
    • положения задвижек.
  • Формирование сигналов управления внешними исполнительными механизмами и устройствами: водяным либо фреоновым калориферами охлаждения, калорифером нагрева, ТЭНом воздушного клапана, приточным/вытяжным вентилятором, насосами в контурах нагрева и охлаждения, воздушным клапаном, устройствами сигнализации
  • Диагностика аварийных ситуаций
  • Задание значений программируемых рабочих параметров с помощью встроенной клавиатуры управления, а также от ПК по сети RS-485 и RS-232
  • Поддержка протоколов обмена: ОВЕН, Modbus-RTU и Modbus-ASCI

Другие приборы для управления вентиляцией

Контроллер для регулирования температуры в системах отопления с приточной вентиляцией

ТРМ33

Контроллер приточной вентиляции

ТРМ133

Контроллер для систем вентиляции и кондиционирования

ТРМ133М

Контроллер для регулирования температуры в системах отопления с приточной вентиляцией ОВЕН ТРМ33

Контроллер приточной вентиляции ОВЕН ТРМ 133

Контроллер для систем вентиляции и кондиционирования ТРМ133М

Для систем вентиляции с водяным калорифером нагрева с регулирующим клапаном с 3-хпозиционным (220 В 50 Гц) управлением.

  • Датчики температуры – 50М, 100М, 50П, 100П, Pt100

Для систем вентиляции с водяным калорифером нагрева с регулирующим клапаном с 3-хпозиционным (220 В 50 Гц) либо аналоговым (0…10 В, 4…20 мА) управлением.

  • Универсальные входы.

Для систем вентиляции с водяным калорифером нагрева с регулирующим клапаном с 3-хпозиционным (220 В 50 Гц) либо аналоговым (0…10 В, 4…20 мА) управлением.

  • Универсальные входы.
  • Управление контуром охлаждения.
  • Раздельное управление вентилятором и воздушным клапаном.
  • Управление скоростью вращения вентилятора.(ТРМ133М-04)
  • RS-485, RS-232 (ОВЕН, Modbus)

Основные технические характеристики

Наименование

Значение

напряжение, В

90...245

частота, Гц

47…63

Потребляемая мощность, ВА, не более

12

Аналоговые входы, количество

8

Дискретные входы, количество

8

Уровень сигнала, соответствующий логической единице на входе, В

12…36

Уровень сигнала, соответствующий логическому нулю на входе, В

0…4

Подключаемые входные устройства

Датчики типа «сухой контакт», коммутационные устройства (контакты реле, кнопок и т.д.)

Встроенный вторичный источник питания

24±3

Напряжение, В, Максимально допустимый ток нагрузки, мА

180

Интерфейс связи

RS-485; RS-232

Режим работы

Slave

Протоколы передачи данных

ОВЕН; Modbus ASCII; Modbus RTU

Тип корпуса

DIN12M

Габаритные размеры прибора, мм

(157×86×58)±1

Степень защиты корпуса (со стороны лицевой панели)

IP20

Масса прибора, кг, не более

0,5

Температура окружающего воздуха, °С

-10…+55

Выходы (дискретные и аналоговые ВУ)

Количество ВУ внутри контроллера

6 (5 из них – с возможностью установки ЦАП)

Схемы подключения

Схема подключения ТРМ133М

Схема подключения датчиков

Подключение термометра сопротивления или резистивного датчика по трехпроводной схеме
Подключение активного датчика с выходом в виде напряжения 0….1В
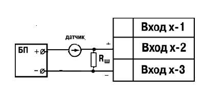
Подключение активного датчика с токовым выходом 0….5мА или 0(4)….20мА (Rш = 100Ом ±0,1%)

Схема подключения датчиков к дискретным входам

Схема подключения датчиков

Комплект поставки

  1. Прибор ТРМ133М
  2. Паспорт и гарантийный талон
  3. Руководство по эксплуатации
  4. Комплект для прошивки ТРМ133М (поставляется по отдельному заказу)
  5. Модуль расширения ОВЕН МР1 (в счете модуль указывается, как отдельная позиция)

Примечание - Изготовитель оставляет за собой право внесения дополнений в комплектность изделия.

Развернуть полное описание
Доставка и оплата

ДОСТАВКА

Вы можете выбрать любой наиболее удобный способ из перечисленных ниже:

  • Самовывоз со склада компании ЭТАЛОНПРИБОР
  • Доставка через транспортную компанию "Деловые линии"
  • Доставка экспресс - почтой "ПОНИ-ЭКСПРЕСС" до двери
  • Доставка по Москве и области нашими экспедиторами и курьерами
  • Доставка через транспортную компанию "ПЭК"
  • Отправка посылкой с помощью Почты России
  • Доставка через транспортную компанию покупателя

Доставка до терминала ТК «Деловые линии» осуществляется нами бесплатно.

ОПЛАТА

Мы принимаем оплату:

  • по безналичному расчету
  • перечислением денежных средств на расчетный счет для юридических лиц
  • банковским переводом для физических.

Цены на поставляемые нами товар всегда ниже, чем у наших конкурентов.

Гарантия и возврат

Условия гарантийного обслуживания

  1. Гарантия действительна только при наличии гарантийного талона с указанием заводского номера изделия, гарантийного срока и печати поставщика.
  2. Гарантия предусматривает бесплатный ремонт изделия или замену запасных частей, комплектующих в течении гарантийного срока, указанного в гарантийном талоне.
  3. Заводской номер и наименование изделия должны соответствовать указанным в гарантийном талоне.
  4. Изделие снимается с гарантийного обслуживания в следующих случаях:
    1. Нарушения условий эксплуатации, изложенных в технической документации изделия, которые привели к выходу изделия из строя, включая неисправности, вызванные использованием нештатных аксессуаров;
    2. Нарушения гарантийных пломб, в случае наличия следов вскрытия или взлома корпуса изделия;
    3. Ремонта в неуполномоченном сервисном центре или самостоятельно (кроме элементов и источников питания, замена которых предусмотрена производителем);
    4. Использования изделия не по назначению;
    5. Нарушения правил хранения и транспортирования;
    6. Наличия внешних механических повреждений, включая повреждения разъёмов и контактов;
    7. Наличия внешних повреждений, вызванных стихией, пожаром, молнией, высоким напряжением;
    8. Попадания внутрь влаги, инородных предметов и т.п.
    9. Неправильном включении в сеть.
  5. Гарантия не распространяется на расходные материалы и прочие детали, имеющие ограниченный срок службы: элементы питания (в т.ч. аккумуляторы), имеющие ограниченную прочность.
  6. Недополученная в связи с появлением неисправности прибыль и другие косвенные расходы не подлежат возмещению.

Гарантия не распространяется на ущерб, причиненный другому оборудованию, работающему вместе с данным изделием.

Отзывы
Отзывы о товаре ТРМ133М-РУОУОР.02
Сервис

Центр измерительной техники «Эталонприбор» располагает своим собственным ремонтным сервисом, где Вы можете получить услуги по: ремонту, наладке, калибровке, гарантийному и послегарантийному обслуживанию измерительного оборудования, как приобретенного у нас, так и у других поставщиков. Сервис работает на основе лицензии, выданной Ростехрегулированием РФ.

 
Подробнее
 
Сервисное обслуживание
Простой обмен и возврат
Поможем решить любую проблему с товаром
Собственный сервисный центр
Устраним любую неисправность по гарантии. Срок указан без учета логистики
Сервисы по всей России
Обращайтесь за обслуживанием в авторизованные сервисы производителя
Похожие товары
 
Полезные статьи
При выборе манометра необходимо учитывать ряд важных факторов, чтобы прибор подходил для конкретной системы.
Уровень влажности в помещении играет важную роль в формировании оптимальных условий для комфортного пребывания. Для определения этого параметра используются устройства, называемые гигрометрами. В этой статье мы расскажем, как выбрать подходящее оборудование такого типа для различных объектов.
Осциллограф — это прибор для наблюдения, измерения, записи и анализа амплитудных и временных характеристик электрического сигнала. Подаваемый на вход устройства, он отображается либо на экране, либо фиксируется на фотоленте для последующего изучения.
Если вы задумались о приобретении мультиметра, важно заранее ознакомиться с рядом полезных рекомендаций, которые помогут сделать правильный выбор. Мы подготовили небольшую статью, которая, надеемся, окажется полезной.
Цифровой тахометр — это прибор, предназначенный для измерения частоты вращения различных объектов, таких как валы, двигатели и роторы. В отличие от аналоговых моделей, цифровые тахометры обеспечивают высокую точность измерений и удобство использования благодаря современным технологиям и информативному дисплею. Они широко используются в самых разных отраслях: от автомобильного сервиса и промышленности до научных исследований и контроля вентиляционных систем.
Мегаомметр – это специализированный прибор, предназначенный для измерения сопротивления изоляции электрических цепей и оборудования. В условиях современного мира, где электричество играет ключевую роль во всех сферах жизни, обеспечение безопасности и надежности электрических систем становится особенно важным. От качества изоляции проводников и оборудования зависит не только эффективность их работы, но и безопасность людей и объектов, которые они обслуживают.
Измерительные приборы играют ключевую роль в различных отраслях, начиная от промышленности и строительства, заканчивая медициной и научными исследованиями. Правильная эксплуатация и уход за этими приборами являются залогом точных измерений и долговечности оборудования.
Осциллографы играют ключевую роль в современных лабораториях и на производственных предприятиях, являясь незаменимым инструментом для анализа и визуализации электрических сигналов. Независимо от того, являетесь ли вы инженером-электронщиком, студентом технического вуза или энтузиастом электроники, понимание принципов работы осциллографов, их видов и характеристик, а также правил эксплуатации и ухода за ними, имеет первостепенное значение.
Амперметр предназначен для измерения величины тока в электрических цепях, выраженной в амперах. В основе его работы лежит простой принцип: инструмент позволяет наглядно увидеть мощность тока, потребляемого устройствами, подключенными к сети. Обычно амперметр подключают в цепь с нагрузкой, поэтому ток, протекающий через него, идентичен току, проходящему через любой другой элемент цепи, будь то нагреватель, мотор или лампочка.
На этапах возведения, отделки и монтажа различных сооружений большую роль играют точность разметки и идеальное выравнивание. Достижение профессиональных стандартов качества возможно при использовании лазерного нивелира. Для выбора подходящей модели целесообразно ознакомиться с механизмом работы этих устройств.
Новинки
Недавно просмотренные