Промышленный контроллер ОВЕН ТРМ32 предназначен для контроля и регулирования температуры в контурах отопления и горячего водоснабжения.
Промышленный контроллер для регулирования температуры в системах отопления ОВЕН ТРМ32 выпускается в щитовом корпусе типа Щ4 или типа Щ7, степень защиты со стороны лицевой панели IP54.
Бесплатно: OPC-сервер, драйвер для работы со SCADA-системой TRACE MODE; библиотеки WIN DLL.
Промышленный контроллер для регулирования температуры в системах отопления ОВЕН ТРМ32 | Контроллеры для систем отопления и горячего водоснабжения (ГВС) ТРМ132М | Контроллер для одно- и двухконтурных систем отопления и ГВС ОВЕН ТРМ232 |
![]() | ![]() | ![]() |
Для систем отопления и ГВС с регулирующими клапанами с 3-хпозиционным (220 В 50 Гц) управлением.
| Для систем отопления и ГВС с регулирующими клапанами с 3-хпозиционным (220 В 50 Гц) либо аналоговым (0…10 В, 4…20 мА) управлением.
| Для одноконтурных (одна система отопления/ одна система ГВС/ один контур «теплые полы») или двухконтурных (две СО, или две ГВС, или СО и ГВС и т.п.) систем.
|
Конфигурация Lectus OPC для опроса ТРМ32-Щ7
Конфигурация Lectus OPC для опроса ТРМ32-Щ4
Наименование характеристики | Значение |
Напряжение питания | от 130 до 242 В (номинальное значение 220 В) |
Потребляемая мощность | не более 6 ВА |
Диапазон контроля температуры | –50... + 199,9°С |
Тип входных ТС | ТСМ, ТСП |
Количество каналов контроля температуры | 4 |
Количество дискретных входов | 1 |
Время цикла опроса датчиков | не более 6 с |
Количество выходных реле | 4 |
Максимальный ток, коммутируемый контактами реле | 1 А при напряжении 220 В 50 Гц (cos j > 0,4) |
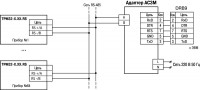
Адаптеры, используемые для подключения прибора к RS-232 порту ПК | АС3М для приборов ТРМ32.Х.ХХ.RS |
Адаптер, используемый для подключения прибора к USB порту ПК | АС4 (для приборов ТРМ32-Х.ХХ.RS) |
Габаритные размеры | |
Щ4, щитовой | 96×96×145 мм; IP54 |
Щ7, щитовой | 144×169×50,5 мм; IP54 |

Ко входам в зависимости от их типа подключаются датчики ТСМ 50М, ТСП 50П или ТСМ 100М, ТСП 100П, Pt100, которые контролируют следующие параметры:
Тнаруж. – температура наружного воздуха;
Тобр.–температура обратной воды, возвращаемой в теплоцентраль;
Тотоп. –температура воды в контуре отопления;
ТГВС–температура воды в контуре горячего водоснабжения.
Вместо датчика Тнаруж. может быть подключен датчик температуры прямой воды Тпрям., подаваемой из ТЭЦ.
Температуру поддерживают два ПИД-регулятора:
В контроллере предусмотрена возможность регистрации на ЭВМ следующих параметров:
Подключение прибора к ПК осуществляется по интерфейсу RS-485 через адаптер АС3-М или АС4 (по заказу).
Регулирование температуры в контуре отопления осуществляется в соответствии с отопительным графиком, а защита системы от превышения температуры обратной воды – с графиком температуры обратной воды.
Графики отображают линейную зависимость температуры теплоносителя в контуре отопления Туст.отоп. и температуры обратной воды Тобр.max от температуры наружного воздуха Тнаруж.. Оба графика могут быть построены и от температуры прямой воды Тпрям., в этом случае вместо датчика Тнаруж. должен быть подключен датчик Тпрям., установленный в подающем трубопроводе.
Построение графиков осуществляется прибором автоматически по заданным пользователем координатам точек перегиба - А и В, зависящим от характеристик системы отопления.
По отопительному графику Туст.отоп. = f(Tнаруж.) или Туст.отоп. = f(Tпрям.), в зависимости от контролируемого на входе параметра, прибор вычисляет температуру уставки Туст.отоп. и поддерживает ее с помощью КЗРотоп.. Управление КЗРотоп. осуществляется кратковременными импульсами (ШИМ) по ПИД-закону регулирования, что позволяет поддерживать заданную температуру с необходимой точностью.
Для достижения максимально экономичной работы в приборе предусмотрены следующие функции:
Переключение микроконтроллера в ночной режим работы происходит при замыкании внешних контактов прибора «день/ночь». При этом отопительный график сдвигается на заданную пользователем величину, значение которой указывается при программировании прибора. Коммутация может осуществляться любым исполнительным устройством с «сухими» контактами (тумблер, переключатель или таймер).
Индикация режимов:
P--0 - дневной режим работы;
P--1 - ночной режим работы.
Контроль температуры обратной воды осуществляется по графику Тобр.max = f(Tнаруж.) или Тобр.max = f(Tпрям.), в зависимости от контролируемого на входе параметра.
В случае превышения максимально допустимого значения Тобр.max ТРМ32-Щ4 прерывает регулирование температуры в контуре отопления и понижает температуру обратной воды до значения (Тобр.max – ).
После снижения температуры обратной воды до допустимых пределов продолжается регулирование температуры в контуре отопления по отопительному графику.
Индикация режимов:
P--2 - работа в режиме защиты от превышения температуры обратной воды;
Значение задается пользователем при программировании прибора.




Температура, поддерживаемая в контуре ГВС (Тгвс), задается пользователем при программировании контроллера. С помощью реле прибор ТРМ32-Щ4 управляет положением запорно-регулирующего клапана КЗРгвс по температуре уставки Туст.гвс. Управление КЗРгвс осуществляется кратковременными импульсами (ШИМ) по ПИД-закону регулирования, что позволяет поддерживать заданную температуру с требуемой точностью.

| Верхний 4-х разрядный цифровой индикатор | В режиме РАБОТА отображает значение температуры в канале контроля, выбранном пользователем: Тнаруж. (Тпрям.), Тобр., Тотоп.или Тгвс. В режимах ПРОСМОТР и ПРОГРАММИРОВАНИЕ показывает номер программируемого параметра. |
| Нижний 4-х разрядный цифровой индикатор | В режиме РАБОТА отображает информационную заставку режима (Р—0 ... Р—2), если выбран канал индикации Тнаруж., или значение соответствующей уставки, если выбран канал индикации Тобр., Тотоп. или Тгвс. В режимах ПРОСМОТР и ПРОГРАММИРОВАНИЕ показывает значение программируемого параметра. |
| Светодиоды «Тoнаруж.», «Тoобр.», «Тoотоп.», «Тoгвс» | Постоянной засветкой сигнализируют о выбранном для индикации канале контроля, мигающей засветкой – об аварии датчиков. |
| Светодиоды «+», «–» отоп. и «+», «–» гвс | Cигнализируют о формировании сигналов управления запорно-регулирующими клапанами систем отопления и ГВС. |
| Кнопка предназначена для перехода в режим ПРОСМОТР, а из режима ПРОСМОТР – в режим ПРОГРАММИРОВАНИЕ. |
| Кнопка предназначена для записи установленных значений программируемых параметров в память прибора. |
| Кнопка предназначена для возврата из режима ПРОГРАММИРОВАНИЕ в режим ПРОСМОТР, а из режима ПРОСМОТР – в режим РАБОТА. |
Кнопки позволяют в режиме РАБОТА переключать каналы индикации. | |
![]() | 4 кнопки с изображением стрелок позволяют в режиме ПРОСМОТР выбирать нужные параметры, а в режиме ПРОГРАММИРОВАНИЕ изменять их значение. |


ДОСТАВКА
Вы можете выбрать любой наиболее удобный способ из перечисленных ниже:
Доставка до терминала ТК «Деловые линии» осуществляется нами бесплатно.
ОПЛАТА
Мы принимаем оплату:
Цены на поставляемые нами товар всегда ниже, чем у наших конкурентов.
Условия гарантийного обслуживания
Гарантия не распространяется на ущерб, причиненный другому оборудованию, работающему вместе с данным изделием.
Центр измерительной техники «Эталонприбор» располагает своим собственным ремонтным сервисом, где Вы можете получить услуги по: ремонту, наладке, калибровке, гарантийному и послегарантийному обслуживанию измерительного оборудования, как приобретенного у нас, так и у других поставщиков. Сервис работает на основе лицензии, выданной Ростехрегулированием РФ.
