Городские энергосети далеко не всегда поставляют качественный энергоресурс. Из-за этого часто случаются обрывы линий и резкие скачки. Задача переключателя фаз ПЭФ 301 – обеспечение бесперебойной работы электроприборов за счет резервного энергоснабжения.
Переключатель электронный фаз ПЭФ-301 предназначен для питания промышленной и бытовой однофазной нагрузки 220 В /50 Гц от трехфазной четырехпроводной сети 3х380+N с целью обеспечения бесперебойного питания особо ответственных однофазных потребителей и защиты их от недопустимых колебаний напряжения в сети .
| Параметры | Значение |
| Номинальное фазное напряжение, В | 230 |
| Частота сети, Гц | 45 - 65 |
| Диапазон срабатывания по , UMIN, В | 160 - 210 |
| Диапазон срабатывания по , UMAX, В | 230 - 280 |
| Диапазон регулирования времени повторного включения , ТВКЛ, с | 1 - 600 |
| Фиксированная задержка переключения (отключения ) по UMIN, с | 12 |
| Время переключения на резервные фазы, с | 0,2 |
| Гистерезис ПЭФ-301 (коэффициент возврата ) по напряжению, В | 5 - 7 |
| Точность определения порога срабатывания, В | ±3 |
| Кратковременно допустимое макс . фазное напряжение , при котором сохраняется работоспособность, В | 450 |
| Макс. коммутируемый ток (активный ) выходных контактов, А | 16 |
| Фазное напряжение, при котором сохраняется работоспособность прибора, В | 400 |
| Потребляемая мощность ( под нагрузкой ), Вт | 1,0 |
Коммутационный ресурс выходных контактов :
| 100 000 1 млн |
| Габаритные размеры, мм | 70х90x65 |
| Масса, кг | 0,200 |
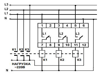
Электронный переключатель фаз ПЭФ -301 - микропроцессорное цифровое устройство. Пользователь выставляет пороги срабатывания прибора - минимальное и максимальное значение напряжения, при котором устройство срабатывает и отключает нагрузку ( переключает на резервную фазу ). Подключается к трехфазной сети, согласно рисунка 2, через клеммы 1 (L1), 3 (L2), 5 (L3), 6 (N). Прибор проверяет фазы на наличие напряжения и его параметры .
В ПЭФ -301 предусмотрена внутренняя блокировка от залипания контактов выходных встроенных реле, а также контроль состояния силовых контактов МП во внешней цепи.
Существуют два вида переключателей фаз:
ПЭФ 301 контролирует верхние и нижние пороговые значения. Важно правильно установить эти параметры, не завысив и не занизив их. Завышенные параметры приведут к перегреву, а заниженные повлекут за собой постоянные срабатывания устройства.
Автоматический переключатель фаз ПЭФ 301 применяется в работе с различными потребителями электроэнергии, в т.ч.
После сбоя и проверки основного источника питания реле выбора фаз ПЭФ 301 возвращается к предыдущим параметрам.
Диапазон срабатывания реле ПЭФ 301 устанавливается специалистом.


ДОСТАВКА
Вы можете выбрать любой наиболее удобный способ из перечисленных ниже:
Доставка до терминала ТК «Деловые линии» осуществляется нами бесплатно.
ОПЛАТА
Мы принимаем оплату:
Цены на поставляемые нами товар всегда ниже, чем у наших конкурентов.
Условия гарантийного обслуживания
Гарантия не распространяется на ущерб, причиненный другому оборудованию, работающему вместе с данным изделием.
Переключатель фаз (из 3 фаз выбирает одну) 16А прямое включение, либо через пускатели (6 DIN)
Центр измерительной техники «Эталонприбор» располагает своим собственным ремонтным сервисом, где Вы можете получить услуги по: ремонту, наладке, калибровке, гарантийному и послегарантийному обслуживанию измерительного оборудования, как приобретенного у нас, так и у других поставщиков. Сервис работает на основе лицензии, выданной Ростехрегулированием РФ.
