Реле напряжения РН-118 предназначено для отключения бытовой и промышленной однофазной нагрузки любой мощности при недопустимых колебаниях напряжения в сети с последующим автоматическим включением после восстановления параметров сети.
При мощности нагрузки до 2,3 кВт (ток до 10 А) для РН-118 отключение производится непосредственно изделием, выходные контакты которого включены в разрыв питания нагрузки.
При большей мощности отключение производится магнитным пускателем соответствующей мощности, в разрыв цепи питания катушки которого включены выходные контакты изделия (МП в комплект поставки не входит).
Реле РН-118 фиксирует максимальное и минимальное значения напряжения с момента подачи напряжения питания на изделие или с момента последнего просмотра запомненных значений.
Реле напряжения РН-118 индицирует действующее значение входного напряжения и состояние выходных контактов реле.

Рис.1 Схема конструкции панели управления реле РН-118

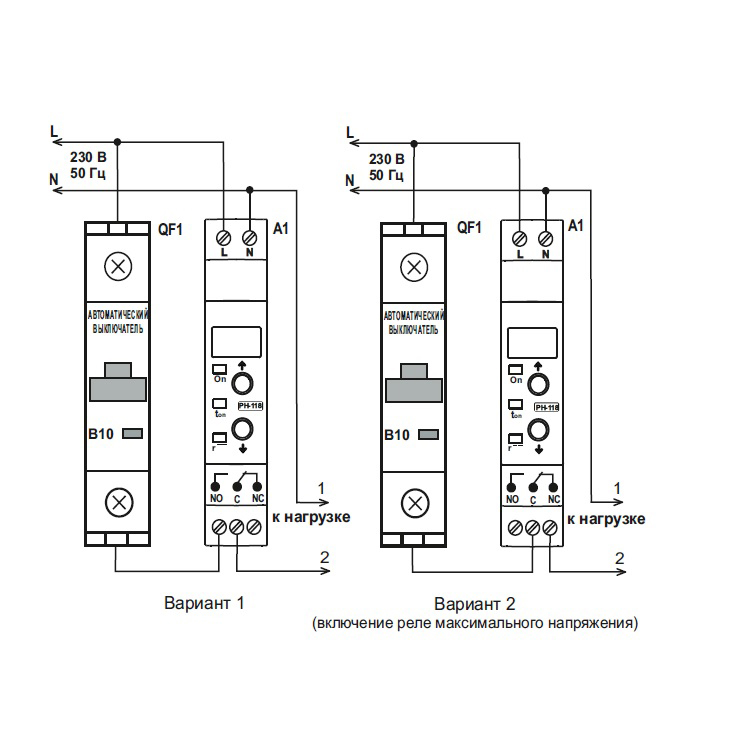
Рис.2 Схема подключения реле напряжения РН-118
| Параметры | Значение |
| Номинальное переменное однофазное напряжение питания сети, В | 230/240 |
| Частота сети, Гц | 47 - 65 |
| Диапазон регулирования по Umin, В | 150 - 220 |
| Диапазон регулирования по Umах, В | 230 - 290 |
| Диапазон регулирования времени АПВ (ton), с | 5 - 900 |
| Фиксированное время срабатывания по Umах, с | 0,5 |
| Фиксированное время срабатывания при импульсном повышении напряжения более 420 В при длительности импульса более 1,5 мс, с | 0,02 |
| Фиксированная задержка отключения по Umin, с | 8 |
| Фиксированное время срабатывания при снижении напряжения ниже 145 В, с | 0,15 |
Максимальный коммутируемый ток (активной нагрузки)
| 10 |
| Точность определения порога срабатывания по напряжению, В | до 3 |
| Минимальное напряжение, при котором сохраняется работоспособность, В | 100 |
| Максимальное напряжение, при котором сохраняется работоспособность, В | 420 |
| Гистерезис возврата по напряжению, В | 4 - 5 |
| Габаритные размеры, мм | 90х6 5х18 |
| Масса, кг | 0,10 |
Оптимальными условиями для использования реле РН-118 являются:
Перед подключением к электрической сети выдержите из-делие в условиях эксплуатации в течение двух часов (т.к. на элементах изделия возможна конденсация влаги).
Изделие не предназначено для эксплуатации в условиях:
ДОСТАВКА
Вы можете выбрать любой наиболее удобный способ из перечисленных ниже:
Доставка до терминала ТК «Деловые линии» осуществляется нами бесплатно.
ОПЛАТА
Мы принимаем оплату:
Цены на поставляемые нами товар всегда ниже, чем у наших конкурентов.
Условия гарантийного обслуживания
Гарантия не распространяется на ущерб, причиненный другому оборудованию, работающему вместе с данным изделием.
10А , 220В, одномодульное (управление кнопками, фиксация напряжения при отключении) 1 DIN
Центр измерительной техники «Эталонприбор» располагает своим собственным ремонтным сервисом, где Вы можете получить услуги по: ремонту, наладке, калибровке, гарантийному и послегарантийному обслуживанию измерительного оборудования, как приобретенного у нас, так и у других поставщиков. Сервис работает на основе лицензии, выданной Ростехрегулированием РФ.
