Реле напряжения РН-119 предназначено для отключения бытовой и промышленной однофазной нагрузки любой мощности при недопустимых колебаниях напряжения в сети с последующим автоматическим включением после восстановления параметров сети.
При мощности нагрузки до 3,6 кВт (ток до 16 А) для РН-119 отключение производится непосредственно изделием, выходные контакты которого включены в разрыв питания нагрузки.
При большей мощности отключение производится магнитным пускателем соответствующей мощности, в разрыв цепи питания катушки которого включены выходные контакты изделия (МП в комплект поставки не входит).
Реле РН-119 фиксирует максимальное и минимальное значения напряжения с момента подачи напряжения питания на изделие или с момента последнего просмотра запомненных значений.
Реле напряжения РН-119 индицирует действующее значение входного напряжения и состояние выходных контактов реле.
РН-119 может находиться в следующих состояниях:

Рис.1 Схема габаритных размеров реле РН-119

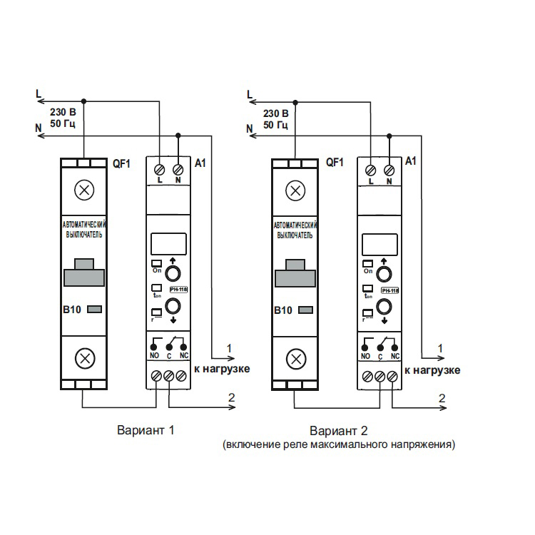
Рис.2 Схема подключения РН-119

Рис.3 Схема панели управления реле РН-119
Изделие предназначено для эксплуатации в следующих условиях:
Перед подключением к электрической сети выдержите из-делие в условиях эксплуатации в течение двух часов (т.к. на элементах изделия возможна конденсация влаги).
Изделие не предназначено для эксплуатации в условиях:
| Номинальное переменное однофазное напряжение питания сети, В | 230 |
| Частота сети, Гц | 47 – 65 |
| Гармонический состав (несинусоидальность) напряжения питания | ГОСТ 32144- 2013 |
| Диапазон регулирования по Umin, В | 160 – 220 |
| Диапазон регулирования по Umax, В | 230 – 290 |
| Диапазон регулирования времени АПВ ( tвкл), с | 5 – 900 |
| Фиксированное время срабатывания по Umax, с | 0,5 |
| Фиксированное время срабатывания при импульсном повышении напряжения более 420 В при длительности импульса более 1,5 мс | ≤ 0,02 с |
| Максимальный коммутируемый ток (активной нагрузки) | 16 А |
| Количество контролируемых фаз: | 1 |
| Точность определения порога срабатывания по напряжению | до 3 В |
| Напряжение отключения, В: | |
| нижнее: | 160-220 |
| верхнее: | 230-280 |
| Гистерезис возврата по напряжению, В | 4 – 5 |
| Сечение проводов для подключения к клеммам | 0,3 - 3,3 мм² |
| Момент затяжки винтовых зажимов, не более, Н*м: | 0,4 |
| Диапазон рабочих температур, ⁰С: | от -35 до +55 |
| Габаритные размеры, мм: | 90х65x18 |
| Тип подключения: | винтовые зажимы |
| Гарантия производителя, лет: | 10 |
| Масса, кг | 0,10 |
| Установка (монтаж) изделия - стандартная DIN-рейка 35 мм | |
| Изделие сохраняет свою работоспособность при любом положении в пространстве | |
| Материал корпуса - самозатухающий пластик | |
| Вредные вещества в количестве, превышающем предельно допустимые концентрации, отсутствуют | |
ДОСТАВКА
Вы можете выбрать любой наиболее удобный способ из перечисленных ниже:
Доставка до терминала ТК «Деловые линии» осуществляется нами бесплатно.
ОПЛАТА
Мы принимаем оплату:
Цены на поставляемые нами товар всегда ниже, чем у наших конкурентов.
Условия гарантийного обслуживания
Гарантия не распространяется на ущерб, причиненный другому оборудованию, работающему вместе с данным изделием.
16A, 220В, одномодульное (управление кнопками, фиксация напряжения при отключении) 1 DIN
Центр измерительной техники «Эталонприбор» располагает своим собственным ремонтным сервисом, где Вы можете получить услуги по: ремонту, наладке, калибровке, гарантийному и послегарантийному обслуживанию измерительного оборудования, как приобретенного у нас, так и у других поставщиков. Сервис работает на основе лицензии, выданной Ростехрегулированием РФ.
