Объект-микрометры ОМ предназначены для определения увеличения поля зрения микроскопов, проекторов, цены деления окулярных шкал и сеток.
Изготавливаются в виде двух исполнений - для отраженного света (ОМ-О) и для проходящего света (ОМ-П).
Объект-микрометры ОМ выпускаются по ТУ 4381-018-02566540-2004
Характеристики | Объект-микрометры ОМ |
| Длина основной шкалы, мм | 1±0,0005 |
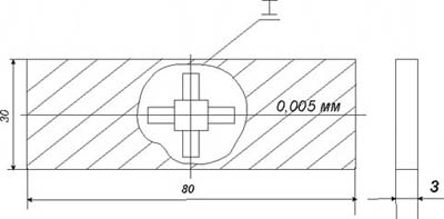
| Расстояние между серединами соседних штрихов первых десяти интервалов основной шкалы, мм | 0,005±0,0003 |
| Предел допускаемой абсолютной погрешности ОМ, мм | ±0,0001 |
| Ширина штрихов шкалы , мкм | 0,002±0,0005 |
| Вид климатического исполнения по ГОСТ 15150-69 | УХД4.2 |
| Габаритные размеры (без футляра), мм, не более | 80х30х3 |
| Масса (без футляра), кг | 0,035 |
![]() |
![]() |
Комплектность:
- объект микрометр;
- футляр;
- упаковка;
- паспорт;
- методика поверки.
Пример записи при заказе:
«Объект-микрометр ОМ-П»
Объект-микрометры ОМ зарегистрированы в Государственном реестре средств измерений под № 28962-05.
Сертификат об утверждении типа средств измерений RU.C.27.007.A № 20306.
ДОСТАВКА
Вы можете выбрать любой наиболее удобный способ из перечисленных ниже:
Доставка до терминала ТК «Деловые линии» осуществляется нами бесплатно.
ОПЛАТА
Мы принимаем оплату:
Цены на поставляемые нами товар всегда ниже, чем у наших конкурентов.
Условия гарантийного обслуживания
Гарантия не распространяется на ущерб, причиненный другому оборудованию, работающему вместе с данным изделием.
Центр измерительной техники «Эталонприбор» располагает своим собственным ремонтным сервисом, где Вы можете получить услуги по: ремонту, наладке, калибровке, гарантийному и послегарантийному обслуживанию измерительного оборудования, как приобретенного у нас, так и у других поставщиков. Сервис работает на основе лицензии, выданной Ростехрегулированием РФ.
