по РФ бесплатно
пн-пт 9:00-18:00
пн-пт 9:00-18:00
по РФ бесплатно
Ваш город
Нет
Да
КОНТАКТНАЯ ИНФОРМАЦИЯ
Телефоны:8 (800) 777-30-09 (по РФ бесплатно), 8 (495) 748-30-09, 748-30-60, 664-28-44.
Адрес:141006, Московская обл., г. Мытищи, Олимпийский пр-т, д. 29, стр. 2, офис 43/1.
УВАЖАЕМЫЕ КЛИЕНТЫ!
Цены на сайте могут отличаться, просьба уточнять конечную стоимость у наших менеджеров!
TMM-540


МЭ110-224.1Н

Цена:
4 560
Общая стоимость 0 руб.
В корзину
Купить в 1 клик
Нашли дешевле?
Снизим цену!
В избранное
Стоимость доставки от 800 ₽ (уточнять у менеджера)
Срок доставки: 2 - 10 дней при наличии товара на складе
Бесплатная доставка от 50000₽
Безналичный расчет для юридических лиц
Самовывоз со склада компании ЭТАЛОНПРИБОР
Более 350 брендов
Самые лучшие
цены
Техническая
документация
Быстрая доставка
по России
Сервисный
центр
  • Описание
  • Доставка и оплата
  • Гарантия и возврат
  • Отзывы
  • Сервис
Описание

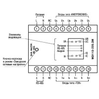
Модули предназначены для измерения напряжения, силы тока, частоты, мощности, фазового угла и коэффициента мощности в трехфазных сетях и передачи результатов измерений в сеть RS-485.

Коммуникационные возможности

Интерфейс

RS-485

Поддерживаемые протоколы

Modbus RTU

Modbus ASCII

ОВЕН

DCON

Скорость обмена по RS-485

2400…115200 бит/с

  • Модификации для одно- и трехфазных сетей
  • Расширенный температурный диапазон рабочих температур от -20 до +55 °С
  • Съемные клеммники с невыпадающими винтами
  • Обновление встроенного программного обеспечения по RS-485
  • Поддержка облачного сервиса OwenCloud (при использовании сетевого шлюза ПМ210)

Конфигурирование

Конфигурирование модулей Мx110 осуществляется на ПК через адаптер интерфейса RS-485/RS-232 или RS-485/USB (например, ОВЕН АСЗ-М или ОВЕН АС4, соответственно) с помощью программы «Конфигуратор М110», входящей в комплект поставки.

Основные технические характеристики

Модификация

МЭ110-224.1Т

МЭ110-224.1Н

МЭ110-224.1М

МЭ110-220.3М

Однофазный мультиметр МЭ110-224.1T Однофазный вольтметр МЭ110-224.1НОднофазный амперметр МЭ110-224.1ММодуль ввода параметров электрической сети МЭ110-224.3М

Входы

Количество каналов измерения

1

1

1

3

Время опроса входа

не более 1 с

Измерение фазного напряжения

Входной сигнал

действующее значение

~(40…400) В, 45…65 Гц

~(1…400) В,

45…65 Гц

с использованием внешних трансформаторов напряжения

~(4×10-2…4×106) В, 45…65 Гц

~(1×10-3…4×106) В,

45…65 Гц

Максимально допустимое значение, не более 1 с

800 В

Основная приведенная погрешность

±0,5 %

±0,25 %

Разрешающая способность

0,1 В

Входное сопротивление

не менее

500 кОм

Измерение линейного напряжения (межфазного)

Входной сигнал

действующее значение

~(2…580) В,

45…65 Гц

с использованием внешних трансформаторов напряжения

~(2×10-3…5,8×106) В,

45…65 Гц

Максимально допустимое значение, не более 1 с

800 В

Основная приведенная погрешность

±0,5 %

Разрешающая способность

0,1 В

Входное сопротивление

не менее

500 кОм

Измерение силы тока

Входной сигнал

действующее значение

0,02…5 А

0,02…5 А

0,005…5 А

с использованием внешних трансформаторов тока

2×10-5…5×105 А

2×10-5…5×105 А

0,005×10-3…50×103 А

Максимально допустимое значение, не более 1 с

10 А

Основная приведенная погрешность

±0,5 %

±0,5 %

±0,25 %

Разрешающая способность

0,001 А

Входное сопротивление

не более

0,01 Ом

Измерение полной, активной и реактивной мощности

Входной сигнал

действующее значение

0,02…2 кВА (кВт, кВАр)

с использованием внешних трансформаторов напряжения/тока

8×10-5…2×104 кВА (кВт, кВАр)

2×10-7…2×1011 кВА (кВт, кВАр)

Основная приведенная погрешность

±1,0 %

±0,5 %

Разрешающая способность

1 кВА

(кВт, кВАр)

Измерение частоты первой гармоники

Действующая частота первой гармоники

45…65 Гц

Основная приведенная погрешность

±0,5 %

±0,15 %

Разрешающая способность

0,01 Гц

Измерение коэффициента мощности (cos φ)

Диапазон измерени (рабочем диапазоне мощности)

0…1

Основная погрешность

±2,0 %

при мощности

±3,0 %

при мощности ≥30 ВА

±1,0 %

Разрешающая способность

0,01

Измерение фазового угла

Диапазон измерения (рабочем диапазоне мощности)

10…170 °

Основная погрешность

±0,4 %

Разрешающая способность

1 °

Питание

Тип питания

универсальное ~230 В/=24 В

~230 В

Напряжение питания

переменное: ~90…264 В (номинальное ~230 В) частотой 47…63 Гц

или

постоянное: =18…30 В (номинальное =24 В)

переменное: ~90…264 В (номинальное ~230 В) частотой

47…63 Гц

Потребляемая мощность

не более 5 ВА

не более 4 ВА

не более 5 ВА

не более 7,5 ВА

Конструктивное исполнение

Габаритные размеры

(110×76×27) ±1 мм

(96×73×110) ±1 мм

Степень защиты

IP20

Монтаж

на DIN-рейку / на стену

Условия эксплуатации

Температура окружающего воздуха

-20…+55 °С

Относительная влажность воздуха (при +25 °С и ниже без конденсации влаги)

не более 80 %

Комплектность

Модуль

1 шт.

Паспорт и Гарантийный талон

1 экз.

Краткое руководство по эксплуатации

1 экз.

Схемы подключения

МЭ110-224.1Т

МЭ110-224.1Н

МЭ110-224.1М

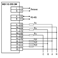
МЭ110-220.3М

Общий чертеж

Общий чертеж МЭ110-220.3М

Схема подключения прибора к однофазной сети

Схема подключения МЭ110-224.1Т к однофазной сетиСхема подключения МЭ110-224.1Н к однофазной сетиСхема подключения МЭ110-224.1М к однофазной сети

Схема подключения прибора к однофазной сети через согласующий трансформатор

Схема подключения МЭ110-224.1Т к однофазной сетиСхема подключения МЭ110-224.1Н к однофазной сети

Схема подключения МЭ110-224.1М к однофазной сети Схема подключения МЭ110-224.1М к однофазной сети Схема подключения МЭ110-224.1М к однофазной сети

Подключение прибора к трехфазной сети

Подключение прибора к трехфазной сети МЭ110-220.3М

Подключение прибора к трехфазной сети через согласующие трансформаторы

Подключение прибора к трехфазной сети МЭ110-220.3М
Развернуть полное описание
Доставка и оплата

ДОСТАВКА

Вы можете выбрать любой наиболее удобный способ из перечисленных ниже:

  • Самовывоз со склада компании ЭТАЛОНПРИБОР
  • Доставка через транспортную компанию "Деловые линии"
  • Доставка экспресс - почтой "ПОНИ-ЭКСПРЕСС" до двери
  • Доставка по Москве и области нашими экспедиторами и курьерами
  • Доставка через транспортную компанию "ПЭК"
  • Отправка посылкой с помощью Почты России
  • Доставка через транспортную компанию покупателя

Доставка до терминала ТК «Деловые линии» осуществляется нами бесплатно.

ОПЛАТА

Мы принимаем оплату:

  • по безналичному расчету
  • перечислением денежных средств на расчетный счет для юридических лиц
  • банковским переводом для физических.

Цены на поставляемые нами товар всегда ниже, чем у наших конкурентов.

Гарантия и возврат

Условия гарантийного обслуживания

  1. Гарантия действительна только при наличии гарантийного талона с указанием заводского номера изделия, гарантийного срока и печати поставщика.
  2. Гарантия предусматривает бесплатный ремонт изделия или замену запасных частей, комплектующих в течении гарантийного срока, указанного в гарантийном талоне.
  3. Заводской номер и наименование изделия должны соответствовать указанным в гарантийном талоне.
  4. Изделие снимается с гарантийного обслуживания в следующих случаях:
    1. Нарушения условий эксплуатации, изложенных в технической документации изделия, которые привели к выходу изделия из строя, включая неисправности, вызванные использованием нештатных аксессуаров;
    2. Нарушения гарантийных пломб, в случае наличия следов вскрытия или взлома корпуса изделия;
    3. Ремонта в неуполномоченном сервисном центре или самостоятельно (кроме элементов и источников питания, замена которых предусмотрена производителем);
    4. Использования изделия не по назначению;
    5. Нарушения правил хранения и транспортирования;
    6. Наличия внешних механических повреждений, включая повреждения разъёмов и контактов;
    7. Наличия внешних повреждений, вызванных стихией, пожаром, молнией, высоким напряжением;
    8. Попадания внутрь влаги, инородных предметов и т.п.
    9. Неправильном включении в сеть.
  5. Гарантия не распространяется на расходные материалы и прочие детали, имеющие ограниченный срок службы: элементы питания (в т.ч. аккумуляторы), имеющие ограниченную прочность.
  6. Недополученная в связи с появлением неисправности прибыль и другие косвенные расходы не подлежат возмещению.

Гарантия не распространяется на ущерб, причиненный другому оборудованию, работающему вместе с данным изделием.

Отзывы
Отзывы о товаре МЭ110-224.1Н
Сервис

Центр измерительной техники «Эталонприбор» располагает своим собственным ремонтным сервисом, где Вы можете получить услуги по: ремонту, наладке, калибровке, гарантийному и послегарантийному обслуживанию измерительного оборудования, как приобретенного у нас, так и у других поставщиков. Сервис работает на основе лицензии, выданной Ростехрегулированием РФ.

 
Подробнее
 
Сервисное обслуживание
Простой обмен и возврат
Поможем решить любую проблему с товаром
Собственный сервисный центр
Устраним любую неисправность по гарантии. Срок указан без учета логистики
Сервисы по всей России
Обращайтесь за обслуживанием в авторизованные сервисы производителя
Похожие товары
 
Полезные статьи
При выборе манометра необходимо учитывать ряд важных факторов, чтобы прибор подходил для конкретной системы.
Уровень влажности в помещении играет важную роль в формировании оптимальных условий для комфортного пребывания. Для определения этого параметра используются устройства, называемые гигрометрами. В этой статье мы расскажем, как выбрать подходящее оборудование такого типа для различных объектов.
Осциллограф — это прибор для наблюдения, измерения, записи и анализа амплитудных и временных характеристик электрического сигнала. Подаваемый на вход устройства, он отображается либо на экране, либо фиксируется на фотоленте для последующего изучения.
Если вы задумались о приобретении мультиметра, важно заранее ознакомиться с рядом полезных рекомендаций, которые помогут сделать правильный выбор. Мы подготовили небольшую статью, которая, надеемся, окажется полезной.
Цифровой тахометр — это прибор, предназначенный для измерения частоты вращения различных объектов, таких как валы, двигатели и роторы. В отличие от аналоговых моделей, цифровые тахометры обеспечивают высокую точность измерений и удобство использования благодаря современным технологиям и информативному дисплею. Они широко используются в самых разных отраслях: от автомобильного сервиса и промышленности до научных исследований и контроля вентиляционных систем.
Мегаомметр – это специализированный прибор, предназначенный для измерения сопротивления изоляции электрических цепей и оборудования. В условиях современного мира, где электричество играет ключевую роль во всех сферах жизни, обеспечение безопасности и надежности электрических систем становится особенно важным. От качества изоляции проводников и оборудования зависит не только эффективность их работы, но и безопасность людей и объектов, которые они обслуживают.
Измерительные приборы играют ключевую роль в различных отраслях, начиная от промышленности и строительства, заканчивая медициной и научными исследованиями. Правильная эксплуатация и уход за этими приборами являются залогом точных измерений и долговечности оборудования.
Осциллографы играют ключевую роль в современных лабораториях и на производственных предприятиях, являясь незаменимым инструментом для анализа и визуализации электрических сигналов. Независимо от того, являетесь ли вы инженером-электронщиком, студентом технического вуза или энтузиастом электроники, понимание принципов работы осциллографов, их видов и характеристик, а также правил эксплуатации и ухода за ними, имеет первостепенное значение.
Амперметр предназначен для измерения величины тока в электрических цепях, выраженной в амперах. В основе его работы лежит простой принцип: инструмент позволяет наглядно увидеть мощность тока, потребляемого устройствами, подключенными к сети. Обычно амперметр подключают в цепь с нагрузкой, поэтому ток, протекающий через него, идентичен току, проходящему через любой другой элемент цепи, будь то нагреватель, мотор или лампочка.
На этапах возведения, отделки и монтажа различных сооружений большую роль играют точность разметки и идеальное выравнивание. Достижение профессиональных стандартов качества возможно при использовании лазерного нивелира. Для выбора подходящей модели целесообразно ознакомиться с механизмом работы этих устройств.
Новинки
Недавно просмотренные