Модули предназначены для управления по сигналам из сети Ethernet встроенными дискретными выходными элементами, используемыми для подключения исполнительных механизмов с дискретным управлением, и сбора данных с дискретных входов модуля с передачей их в сеть Ethernet.
Коммуникационные возможности | |
Интерфейс обмена | Сдвоенный Ethernet 10/100 Mbit |
Интерфейс конфигурирования | USB 2.0 (MicroUSB), Ethernet (RJ-45) |
Протоколы обмена | Modbus TCP (до 4-х одновременных соединений) MQTT (в разработке) SNMP (в разработке) |
Настройка модулей Мx210 осуществляется с помощью конфигуратора, который поддерживает работу с группой модулей и позволяет оперативно получить доступ ко всем параметрам. Подключение осуществляется по интерфейсам Ethernet или USB (разъем типа microUSB). При подключении по USB внешнее питание модуля не требуется.

Полный состав линейки Мх210
Модификация | МК210-301 | МК210-311 | МК210-302 | МК210-312 | |
Входы/выходы | |||||
Количество входов/выходов | 6 DI / 8 DO | 12 DI / 4 DO | |||
Тип | входов |
|
| ||
выходов | электромагнитное реле | ||||
Характеристики дискретных входов (DI) | |||||
Гальваническая развязка входов | – | ||||
Режимы работы |
|
| |||
Макс. частота входного сигнала | определение логического уровня | 400 Гц | |||
подсчет числа импульсов | 400 Гц | 100 кГц (только 1 – 8 DI) | |||
измерение частоты | – | 100 кГц (только 1 – 8 DI) | |||
обработка сигналов энкодера | – | 100 кГц | |||
Мин. длительность импульса | 1 мс | 5 мкс (1 – 8 DI) | |||
25 мс (9 – 12 DI) | |||||
Напряжение питания входов | 24 ±3 В для транзисторных ключей Для «сухих контактов» питание не требуется! | 24±3 В
| |||
Сопротивление контактов (ключа) и соединительных проводов, подключаемых к дискретному входу | не более 100 Ом | – | |||
Ток «логической единицы» | – | не менее 5,5 мА | |||
Ток «логического нуля» | – | не более 1,2 мА | |||
Напряжение «логической единицы» | – | 9…30 В | |||
Напряжение «логического нуля» | – | 0…5,5 В | |||
Характеристики дискретных выходов (DO) | |||||
Гальваническая развязка выходов | поканальная, кроме 1 и 2 DO | поканальная | |||
Электрическая прочность | 1780 В | ||||
Режим работы |
| ||||
Ток коммутации | 5 А (при напряжении не более 250 В, 50 Гц и cosφ>0,4) 3 А (при постоянном напряжении не более 30 В) | ||||
Максимальное напряжение на контакты реле | 250 В переменного напряжения 30 В постоянного напряжения | ||||
Время включения | 15 мс | ||||
Время выключения | 15 мс | ||||
Контроль обрыва нагрузки | нет | есть | нет | есть | |
Максимальная частота ШИМ | 1 Гц | ||||
Минимальная длительность импульса ШИМ | 50 мс | ||||
Питание | |||||
Напряжение питания | =10…48 (номинальное =24) В | ||||
Потребляемая мощность | не более 6 Вт при питании =24 В | не более 5 Вт при питании =24 В | |||
Защита от переполюсовки | есть | ||||
Тип питания часов реального времени | батарея CR2032 | ||||
Конструктивное исполнение | |||||
Габаритные размеры | (123×83×42) ±1 мм | ||||
Степень защиты | IP20 | ||||
Монтаж | на DIN-рейку / на стену | ||||
Средний срок службы | 10 лет | ||||
Масса | не более 0,4 кг | ||||
Условия эксплуатации | |||||
Температура окружающего воздуха | -40…+55 °С | ||||
Относительная влажность воздуха (при +25 °С и ниже без конденсации влаги) | не более 80 % | ||||
Комплектность | |||||
Модуль | 1 шт. | ||||
Паспорт и гарантийный талон | 1 экз. | ||||
Краткое руководство по эксплуатации | 1 экз. | ||||
Кабель патч-корд UTP 5e 150 мм | 1 шт. | ||||
Клемма питания 2EGTK-5-02P-14 | 1 шт. | ||||
Заглушка Ethernet | 1 шт. | ||||
МК210-301 | МК210-311 | МК210-302 | МК210-312 |
Общий чертеж | |||
![]() |
| ||
Схема подключения внешних связей к дискретным выходам типа «реле» | |||
| |||
Схема подключения датчиков «сухие контакты» | |||
![]() | — | ||
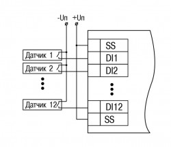
Схема подключения контактных датчиков | |||
— | ![]() | ||
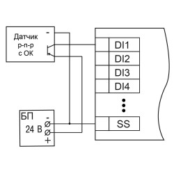
Схема подключения датчиков n-p-n типа | |||
— | ![]() | ||
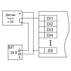
Схема подключения датчиков p-n-p типа | |||
— | ![]() | ||
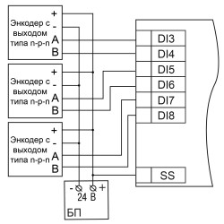
Схема подключения энкодера n-p-n типа | |||
— | ![]() | ||
Схема подключения энкодера p-n-p типа | |||
— | ![]() | ||
ДОСТАВКА
Вы можете выбрать любой наиболее удобный способ из перечисленных ниже:
Доставка до терминала ТК «Деловые линии» осуществляется нами бесплатно.
ОПЛАТА
Мы принимаем оплату:
Цены на поставляемые нами товар всегда ниже, чем у наших конкурентов.
Условия гарантийного обслуживания
Гарантия не распространяется на ущерб, причиненный другому оборудованию, работающему вместе с данным изделием.
Центр измерительной техники «Эталонприбор» располагает своим собственным ремонтным сервисом, где Вы можете получить услуги по: ремонту, наладке, калибровке, гарантийному и послегарантийному обслуживанию измерительного оборудования, как приобретенного у нас, так и у других поставщиков. Сервис работает на основе лицензии, выданной Ростехрегулированием РФ.
