по РФ бесплатно
пн-пт 9:00-18:00
пн-пт 9:00-18:00
по РФ бесплатно
Ваш город
Нет
Да
КОНТАКТНАЯ ИНФОРМАЦИЯ
Телефоны:8 (800) 777-30-09 (по РФ бесплатно), 8 (495) 748-30-09, 748-30-60, 664-28-44.
Адрес:141006, Московская обл., г. Мытищи, Олимпийский пр-т, д. 29, стр. 2, офис 43/1.
УВАЖАЕМЫЕ КЛИЕНТЫ!
Цены на сайте могут отличаться, просьба уточнять конечную стоимость у наших менеджеров!
TMM-540







МВ210-221

Цена:
15 311
Общая стоимость 0 руб.
В корзину
Купить в 1 клик
Нашли дешевле?
Снизим цену!
В избранное
Стоимость доставки от 800 ₽ (уточнять у менеджера)
Срок доставки: 2 - 10 дней при наличии товара на складе
Бесплатная доставка от 50000₽
Безналичный расчет для юридических лиц
Самовывоз со склада компании ЭТАЛОНПРИБОР
Более 350 брендов
Самые лучшие
цены
Техническая
документация
Быстрая доставка
по России
Сервисный
центр
  • Описание
  • Доставка и оплата
  • Гарантия и возврат
  • Отзывы
  • Сервис
Описание

Модули предназначены для сбора данных со встроенных дискретных входов и передачи их в сеть Ethernet.

Коммуникационные возможности

Интерфейс обмена

Сдвоенный Ethernet 10/100 Mbit

Интерфейс конфигурирования

USB 2.0 (MicroUSB), Ethernet (RJ-45)

Протоколы обмена

Modbus TCP (до 4-х одновременных соединений)

MQTT (в разработке)

SNMP (в разработке)

  • Входы могут работать в режимах: счетчика импульсов частотой до 100 кГц, измерения частоты до 100 кГц, обработки сигналов энкодера до 100 кГц (только МВ210-202)
  • Подключение дискретных сигналов ~230 В (только МВ210-221):
    • Определение наличия или отсутствия напряжения в сети
    • Диагностика обрыва фазы в трехфазной сети
    • Контроль чередования фаз
    • Подсчет наработки (моточасов)
    • Счетчик количества включений напряжения
    • Время последнего включения и выключения напряжения на входе
  • Сдвоенный 2-х портовый Ethernet-коммутатор
  • Поддержка технологии Ethernet Bypass позволяет передавать данные из одного порта в другой и не терять связь с остальными модулями при возникновении нештатной ситуации
  • Широкий диапазон рабочих температур: -40…+55 °С
  • Непрерывный профиль измерений во внутреннюю flash память (архив)
  • Поддержка облачного сервиса OwenCloud

Конфигурирование

Настройка модулей Мx210 осуществляется с помощью конфигуратора, который поддерживает работу с группой модулей и позволяет оперативно получить доступ ко всем параметрам. Подключение осуществляется по интерфейсам Ethernet или USB (разъем типа microUSB). При подключении по USB внешнее питание модуля не требуется.

Универсальный конфигуратор Мx210

Полный состав линейки Мх210

Основные технические характеристики

Модификация

МВ210-202

МВ210-204

МВ210-221

Входы

Количество входов

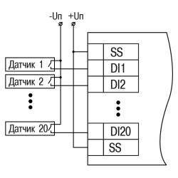
20 DI

9 + 6 DI

Тип входов

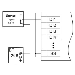
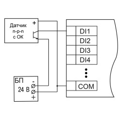
  • контактный датчик (требует внешнего питания =24 В)
  • датчик n-p-n и p-n-p типа
  • «сухой контакт» (не требует внешнего питания)
  • датчик n-p-n типа
  • ~230 В
  • «сухой контакт» (не требует внешнего питания)
  • датчик n-p-n типа

Характеристики дискретных входов (DI)

Гальваническая развязка входов

Режимы работы

  • определение логического уровня
  • подсчет числа высокочастотных импульсов (только 1 – 8 DI)
  • измерение частоты (только 1 – 8 DI)
  • обработка сигналов энкодера (до 3-х AB энкодеров)
  • определение логического уровня
  • подсчет числа импульсов

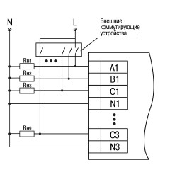
Для сигналов ~230 В:

  • определение наличия или отсутствия напряжения в сети
  • диагностика обрыва фазы в трехфазной сети
  • контроль чередования фаз
  • подсчет наработки (моточасов)
  • счетчик количества включений напряжения
  • время последнего включения и выключения напряжения на входе

Для сигналов =24 В:

  • определение логического уровня
  • подсчет числа импульсов

Макс. частота входного сигнала

определение логического уровня

400 Гц

подсчет числа импульсов

100 кГц (только 1 – 8 DI)

400 Гц

измерение частоты

100 кГц (только 1 – 8 DI)

обработка сигналов энкодера

100 кГц

Мин. длительность импульса

5 мкс (1 – 8 DI)

1 мс

1 мс (9 – 20 DI)

Сопротивление контактов (ключа) и соединительных проводов, подключаемых к дискретному входу

не более 100 Ом

Ток «логической единицы»

не менее 5,5 мА

Ток «логического нуля»

не более 1,2 мА

Напряжение «логической единицы»

8,8…30 В

Напряжение «логического нуля»

0…6,1 В

Питание

Напряжение питания

=10…48 (номинальное =24)В

Потребляемая мощность

не более 4 Вт при питании =24 В

не более 5 Вт при питании =24 В

Защита от переполюсовки

есть

Тип питания часов реального времени

батарея CR2032

Конструктивное исполнение

Габаритные размеры

(123×83×42)±1мм

Степень защиты

IP20

Монтаж

на DIN-рейку / на стену

Средний срок службы

10 лет

Масса

не более 0,4 кг

Условия эксплуатации

Температура окружающего воздуха

-40…+55 °С

Относительная влажность воздуха (при +25 °С и ниже без конденсации влаги)

не более 80 %

Комплектность

Модуль

1 шт.

Паспорт и гарантийный талон

1 экз.

Краткое руководство по эксплуатации

1 экз.

Кабель патч-корд UTP 5e 150 мм

1 шт.

Клемма питания 2EGTK-5-02P-14

1 шт.

Заглушка Ethernet

1 шт.

Схемы подключения

МВ210-202

МВ210-204

МВ210-221

Общий чертеж

Общий чертеж МВ210-202 и МВ210-204Общий чертеж МВ210-221

Схема подключения датчиков «сухие контакты»

-Схема подключения датчиков «сухие контакты»Схема подключения датчиков «сухие контакты»

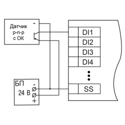
Схема подключения контактных датчиков

МВ210-202 схема подключения контактные датчики--

Схема подключения дискретных сигналов ~230 В

-

-

Однофазные цепиМВ210-221 схема подключения однофазные цепи

Трехфазные цепи

МВ210-221 схема подключения трехфазные цепи

Схема подключения датчиков n-p-n типа

Схема подключения датчиков n-p-n типаМВ210-204 схема подключения контактные датчики

Схема подключения датчиков p-n-p типа

Схема подключения датчиков p-n-p типа

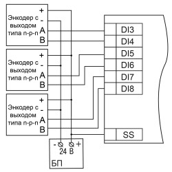
Схема подключения энкодера n-p-n типа

Схема подключения энкодера n-p-n типа

Схема подключения энкодера p-n-p типа

Схема подключения энкодера p-n-p типа

Развернуть полное описание
Доставка и оплата

ДОСТАВКА

Вы можете выбрать любой наиболее удобный способ из перечисленных ниже:

  • Самовывоз со склада компании ЭТАЛОНПРИБОР
  • Доставка через транспортную компанию "Деловые линии"
  • Доставка экспресс - почтой "ПОНИ-ЭКСПРЕСС" до двери
  • Доставка по Москве и области нашими экспедиторами и курьерами
  • Доставка через транспортную компанию "ПЭК"
  • Отправка посылкой с помощью Почты России
  • Доставка через транспортную компанию покупателя

Доставка до терминала ТК «Деловые линии» осуществляется нами бесплатно.

ОПЛАТА

Мы принимаем оплату:

  • по безналичному расчету
  • перечислением денежных средств на расчетный счет для юридических лиц
  • банковским переводом для физических.

Цены на поставляемые нами товар всегда ниже, чем у наших конкурентов.

Гарантия и возврат

Условия гарантийного обслуживания

  1. Гарантия действительна только при наличии гарантийного талона с указанием заводского номера изделия, гарантийного срока и печати поставщика.
  2. Гарантия предусматривает бесплатный ремонт изделия или замену запасных частей, комплектующих в течении гарантийного срока, указанного в гарантийном талоне.
  3. Заводской номер и наименование изделия должны соответствовать указанным в гарантийном талоне.
  4. Изделие снимается с гарантийного обслуживания в следующих случаях:
    1. Нарушения условий эксплуатации, изложенных в технической документации изделия, которые привели к выходу изделия из строя, включая неисправности, вызванные использованием нештатных аксессуаров;
    2. Нарушения гарантийных пломб, в случае наличия следов вскрытия или взлома корпуса изделия;
    3. Ремонта в неуполномоченном сервисном центре или самостоятельно (кроме элементов и источников питания, замена которых предусмотрена производителем);
    4. Использования изделия не по назначению;
    5. Нарушения правил хранения и транспортирования;
    6. Наличия внешних механических повреждений, включая повреждения разъёмов и контактов;
    7. Наличия внешних повреждений, вызванных стихией, пожаром, молнией, высоким напряжением;
    8. Попадания внутрь влаги, инородных предметов и т.п.
    9. Неправильном включении в сеть.
  5. Гарантия не распространяется на расходные материалы и прочие детали, имеющие ограниченный срок службы: элементы питания (в т.ч. аккумуляторы), имеющие ограниченную прочность.
  6. Недополученная в связи с появлением неисправности прибыль и другие косвенные расходы не подлежат возмещению.

Гарантия не распространяется на ущерб, причиненный другому оборудованию, работающему вместе с данным изделием.

Отзывы
Отзывы о товаре МВ210-221
Сервис

Центр измерительной техники «Эталонприбор» располагает своим собственным ремонтным сервисом, где Вы можете получить услуги по: ремонту, наладке, калибровке, гарантийному и послегарантийному обслуживанию измерительного оборудования, как приобретенного у нас, так и у других поставщиков. Сервис работает на основе лицензии, выданной Ростехрегулированием РФ.

 
Подробнее
 
Сервисное обслуживание
Простой обмен и возврат
Поможем решить любую проблему с товаром
Собственный сервисный центр
Устраним любую неисправность по гарантии. Срок указан без учета логистики
Сервисы по всей России
Обращайтесь за обслуживанием в авторизованные сервисы производителя
Похожие товары
 
Полезные статьи
При выборе манометра необходимо учитывать ряд важных факторов, чтобы прибор подходил для конкретной системы.
Уровень влажности в помещении играет важную роль в формировании оптимальных условий для комфортного пребывания. Для определения этого параметра используются устройства, называемые гигрометрами. В этой статье мы расскажем, как выбрать подходящее оборудование такого типа для различных объектов.
Осциллограф — это прибор для наблюдения, измерения, записи и анализа амплитудных и временных характеристик электрического сигнала. Подаваемый на вход устройства, он отображается либо на экране, либо фиксируется на фотоленте для последующего изучения.
Если вы задумались о приобретении мультиметра, важно заранее ознакомиться с рядом полезных рекомендаций, которые помогут сделать правильный выбор. Мы подготовили небольшую статью, которая, надеемся, окажется полезной.
Цифровой тахометр — это прибор, предназначенный для измерения частоты вращения различных объектов, таких как валы, двигатели и роторы. В отличие от аналоговых моделей, цифровые тахометры обеспечивают высокую точность измерений и удобство использования благодаря современным технологиям и информативному дисплею. Они широко используются в самых разных отраслях: от автомобильного сервиса и промышленности до научных исследований и контроля вентиляционных систем.
Мегаомметр – это специализированный прибор, предназначенный для измерения сопротивления изоляции электрических цепей и оборудования. В условиях современного мира, где электричество играет ключевую роль во всех сферах жизни, обеспечение безопасности и надежности электрических систем становится особенно важным. От качества изоляции проводников и оборудования зависит не только эффективность их работы, но и безопасность людей и объектов, которые они обслуживают.
Измерительные приборы играют ключевую роль в различных отраслях, начиная от промышленности и строительства, заканчивая медициной и научными исследованиями. Правильная эксплуатация и уход за этими приборами являются залогом точных измерений и долговечности оборудования.
Осциллографы играют ключевую роль в современных лабораториях и на производственных предприятиях, являясь незаменимым инструментом для анализа и визуализации электрических сигналов. Независимо от того, являетесь ли вы инженером-электронщиком, студентом технического вуза или энтузиастом электроники, понимание принципов работы осциллографов, их видов и характеристик, а также правил эксплуатации и ухода за ними, имеет первостепенное значение.
Амперметр предназначен для измерения величины тока в электрических цепях, выраженной в амперах. В основе его работы лежит простой принцип: инструмент позволяет наглядно увидеть мощность тока, потребляемого устройствами, подключенными к сети. Обычно амперметр подключают в цепь с нагрузкой, поэтому ток, протекающий через него, идентичен току, проходящему через любой другой элемент цепи, будь то нагреватель, мотор или лампочка.
На этапах возведения, отделки и монтажа различных сооружений большую роль играют точность разметки и идеальное выравнивание. Достижение профессиональных стандартов качества возможно при использовании лазерного нивелира. Для выбора подходящей модели целесообразно ознакомиться с механизмом работы этих устройств.
Новинки
Недавно просмотренные