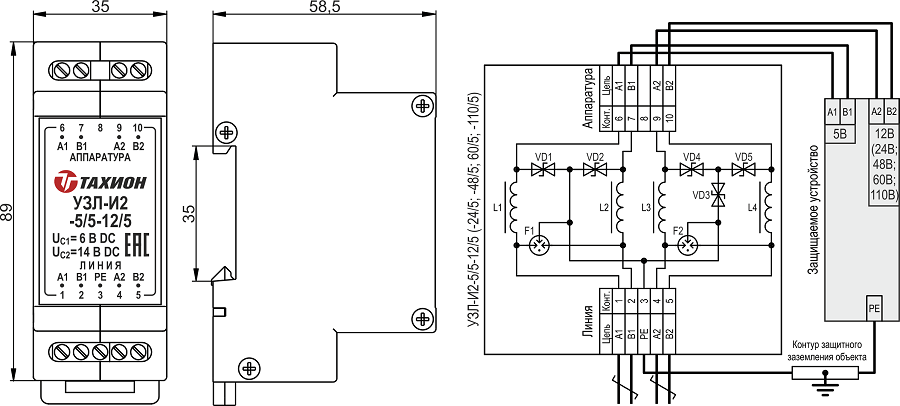
Устройство защиты интерфейсов с подачей питания УЗЛ-И2-5/5-60/5 с двумя каналами предназначено для защиты от импульсных перенапряжений (грозовых, электростатических разрядов и др.) оборудования промышленной автоматизации, диспетчеризации, систем безопасности, использующих 2х проводные линии интерфейса RS-485, RS-422, M-bus, CAN и их разновидностей, в пределах 2-3 зон молниезащиты (в соответствии с МЭК 61312-1). Устройство обеспечивает защиту интерфейса и передачу питания 5 В DC по каналу А1 В1 и 60 В DC по каналу А2 В2 по сигнальным парам с величиной тока до 5 А.
Защищаемое оборудование: контроллеры систем сигнализации и автоматизации, исполнительные устройства, системы телеметрии и учёта и т.д.
УЗЛ-И2-5/5-60/5 по техническим и эксплуатационным характеристикам удовлетворяют требованиям ГОСТ IEC 61643-21, ГОСТ IEC 61000-4-5. Степень защиты IP20 в соответствии с ГОСТ 14254. Конструктивно выполнено в пластмассовом корпусе с креплением на 35мм DIN-рейку. Выпускается по техническим условиям ТУ 26.30.50-077-31006686-2017.
| № п/п | Характеристика | Канал А1 В1 | Канал А2 В2 |
| 1 | Номинальное рабочее напряжение UN | 5 B | 60 B |
| 2 | Макс. длительное рабочее напряжение UС | 6 B | 72 В |
| 3 | Номинальный рабочий ток IN | 5 А | |
| 4 | С2 Номинальный ток разряда (8/20 мкс) In | 2 кА | |
| 5 | Максимальный ток разряда (8/20 мкс) IMAX | 10 кА | |
| 6 | С2 Уровень напряжения защиты UP при In | 15 B | 100 В |
| 7 | Максимальная имп. мощность рассеивания TVS-диодами Pppm | 3000 Вт | |
| 8 | Время срабатывания tA, не более | 10нс/100нс | |
| 9 | Вносимая в цепь индуктивность, не более | 10 мкГн | |
| 10 | Скорость передачи данных, не более | 1 Мбит / сек | |
| 11 | Сечение подключаемых проводов, не более | 2,5 мм2 | |
| 12 | Диапазон рабочих температур | – 55°С … +85°С | |
| 13 | Габаритные размеры | 89 х 58 х 35 мм | |
| 14 | Вес в упаковке | 90 г | |
| 15 | Категория испытаний по МЭК 61643-21 | А2, В2, С2, С3, D1 | |

ДОСТАВКА
Вы можете выбрать любой наиболее удобный способ из перечисленных ниже:
Доставка до терминала ТК «Деловые линии» осуществляется нами бесплатно.
ОПЛАТА
Мы принимаем оплату:
Цены на поставляемые нами товар всегда ниже, чем у наших конкурентов.
Условия гарантийного обслуживания
Гарантия не распространяется на ущерб, причиненный другому оборудованию, работающему вместе с данным изделием.
Центр измерительной техники «Эталонприбор» располагает своим собственным ремонтным сервисом, где Вы можете получить услуги по: ремонту, наладке, калибровке, гарантийному и послегарантийному обслуживанию измерительного оборудования, как приобретенного у нас, так и у других поставщиков. Сервис работает на основе лицензии, выданной Ростехрегулированием РФ.
