Осциллограф WM8Zi-PAM4 — надежный прибор для исследования параметров электросигналов. Он собран на современной элементной базе и демонстрирует высокую точность измерений независимо от условий. Подходит для тестирования и настройки широкого перечня электронных устройств. Конечные данные выводятся на экран в виде осциллограммы для удобства визуального контроля. Предусмотрена простая система настройки, все элементы управления расположены на передней панели, что ускоряет выполнение поставленных задач и позволяет оперативно реагировать на любые критические изменения в работе.
Осциллограф WM8Zi-PAM4 выполнен в компактном корпусе, который устойчив к ударам и негативному влиянию среды. Модель сертифицирована и рассчитана на длительную интенсивную эксплуатацию. TELEDYNE LeCroy — производитель с безупречной репутацией на рынке. Качество измерительной техники строго контролируется на каждом этапе, поэтому она является эталоном в отрасли.
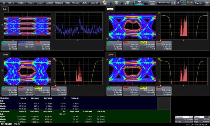
Пакет полного анализа сигналов PAM4 (амплитудно-импульсная модуляция с четырьмя уровнями амплитуды). Программный пакет позволяет измерять параметры глазковой диаграммы, прогнозировать закрытие в зависимости от BER. Измерения джиттера, разделение джиттера на детерминированную Dj и случайную Rj составляющие, анализ шума, общего джиттера и визуализации шума, составить графики IsoBER
ДОСТАВКА
Вы можете выбрать любой наиболее удобный способ из перечисленных ниже:
Доставка до терминала ТК «Деловые линии» осуществляется нами бесплатно.
ОПЛАТА
Мы принимаем оплату:
Цены на поставляемые нами товар всегда ниже, чем у наших конкурентов.
Условия гарантийного обслуживания
Гарантия не распространяется на ущерб, причиненный другому оборудованию, работающему вместе с данным изделием.
Центр измерительной техники «Эталонприбор» располагает своим собственным ремонтным сервисом, где Вы можете получить услуги по: ремонту, наладке, калибровке, гарантийному и послегарантийному обслуживанию измерительного оборудования, как приобретенного у нас, так и у других поставщиков. Сервис работает на основе лицензии, выданной Ростехрегулированием РФ.
