по РФ бесплатно
пн-пт 9:00-18:00
пн-пт 9:00-18:00
по РФ бесплатно
Ваш город
Нет
Да
КОНТАКТНАЯ ИНФОРМАЦИЯ
Телефоны:8 (800) 777-30-09 (по РФ бесплатно), 8 (495) 748-30-09, 748-30-60, 664-28-44.
Адрес:141006, Московская обл., г. Мытищи, Олимпийский пр-т, д. 29, стр. 2, офис 43/1.
УВАЖАЕМЫЕ КЛИЕНТЫ!
Цены на сайте могут отличаться, просьба уточнять конечную стоимость у наших менеджеров!
TMM-540


ПЧВ102-2К2-В

Цена:
34 500
Общая стоимость 0 руб.
В корзину
Купить в 1 клик
Нашли дешевле?
Снизим цену!
В избранное
Стоимость доставки от 800 ₽ (уточнять у менеджера)
Срок доставки: 2 - 10 дней при наличии товара на складе
Бесплатная доставка от 50000₽
Безналичный расчет для юридических лиц
Самовывоз со склада компании ЭТАЛОНПРИБОР
Более 350 брендов
Самые лучшие
цены
Техническая
документация
Быстрая доставка
по России
Сервисный
центр
  • Описание
  • Доставка и оплата
  • Гарантия и возврат
  • Отзывы
  • Сервис
Описание

Универсальная линейка частотных преобразователей может быть использована для управления приводами на базе асинхронных двигателей в промышленности и ЖКХ. Широкий набор функций для решения базовых задач частотного управления.

Основные функциональные возможности:

  • Плавный пуск и останов двигателя, в том числе отложенный запуск и пуск под нагрузкой по S-образной характеристике разгона;
  • Компенсация нагрузки и скольжения;
  • Вольт-частотный или векторный алгоритмы управления;
  • Автоматическая адаптация двигателя без вращения;
  • Автоматическая оптимизация энергопотребления, обеспечивающая высочайший уровень энергоэффективности;
  • Полная функциональная и аппаратная диагностика и защита работы ПЧВ;
  • Встроенный сетевой дроссель и дроссель в звене постоянного тока;
  • Встроенный ПИ-регулятор для управления в замкнутом контуре (поддержание давления, температуры, уровня и т.д.);
  • Встроенный ПЛК для решения сложных задач управления и позиционирования привода
  • Возможность работы с внешними инкрементальными энкодерами, в том числе для поддержания малых частот вращения с большой точностью.
  • Возможность динамического торможения, в том числе с применением тормозных резисторов.
  • Гибкая структура управления с возможностью одновременного управления по физическим входам и по интерфейсу RS-485, что обеспечивает удобную интеграцию в современные системы управления и диспетчеризации.
  • Простая настройка в русскоязычном конфигураторе или с использованием локальной панели оператора. Быстрые меню и готовые конфигурации под типовые задачи.
  • Питание 1×220 В (0,18…2,2 кВт) и 3×380 В (0,37…22 кВт);
  • Выходная частота до 400 Гц;
  • Диапазон регулирования до 1:1000;
  • Точность поддержания скорости до 0,1% от фактической;
  • Точность поддержания момента до 0,5% от фактического;

По электромагнитной совместимости ПЧ относятся к оборудованию класса А по ГОСТ Р 51522

ОВЕН ПЧВ1,2 будут лучшим решением в технологическом оборудовании, где применяется управляемый электропривод: станках, смесителях, производственных линиях, системах водоснабжения, вентиляции, дымососах, подъемно-транспортном и т.п. оборудовании.

Отличие линеек преобразователей частоты ПЧВ

Линейка компактных преобразователей частоты общепромышленного применения ОВЕН ПЧВ1/ПЧВ2Линейка преобразователей частоты для управления насосами и вентиляторами ОВЕН ПЧВ3
Преобразователь частоты ОВЕН ПЧВ1 и ПЧВ2Преобразователь частоты ОВЕН ПЧВ3
  1. Мощность до 22 кВт
  2. Вход для подключения инкрементальных энкодеров
  3. S-образная характеристика контроля частоты
  4. Тормозной транзистор (>1,5 кВт)
  1. Мощность до 90 кВт
  2. Встроенный входной дроссель
  3. Возможность управления синхронными двигателями
  4. «Спящий» режим
  5. Пожарный режим
  6. Контроль расхода
  7. Контроль натяжения ремня

Основные технические характеристики

Наименование

Значение

1

Питающая сеть

ПЧВ1

ПЧВ2

1 фаза, 200…240 В (0,18…2,2 кВт)

3 фазы, 380…480 В (0,37…4 кВт)

3 фазы, 380…480 В (5,5…22 кВт)

2

Выходное напряжение (U,V,W), %

0…100

3

Выходная частота, Гц

0…200 Гц(VC),

0…400 (U/F)

4

Цифровые входы,

в том числе импульсные

5

1

5

Аналоговые входы

2 (1 U/I, 1 I)

Аналоговые выходы

1 I

6

Релейные выходы

1 (240 В, 2 А)

7

Протокол RS-485

Modbus RTU

8

Встроенные источники питания

10 В/15 мА,

24 В/130 мА

9

Класс защиты корпуса

IP20

10

Вибропрочность

0,7g

11

Максимальная относительная влажность

95 % без конденсации влаги

12

Диапазон рабочих температур

0…40 ºС при номинальном выходном токе

-10…+50 ºС со снижением выходного тока

13

Температура при хранении и транспортировке

-20…+70 ºС

14

Максимальная длина экранированного кабеля двигателя

15 м

15

Максимальная длина неэкранированного кабеля двигателя

50 м

16

Перегрузочная способность

150 % (60 с)

17

Тормозной ключ

ПЧВ1

ПЧВ2

есть, от 1,5 кВт

есть

Таблица 1 - Номинальные значения входных и выходных токов серии ПЧВ1

Модификация

Номинальный входной

ток ПЧВ1, А

Номинальный выходной

ток ПЧВ1, А

ПЧВ101-К18-А

3,3

1,2

ПЧВ101-К37-А

6,1

2,2

ПЧВ101-К75-А

11,6

4,2

ПЧВ102-1К5-А

18,7

6,7

ПЧВ103-2К2-А

26,4

9,5

ПЧВ101-К37-В

1,9

1,1

ПЧВ101-К75-В

3,5

2,1

ПЧВ102-1К5-В

5,9

3,6

ПЧВ102-2К2-В

8,5

5,2

ПЧВ103-3К0-В

11,5

7,1

ПЧВ103-4К0-В

14,4

8,9

Таблица 2 - Номинальные значения входных и выходных токов серии ПЧВ2

Модификация

Номинальный входной

ток ПЧВ2, А

Номинальный выходной

ток ПЧВ2, А

ПЧВ203-5К5-В

19,2

11,9

ПЧВ203-7К5-В

24,8

15,3

ПЧВ204-11К-В

33,0

22,9

ПЧВ204-15К-В

42,0

30,7

ПЧВ205-18К-В

34,7

36,7

ПЧВ205-22К-В

41,2

42,5

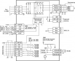
Схемы подключения

Клеммы управления в конфигурациях PNP и заводских установках параметров прибора
Схема электрических соединений всех клемм прибора

Примечания – Тормозной резистор следует подключить к клеммам 04 (BR-) и 05 (UDC/BR+).

Внимание! Между клеммами 05 (UDC+/BR+) и 06 (UDC) может присутствовать напряжение до 850 В. Между этими клеммами нет защиты от короткого замыкания!

Комплект поставки

  • Прибор ПЧВ1 и ПЧВ2
  • Руководство по программированию
  • Руководство по проектированию
  • Паспорт и руководство по эксплуатации
  • Гарантийный талон
Развернуть полное описание
Доставка и оплата

ДОСТАВКА

Вы можете выбрать любой наиболее удобный способ из перечисленных ниже:

  • Самовывоз со склада компании ЭТАЛОНПРИБОР
  • Доставка через транспортную компанию "Деловые линии"
  • Доставка экспресс - почтой "ПОНИ-ЭКСПРЕСС" до двери
  • Доставка по Москве и области нашими экспедиторами и курьерами
  • Доставка через транспортную компанию "ПЭК"
  • Отправка посылкой с помощью Почты России
  • Доставка через транспортную компанию покупателя

Доставка до терминала ТК «Деловые линии» осуществляется нами бесплатно.

ОПЛАТА

Мы принимаем оплату:

  • по безналичному расчету
  • перечислением денежных средств на расчетный счет для юридических лиц
  • банковским переводом для физических.

Цены на поставляемые нами товар всегда ниже, чем у наших конкурентов.

Гарантия и возврат

Условия гарантийного обслуживания

  1. Гарантия действительна только при наличии гарантийного талона с указанием заводского номера изделия, гарантийного срока и печати поставщика.
  2. Гарантия предусматривает бесплатный ремонт изделия или замену запасных частей, комплектующих в течении гарантийного срока, указанного в гарантийном талоне.
  3. Заводской номер и наименование изделия должны соответствовать указанным в гарантийном талоне.
  4. Изделие снимается с гарантийного обслуживания в следующих случаях:
    1. Нарушения условий эксплуатации, изложенных в технической документации изделия, которые привели к выходу изделия из строя, включая неисправности, вызванные использованием нештатных аксессуаров;
    2. Нарушения гарантийных пломб, в случае наличия следов вскрытия или взлома корпуса изделия;
    3. Ремонта в неуполномоченном сервисном центре или самостоятельно (кроме элементов и источников питания, замена которых предусмотрена производителем);
    4. Использования изделия не по назначению;
    5. Нарушения правил хранения и транспортирования;
    6. Наличия внешних механических повреждений, включая повреждения разъёмов и контактов;
    7. Наличия внешних повреждений, вызванных стихией, пожаром, молнией, высоким напряжением;
    8. Попадания внутрь влаги, инородных предметов и т.п.
    9. Неправильном включении в сеть.
  5. Гарантия не распространяется на расходные материалы и прочие детали, имеющие ограниченный срок службы: элементы питания (в т.ч. аккумуляторы), имеющие ограниченную прочность.
  6. Недополученная в связи с появлением неисправности прибыль и другие косвенные расходы не подлежат возмещению.

Гарантия не распространяется на ущерб, причиненный другому оборудованию, работающему вместе с данным изделием.

Отзывы
Отзывы о товаре ПЧВ102-2К2-В
Сервис

Центр измерительной техники «Эталонприбор» располагает своим собственным ремонтным сервисом, где Вы можете получить услуги по: ремонту, наладке, калибровке, гарантийному и послегарантийному обслуживанию измерительного оборудования, как приобретенного у нас, так и у других поставщиков. Сервис работает на основе лицензии, выданной Ростехрегулированием РФ.

 
Подробнее
 
Сервисное обслуживание
Простой обмен и возврат
Поможем решить любую проблему с товаром
Собственный сервисный центр
Устраним любую неисправность по гарантии. Срок указан без учета логистики
Сервисы по всей России
Обращайтесь за обслуживанием в авторизованные сервисы производителя
Похожие товары
 
Полезные статьи
При выборе манометра необходимо учитывать ряд важных факторов, чтобы прибор подходил для конкретной системы.
Уровень влажности в помещении играет важную роль в формировании оптимальных условий для комфортного пребывания. Для определения этого параметра используются устройства, называемые гигрометрами. В этой статье мы расскажем, как выбрать подходящее оборудование такого типа для различных объектов.
Осциллограф — это прибор для наблюдения, измерения, записи и анализа амплитудных и временных характеристик электрического сигнала. Подаваемый на вход устройства, он отображается либо на экране, либо фиксируется на фотоленте для последующего изучения.
Если вы задумались о приобретении мультиметра, важно заранее ознакомиться с рядом полезных рекомендаций, которые помогут сделать правильный выбор. Мы подготовили небольшую статью, которая, надеемся, окажется полезной.
Цифровой тахометр — это прибор, предназначенный для измерения частоты вращения различных объектов, таких как валы, двигатели и роторы. В отличие от аналоговых моделей, цифровые тахометры обеспечивают высокую точность измерений и удобство использования благодаря современным технологиям и информативному дисплею. Они широко используются в самых разных отраслях: от автомобильного сервиса и промышленности до научных исследований и контроля вентиляционных систем.
Мегаомметр – это специализированный прибор, предназначенный для измерения сопротивления изоляции электрических цепей и оборудования. В условиях современного мира, где электричество играет ключевую роль во всех сферах жизни, обеспечение безопасности и надежности электрических систем становится особенно важным. От качества изоляции проводников и оборудования зависит не только эффективность их работы, но и безопасность людей и объектов, которые они обслуживают.
Измерительные приборы играют ключевую роль в различных отраслях, начиная от промышленности и строительства, заканчивая медициной и научными исследованиями. Правильная эксплуатация и уход за этими приборами являются залогом точных измерений и долговечности оборудования.
Осциллографы играют ключевую роль в современных лабораториях и на производственных предприятиях, являясь незаменимым инструментом для анализа и визуализации электрических сигналов. Независимо от того, являетесь ли вы инженером-электронщиком, студентом технического вуза или энтузиастом электроники, понимание принципов работы осциллографов, их видов и характеристик, а также правил эксплуатации и ухода за ними, имеет первостепенное значение.
Амперметр предназначен для измерения величины тока в электрических цепях, выраженной в амперах. В основе его работы лежит простой принцип: инструмент позволяет наглядно увидеть мощность тока, потребляемого устройствами, подключенными к сети. Обычно амперметр подключают в цепь с нагрузкой, поэтому ток, протекающий через него, идентичен току, проходящему через любой другой элемент цепи, будь то нагреватель, мотор или лампочка.
На этапах возведения, отделки и монтажа различных сооружений большую роль играют точность разметки и идеальное выравнивание. Достижение профессиональных стандартов качества возможно при использовании лазерного нивелира. Для выбора подходящей модели целесообразно ознакомиться с механизмом работы этих устройств.
Новинки
Недавно просмотренные