Универсальная линейка частотных преобразователей может быть использована для управления приводами на базе асинхронных двигателей в промышленности и ЖКХ. Широкий набор функций для решения базовых задач частотного управления.
Основные функциональные возможности:
По электромагнитной совместимости ПЧ относятся к оборудованию класса А по ГОСТ Р 51522
ОВЕН ПЧВ1,2 будут лучшим решением в технологическом оборудовании, где применяется управляемый электропривод: станках, смесителях, производственных линиях, системах водоснабжения, вентиляции, дымососах, подъемно-транспортном и т.п. оборудовании.
| Линейка компактных преобразователей частоты общепромышленного применения ОВЕН ПЧВ1/ПЧВ2 | Линейка преобразователей частоты для управления насосами и вентиляторами ОВЕН ПЧВ3 |
![]() | ![]() |
|
|
№ | Наименование | Значение | |
1 | Питающая сеть | ПЧВ1 | ПЧВ2 |
1 фаза, 200…240 В (0,18…2,2 кВт) 3 фазы, 380…480 В (0,37…4 кВт) | 3 фазы, 380…480 В (5,5…22 кВт) | ||
2 | Выходное напряжение (U,V,W), % | 0…100 | |
3 | Выходная частота, Гц | 0…200 Гц(VC), 0…400 (U/F) | |
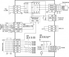
4 | Цифровые входы, в том числе импульсные | 5 | |
1 | |||
5 | Аналоговые входы | 2 (1 U/I, 1 I) | |
| Аналоговые выходы | 1 I | |
6 | Релейные выходы | 1 (240 В, 2 А) | |
7 | Протокол RS-485 | Modbus RTU | |
8 | Встроенные источники питания | 10 В/15 мА, 24 В/130 мА | |
9 | Класс защиты корпуса | IP20 | |
10 | Вибропрочность | 0,7g | |
11 | Максимальная относительная влажность | 95 % без конденсации влаги | |
12 | Диапазон рабочих температур | 0…40 ºС при номинальном выходном токе -10…+50 ºС со снижением выходного тока | |
13 | Температура при хранении и транспортировке | -20…+70 ºС | |
14 | Максимальная длина экранированного кабеля двигателя | 15 м | |
15 | Максимальная длина неэкранированного кабеля двигателя | 50 м | |
16 | Перегрузочная способность | 150 % (60 с) | |
17 | Тормозной ключ | ПЧВ1 | ПЧВ2 |
есть, от 1,5 кВт | есть | ||
Модификация | Номинальный входной ток ПЧВ1, А | Номинальный выходной ток ПЧВ1, А |
ПЧВ101-К18-А | 3,3 | 1,2 |
ПЧВ101-К37-А | 6,1 | 2,2 |
ПЧВ101-К75-А | 11,6 | 4,2 |
ПЧВ102-1К5-А | 18,7 | 6,7 |
ПЧВ103-2К2-А | 26,4 | 9,5 |
ПЧВ101-К37-В | 1,9 | 1,1 |
ПЧВ101-К75-В | 3,5 | 2,1 |
ПЧВ102-1К5-В | 5,9 | 3,6 |
ПЧВ102-2К2-В | 8,5 | 5,2 |
ПЧВ103-3К0-В | 11,5 | 7,1 |
ПЧВ103-4К0-В | 14,4 | 8,9 |
Модификация | Номинальный входной ток ПЧВ2, А | Номинальный выходной ток ПЧВ2, А |
ПЧВ203-5К5-В | 19,2 | 11,9 |
ПЧВ203-7К5-В | 24,8 | 15,3 |
ПЧВ204-11К-В | 33,0 | 22,9 |
ПЧВ204-15К-В | 42,0 | 30,7 |
ПЧВ205-18К-В | 34,7 | 36,7 |
ПЧВ205-22К-В | 41,2 | 42,5 |


Примечания – Тормозной резистор следует подключить к клеммам 04 (BR-) и 05 (UDC/BR+).
Внимание! Между клеммами 05 (UDC+/BR+) и 06 (UDC) может присутствовать напряжение до 850 В. Между этими клеммами нет защиты от короткого замыкания!
ДОСТАВКА
Вы можете выбрать любой наиболее удобный способ из перечисленных ниже:
Доставка до терминала ТК «Деловые линии» осуществляется нами бесплатно.
ОПЛАТА
Мы принимаем оплату:
Цены на поставляемые нами товар всегда ниже, чем у наших конкурентов.
Условия гарантийного обслуживания
Гарантия не распространяется на ущерб, причиненный другому оборудованию, работающему вместе с данным изделием.
Центр измерительной техники «Эталонприбор» располагает своим собственным ремонтным сервисом, где Вы можете получить услуги по: ремонту, наладке, калибровке, гарантийному и послегарантийному обслуживанию измерительного оборудования, как приобретенного у нас, так и у других поставщиков. Сервис работает на основе лицензии, выданной Ростехрегулированием РФ.
