Новая линейка ПЧВ3 имеет расширенные функциональные возможности, меньшие массогабаритные характеристики, увеличенный диапазон мощностей. Помимо стандартного исполнения ПЧВ3 со степенью защиты корпуса IP20 новая линейка включает 17 модификаций частотных преобразователей в диапазоне мощностей от 0,75 до 90 кВт со степенью защиты корпуса IP54. Такие преобразователи частоты могут быть установлены в помещениях с повышенным пыле- и влагообразованием без использования шкафа управления, что значительно упрощает монтаж оборудования, не требует создания системы принудительной вентиляции и снижает общие затраты на систему автоматизации.
Функционал линейки ПЧВ3 заточен под наиболее популярные HVAC-применения, обеспечивая в том числе:
Вместе с тем линейка сохранила и даже расширила возможности общепромышленных ПЧ, поэтому может быть с успехом использована в большинстве задач управления промышленным приводом за исключением случаев точного позиционирования и больших динамических перегрузок. Примерами таких применений могут служить смесители, дозаторы, ременные приводы, конвейеры и т.п.
Аксессуары необходимы только для модификаций ПЧВ3 и приобретаются отдельно.
Полный перечень аксессуаров и подробное описание
Локальная панель оператора ЛПО3

Съемная локальная панель оператора ЛПО3 предназначена для программирования и индикации значений параметров работы прибора. Запрограммированный прибор может функционировать без ЛПО3, поэтому партия из нескольких приборов может комплектоваться одной ЛПО3.
Преимущества ЛПО:
Примечание.
Съемная локальная панель оператора ЛПО3 для модификаций ПЧВ3 приобретается отдельно.
Для модификаций ПЧВ3 IP54 локальная панель оператора ЛПО3 является несъемной частью корпуса.
Крышка КО3


Служит для повышения защиты корпуса ПЧВ до степени IP21, надежного закрепления сетевых и моторных кабелей и механической защиты от прикосновения к силовым клеммам. Различаются размерами для соответствующих корпусов.
Примечание.
Съемная крышка КО3 для модификаций ПЧВ3 приобретается отдельно.
Для модификаций ПЧВ3 IP54 локальная крышка КО3 не нужна.
Кабельная панель ПК3

Служит для надежного закрепления сетевых и моторных кабелей, гальванического подключения оболочек бронированных кабелей к заземляющей клемме ПЧВ. Принцип действия состоит в подавлении помех путем отвода их энергии на клемму заземления. Крепится к клемме заземления в нижней части корпуса ПЧВ. Различаются размерами для соответствующих корпусов.
Примечание.
Кабельная панель ПК3 для модификаций ПЧВ3 приобретается отдельно.
Для модификаций ПЧВ3 IP54 кабельная панель ПК3 не нужна.
| Линейка компактных преобразователей частоты общепромышленного применения ОВЕН ПЧВ1/ПЧВ2 | Линейка преобразователей частоты для управления насосами и вентиляторами ОВЕН ПЧВ3 |
![]() | ![]() |
|
|
№ | Наименование | Значение |
1 | Питающая сеть | 3 фазы, 200…240 В (0,25…11 кВт) 3 фазы, 380…480 В (0,37…90 кВт) |
2 | Выходное напряжение (U,V,W), % | 0…100 |
3 | Выходная частота, Гц | 0…200 Гц(VC), 0…400 (U/F) |
4 | Цифровые входы, в том числе импульсные | 4 |
- | ||
5 | Аналоговые входы | 2 U/I (0…10 В/4…20 мА) |
| Аналоговые выходы | 2 I (4…20 мА) |
6 | Релейные выходы | 2 (240 В, 2 А) |
7 | Протокол RS-485 | Modbus RTU, FLN, Metasys; BACnet MSTP |
8 | Встроенные источники питания | 10 В/25 мА 24 В/80 мА |
9 | Класс защиты корпуса | IP20 |
10 | Вибропрочность | 1,0g |
11 | Максимальная относительная влажность | 95 % без конденсации влаги |
12 | Диапазон рабочих температур | 0…40 ºС при номинальном выходном токе -20…+50 ºС со снижением выходного тока |
13 | Температура при хранении и транспортировке | -30… +70 ºС |
14 | Максимальная длина экранированного кабеля двигателя | 25 м |
15 | Максимальная длина неэкранированного кабеля двигателя | 50 м |
16 | Перегрузочная способность | 110 % (60 с), 135% (1 с) |
17 | Тормозной ключ | нет |
Модификация ПЧВ3 | Входной ток ПЧВ3, А | Выходной ток ПЧВ3, А |
ПЧВ3-К25-Б | 1,5 | 1,5 |
ПЧВ3-К37-Б | 2,0 | 2,2 |
ПЧВ3-К75-Б | 3,5 | 4,2 |
ПЧВ3-1К5-Б | 6,5 | 6,8 |
ПЧВ3-2К2-Б | 10,0 | 9,6 |
ПЧВ3-3К7-Б | 16,0 | 15,2 |
ПЧВ3-5К5-Б | 24,0 | 22 |
ПЧВ3-7К5-Б | 32,0 | 28 |
ПЧВ3-11К-Б | 45,0 | 42 |
ПЧВ3-К37-В | 1,5 | 1,2 |
ПЧВ3-К75-В, ПЧВ3-К75-В-54 | 3,0 | 2,2 |
ПЧВ3-1К5-В, ПЧВ3-1К5-В-54 | 4,0 | 3,7 |
ПЧВ3-2К2-В, ПЧВ3-2К2-В-54 | 5,5 | 5,3 |
ПЧВ3-3К0-В, ПЧВ3-3К0-В-54 | 7,2 | 7 |
ПЧВ3-4К0-В, ПЧВ3-4К0-В-54 | 9,5 | 9,1 |
ПЧВ3-5К5-В, ПЧВ3-5К5-В-54 | 13,0 | 12 |
ПЧВ3-7К5-В, ПЧВ3-7К5-В-54 | 17,0 | 15,5 |
ПЧВ3-11К-В, ПЧВ3-11К-В-54 | 25,0 | 23 |
ПЧВ3-15К-В, ПЧВ3-15К-В-54 | 33,0 | 31 |
ПЧВ3-18К-В, ПЧВ3-18К-В-54 | 39,0 | 37 |
ПЧВ3-22К-В, ПЧВ3-22К-В-54 | 46,0 | 42,5 |
ПЧВ3-30К-В, ПЧВ3-30К-В-54 | 63,0 | 61 |
ПЧВ3-37К-В, ПЧВ3-37К-В-54 | 77,0 | 73 |
ПЧВ3-45К-В, ПЧВ3-45К-В-54 | 93,0 | 90 |
ПЧВ3-55К-В, ПЧВ3-55К-В-54 | 113,0 | 106 |
ПЧВ3-75К-В, ПЧВ3-75К-В-54 | 154,0 | 147 |
ПЧВ3-90К-В, ПЧВ3-90К-В-54 | 182,0 | 177 |

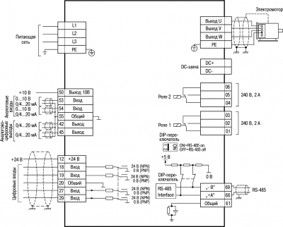
Схема электрических соединений всех клемм прибора
Внимание! Между клеммами UDC+/BR+) и 06 (UDC) может присутствовать напряжение до 850 В. Между этими клеммами нет защиты от короткого замыкания!
Примечание - В модификациях ПЧВ3, мощностью, от 30 кВт до 90 кВт выводы DC-шины (DC+ и DC-) не предусмотрены.
ДОСТАВКА
Вы можете выбрать любой наиболее удобный способ из перечисленных ниже:
Доставка до терминала ТК «Деловые линии» осуществляется нами бесплатно.
ОПЛАТА
Мы принимаем оплату:
Цены на поставляемые нами товар всегда ниже, чем у наших конкурентов.
Условия гарантийного обслуживания
Гарантия не распространяется на ущерб, причиненный другому оборудованию, работающему вместе с данным изделием.
Центр измерительной техники «Эталонприбор» располагает своим собственным ремонтным сервисом, где Вы можете получить услуги по: ремонту, наладке, калибровке, гарантийному и послегарантийному обслуживанию измерительного оборудования, как приобретенного у нас, так и у других поставщиков. Сервис работает на основе лицензии, выданной Ростехрегулированием РФ.
