по РФ бесплатно
пн-пт 9:00-18:00
пн-пт 9:00-18:00
по РФ бесплатно
Ваш город
Нет
Да
КОНТАКТНАЯ ИНФОРМАЦИЯ
Телефоны:8 (800) 777-30-09 (по РФ бесплатно), 8 (495) 748-30-09, 748-30-60, 664-28-44.
Адрес:141006, Московская обл., г. Мытищи, Олимпийский пр-т, д. 29, стр. 2, офис 43/1.
УВАЖАЕМЫЕ КЛИЕНТЫ!
Цены на сайте могут отличаться, просьба уточнять конечную стоимость у наших менеджеров!
TMM-540


ИСКРА-ТП.02

Цена:
2 760
Общая стоимость 0 руб.
В корзину
Купить в 1 клик
Нашли дешевле?
Снизим цену!
В избранное
Стоимость доставки от 800 ₽ (уточнять у менеджера)
Срок доставки: 2 - 10 дней при наличии товара на складе
Бесплатная доставка от 50000₽
Безналичный расчет для юридических лиц
Самовывоз со склада компании ЭТАЛОНПРИБОР
Более 350 брендов
Самые лучшие
цены
Техническая
документация
Быстрая доставка
по России
Сервисный
центр
  • Описание
  • Доставка и оплата
  • Гарантия и возврат
  • Отзывы
  • Сервис
Описание

Барьер искрозащиты ОВЕН ИСКРА устанавливается в электрической цепи, связывающей датчик, находящийся во взрывоопасной зоне, и вторичный преобразователь (прибор), расположенный во взрывобезопасной зоне. Барьер обеспечивает искрозащиту электрической цепи датчика путем ограничения значений напряжения и тока до искробезопасных.

Барьеры искрозащиты ОВЕН ИСКРА применяются в системах регулирования, сигнализации и аварийной защиты на взрывопожароопасных участках, где могут присутствовать взрывоопасные смеси газов, паров, а также легковоспламеняющиеся и взрывчатые вещества (пыль, порошок).

Барьер ИСКРА относится к связанному электрооборудованию, реализует вид взрывозащиты «искробезопасная электрическая цепь» – i, сертифицирован на уровень взрывозащиты «особовзрывозащищенный» – a и категорию IIC в соответствии с ГОСТ Р 51330.10-99 (МЭК 600791496) и имеет маркировку взрывозащищенности [Exia IIС].

Барьер искрозащиты предназначен для защиты искробезопасных цепей при воздействии на барьер напряжения до 250 В и устанавливается вне взрывоопасной зоны с обязательным искрозащитным заземлением. Барьер относится к устройствам пассивного типа.

  • Ограничение напряжения и тока в цепи до искробезопасных значений при воздействии на барьер напряжения до 250 В
  • Барьеры имеют икробезопасные цепи уровня «ia» (особовзрывобезопасные)
  • Пригодны для наиболее взрывоопасных нерудничных сред, например – водород, ацетилен (группа IIC)
  • Высокая надежность взрывозащиты, обеспеченная схемным решением:
    • троирование полупроводниковых элементов, ограничивающих напряжение;
    • двухступенчатая система «гашения» аварийного напряжения: первая ступень (на TVS-диодах) «срезает» мощные выбросы напряжения, вторая (на стабилитронах) – снижает напряжение до искробезопасного значения.

Барьеры ИСКРА выпускаются в трех модификациях для различных типов датчиков

  • ИСКРА-АТ.02 – барьер искрозащитыдля датчиков с выходным сигналом тока 0...5 мА, 0(4)...20 мА:
    • широкий диапазон напряжений питания датчиков с выходным токовым сигналом (до 28 В);
    • выдерживает кратковременное (до 1 мин) короткое замыкание на выходных клеммах без срабатывания предохранителей;
    • не требует повторного выключения и включения питания в случае кратковременного короткого замыкания на выходных клеммах.
  • ИСКРА-ТП.02 – барьер искрозащитыдля термопар и датчиков с выходным сигналом напряжения –1...+1 В:
    • возможность работы с источниками напряжения до 6 В.
  • ИСКРА-ТС.02 – барьер искрозащиты для термосопротивлений типа ТСМ/ТСП:
    • низкая погрешность барьера (до 0,1 % от диапазона измерений) вследствие точного подбора сопротивлений резисторов и предохранителей;
    • малое переходное сопротивление «кабель-барьер», обеспеченное соединением проводов «под винт».

Основные технические характеристики

Предел допустимой основной погрешности

не более 0,1 % от диапазона измерений*

Дополнительная температурная составляющая погрешности барьера
при изменении температуры в диапазоне от +1 до +50 °С

не более 0,002 % на 1 °С от диапазона измерений

Тип корпуса

крепления на DIN-рейку 35 мм

Степень защиты корпуса

IP20

Габаритные размеры

110×76×27 мм

Масса барьера

не более 0,3 кг

Выходные искробезопасные параметры

Параметр

Искра-АТ.02

Искра-ТП.02

Искра-ТС.02

Напряжение холостого хода U0, В

31,8

6,8

10,2

Ток короткого замыкания I0, мА

88

100

200

Максимальная внешняя емкость С0, мкФ

0,05

17,9

2,75

Максимальная внешняя индуктивность L0, мГн

0,1

0,15

3,0

Условия эксплуатации

Температура окружающего воздуха

+1...50 °С

Атмосферное давление

86...106,7 кПа

Относительная влажность воздуха (при 25 °С и ниже без конденсации влаги)

не более 80 %

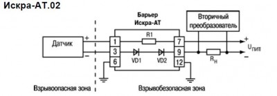
Схемы подключения

ИСКРА-АТ.02
ИСКРА-ТП.02
ИСКРА-ТС.02

Модификация барьера ИСКРА

Типы датчиков, работающих совместно с барьером ИСКРА

ИСКРА-АТ.02

Датчики с унифицированным токовым сигналом

0…5 мА, 0…20 мА, 4…20 мА
Используется с источником постоянного напряжения:

– макс. выходное напряжение 28 В,

– выходной ток 40 мА.

Максимальное сопротивление нагрузки:

Схемы подключения

где Uпит – напряжение источника питания, В;

Uд.min – минимально допустимое напряжение питания датчика, В;

Iд – верхняя граница диапазона токов датчика, мА

ИСКРА-ТП.02

Источники напряжения с диапазоном –1…+1 В, в том числе:

– термопары ТХК(L), ТХА(K), ТМК(T), ТПП(S), ТПП(R), ТНН(N), ТЖК(J), ТВР(A-1), ТВР(A-2), ТВР(A-3)

– датчики с унифицированным сигналом напряжения –50…+50 мВ, 0…±1 В

Сопротивление каждой цепи около 110 Ом.

Входное сопротивление вторичного преобразователя – не менее 1 МОм

ИСКРА-ТС.02

Термосопротивления

ТСМ 50М, ТСМ 100М, ТСП 50П, ТСП 100П, Pt500, Pt1000

Комплект поставки

  1. Прибор ИСКРА
  2. Паспорт и руководство по эксплуатации
  3. Гарантийный талон
Развернуть полное описание
Доставка и оплата

ДОСТАВКА

Вы можете выбрать любой наиболее удобный способ из перечисленных ниже:

  • Самовывоз со склада компании ЭТАЛОНПРИБОР
  • Доставка через транспортную компанию "Деловые линии"
  • Доставка экспресс - почтой "ПОНИ-ЭКСПРЕСС" до двери
  • Доставка по Москве и области нашими экспедиторами и курьерами
  • Доставка через транспортную компанию "ПЭК"
  • Отправка посылкой с помощью Почты России
  • Доставка через транспортную компанию покупателя

Доставка до терминала ТК «Деловые линии» осуществляется нами бесплатно.

ОПЛАТА

Мы принимаем оплату:

  • по безналичному расчету
  • перечислением денежных средств на расчетный счет для юридических лиц
  • банковским переводом для физических.

Цены на поставляемые нами товар всегда ниже, чем у наших конкурентов.

Гарантия и возврат

Условия гарантийного обслуживания

  1. Гарантия действительна только при наличии гарантийного талона с указанием заводского номера изделия, гарантийного срока и печати поставщика.
  2. Гарантия предусматривает бесплатный ремонт изделия или замену запасных частей, комплектующих в течении гарантийного срока, указанного в гарантийном талоне.
  3. Заводской номер и наименование изделия должны соответствовать указанным в гарантийном талоне.
  4. Изделие снимается с гарантийного обслуживания в следующих случаях:
    1. Нарушения условий эксплуатации, изложенных в технической документации изделия, которые привели к выходу изделия из строя, включая неисправности, вызванные использованием нештатных аксессуаров;
    2. Нарушения гарантийных пломб, в случае наличия следов вскрытия или взлома корпуса изделия;
    3. Ремонта в неуполномоченном сервисном центре или самостоятельно (кроме элементов и источников питания, замена которых предусмотрена производителем);
    4. Использования изделия не по назначению;
    5. Нарушения правил хранения и транспортирования;
    6. Наличия внешних механических повреждений, включая повреждения разъёмов и контактов;
    7. Наличия внешних повреждений, вызванных стихией, пожаром, молнией, высоким напряжением;
    8. Попадания внутрь влаги, инородных предметов и т.п.
    9. Неправильном включении в сеть.
  5. Гарантия не распространяется на расходные материалы и прочие детали, имеющие ограниченный срок службы: элементы питания (в т.ч. аккумуляторы), имеющие ограниченную прочность.
  6. Недополученная в связи с появлением неисправности прибыль и другие косвенные расходы не подлежат возмещению.

Гарантия не распространяется на ущерб, причиненный другому оборудованию, работающему вместе с данным изделием.

Отзывы
Отзывы о товаре ИСКРА-ТП.02
Сервис

Центр измерительной техники «Эталонприбор» располагает своим собственным ремонтным сервисом, где Вы можете получить услуги по: ремонту, наладке, калибровке, гарантийному и послегарантийному обслуживанию измерительного оборудования, как приобретенного у нас, так и у других поставщиков. Сервис работает на основе лицензии, выданной Ростехрегулированием РФ.

 
Подробнее
 
Сервисное обслуживание
Простой обмен и возврат
Поможем решить любую проблему с товаром
Собственный сервисный центр
Устраним любую неисправность по гарантии. Срок указан без учета логистики
Сервисы по всей России
Обращайтесь за обслуживанием в авторизованные сервисы производителя
Похожие товары
 
Полезные статьи
При выборе манометра необходимо учитывать ряд важных факторов, чтобы прибор подходил для конкретной системы.
Уровень влажности в помещении играет важную роль в формировании оптимальных условий для комфортного пребывания. Для определения этого параметра используются устройства, называемые гигрометрами. В этой статье мы расскажем, как выбрать подходящее оборудование такого типа для различных объектов.
Осциллограф — это прибор для наблюдения, измерения, записи и анализа амплитудных и временных характеристик электрического сигнала. Подаваемый на вход устройства, он отображается либо на экране, либо фиксируется на фотоленте для последующего изучения.
Если вы задумались о приобретении мультиметра, важно заранее ознакомиться с рядом полезных рекомендаций, которые помогут сделать правильный выбор. Мы подготовили небольшую статью, которая, надеемся, окажется полезной.
Цифровой тахометр — это прибор, предназначенный для измерения частоты вращения различных объектов, таких как валы, двигатели и роторы. В отличие от аналоговых моделей, цифровые тахометры обеспечивают высокую точность измерений и удобство использования благодаря современным технологиям и информативному дисплею. Они широко используются в самых разных отраслях: от автомобильного сервиса и промышленности до научных исследований и контроля вентиляционных систем.
Мегаомметр – это специализированный прибор, предназначенный для измерения сопротивления изоляции электрических цепей и оборудования. В условиях современного мира, где электричество играет ключевую роль во всех сферах жизни, обеспечение безопасности и надежности электрических систем становится особенно важным. От качества изоляции проводников и оборудования зависит не только эффективность их работы, но и безопасность людей и объектов, которые они обслуживают.
Измерительные приборы играют ключевую роль в различных отраслях, начиная от промышленности и строительства, заканчивая медициной и научными исследованиями. Правильная эксплуатация и уход за этими приборами являются залогом точных измерений и долговечности оборудования.
Осциллографы играют ключевую роль в современных лабораториях и на производственных предприятиях, являясь незаменимым инструментом для анализа и визуализации электрических сигналов. Независимо от того, являетесь ли вы инженером-электронщиком, студентом технического вуза или энтузиастом электроники, понимание принципов работы осциллографов, их видов и характеристик, а также правил эксплуатации и ухода за ними, имеет первостепенное значение.
Амперметр предназначен для измерения величины тока в электрических цепях, выраженной в амперах. В основе его работы лежит простой принцип: инструмент позволяет наглядно увидеть мощность тока, потребляемого устройствами, подключенными к сети. Обычно амперметр подключают в цепь с нагрузкой, поэтому ток, протекающий через него, идентичен току, проходящему через любой другой элемент цепи, будь то нагреватель, мотор или лампочка.
На этапах возведения, отделки и монтажа различных сооружений большую роль играют точность разметки и идеальное выравнивание. Достижение профессиональных стандартов качества возможно при использовании лазерного нивелира. Для выбора подходящей модели целесообразно ознакомиться с механизмом работы этих устройств.
Новинки
Недавно просмотренные