Преобразователь термоэлектрический ТХК-2588 предназначен для измерения температуры жидких и газообразных, химически неагрессивных сред, в различных отраслях промышленности.
| Рабочий диапазон измеряемых температур, С | от -40 до +600 |
| Литерное обозначение НСХ преобразования (ГОСТ 3044) | L |
| Класс (ГОСТ 6616) | 2 |
| Количество рабочих спаев | 1 или 2 |
| Показатель тепловой инерции, с | не более 40 |
| Материал защитной арматуры | сталь 12Х18Н10Т |
| Материал головки | сплав алюминиевый |
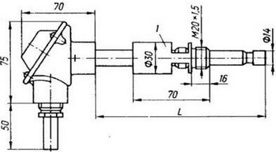
| Габаритные размеры (L, мм) | 800 630 500 400 320 250 200 160 120 |

Рис.1. Габаритные размеры преобразователя термоэлектрического ТХК-2588
ДОСТАВКА
Вы можете выбрать любой наиболее удобный способ из перечисленных ниже:
Доставка до терминала ТК «Деловые линии» осуществляется нами бесплатно.
ОПЛАТА
Мы принимаем оплату:
Цены на поставляемые нами товар всегда ниже, чем у наших конкурентов.
Условия гарантийного обслуживания
Гарантия не распространяется на ущерб, причиненный другому оборудованию, работающему вместе с данным изделием.
Центр измерительной техники «Эталонприбор» располагает своим собственным ремонтным сервисом, где Вы можете получить услуги по: ремонту, наладке, калибровке, гарантийному и послегарантийному обслуживанию измерительного оборудования, как приобретенного у нас, так и у других поставщиков. Сервис работает на основе лицензии, выданной Ростехрегулированием РФ.
