Термопреобразователь сопротивления ТСП-1290В предназначен для измерения температуры воздуха в помещениях атомных электростанций.
| Рабочий диапазон измеряемых температур, С | от -50 до +100 | |
| Условное обозначение НСХ преобразования (ГОСТ 6651) | ||
| 50П | |
| Класс допуска (ГОСТ 6651) | ||
| В | |
| Схематическое изображение соединений (ГОСТ 6651) | 2 | |
| Показатель тепловой инерции, с, не более | 120 | |
| Условное давление измеряемой среды Pу, МПа | 0,4 | |
| Материал защитной арматуры элемента чувствительного | сталь 12Х18Н10Т | |
| Материал корпуса | прессматериал АГ-4В | |
| Термопреобразователи водозащищенного исполнения. | ||
| Устойчивость к механическим воздействиям | виброустойчивые, вибропрочные, удароустойчивые, ударопрочные, сейсмоустойчивые, сейсмопрочные | |

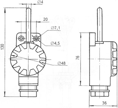
Рис.1. Габаритный чертеж термопреобразователя сопротивления ТСП-1290В
Термоэлектрические преобразователи сопротивления серии ТСП-1290В предназначаются для атомных электростанций.
Устройства осуществляют замеры температур воздуха в диапазоне -50…+100С.
Устройства обладают габаритными размерами, которые подробно отображены в чертеже.
Термопреобразователи отличаются водозащитным исполнением, виброустойчивостью и ударопрочностью.
ДОСТАВКА
Вы можете выбрать любой наиболее удобный способ из перечисленных ниже:
Доставка до терминала ТК «Деловые линии» осуществляется нами бесплатно.
ОПЛАТА
Мы принимаем оплату:
Цены на поставляемые нами товар всегда ниже, чем у наших конкурентов.
Условия гарантийного обслуживания
Гарантия не распространяется на ущерб, причиненный другому оборудованию, работающему вместе с данным изделием.
Центр измерительной техники «Эталонприбор» располагает своим собственным ремонтным сервисом, где Вы можете получить услуги по: ремонту, наладке, калибровке, гарантийному и послегарантийному обслуживанию измерительного оборудования, как приобретенного у нас, так и у других поставщиков. Сервис работает на основе лицензии, выданной Ростехрегулированием РФ.
