Совместим с NT Cloud. 380В, Ном. ток двигателя до 315кВт (внешние Т/Т - в комплект не входят) , счетчики мото-часов, электроэнергии, ж/к экран, исполнение Din-рейка, Modbus выход Micro USB . Диаметр диф. трансформатора (d=45мм) в комплекте
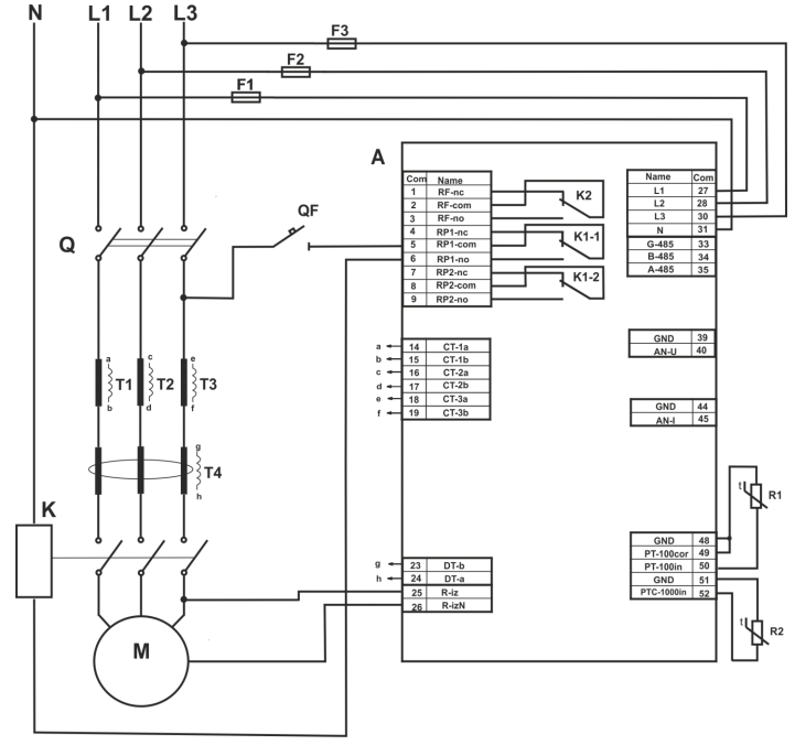
УБЗ предназначен для защиты асинхронных электродвигателей мощностью от 2,5 до 315 кВт при использовании внешних стандартных токовых трансформаторов с выходным током 5 А.
УБЗ может работать в сетях как с изолированной, так и глухозаземленной нейтралью.
Исполнение прибора – DIN-рейка.
УБЗ обеспечивает постоянный контроль параметров сетевого напряжения, действующих значений фазных (линейных) токов трехфазного электрооборудования 380 В 50 Гц и проверку значения сопротивления изоляции электродвигателей.
УБЗ обеспечивает защиту электродвигателей при:
- некачественном сетевом напряжении (недопустимые скачки напряжения, обрыв фаз, нарушение чередования и слипание фаз, перекос фазных/линейных напряжений, снижение частоты сети ниже заданной и (или) повышение частоты сети выше заданной);
- механических перегрузках (симметричный перегруз по фазным/линейным токам);
- превышении порога током обратной последовательности;
- несимметрии фазных токов без перегруза, связанной с нарушением изоляции внутри двигателя и/или подводящего кабеля (сравнение коэффициента несимметрии тока по обратной последовательности с коэффициентом несимметрии напряжения по обратной последовательности);
- исчезновении момента на валу электродвигателя («сухой ход» - для насосов) – защита по минимальному пусковому и/или рабочему току;
- затянутом пуске двигателя или блокировке ротора;
- недопустимо низком уровне изоляции между статором и корпусом двигателя (проверка перед включением);
- замыкании на «землю» обмотки статора во время работы – защита по токам утечки на «землю»;
- тепловой перегрузке двигателя;
- перегреве обмоток (определяется температура обмоток при использовании встроенных в двигатель температурных датчиков или температура корпуса при использовании внешних температурных датчиков).

ДОСТАВКА
Вы можете выбрать любой наиболее удобный способ из перечисленных ниже:
Доставка до терминала ТК «Деловые линии» осуществляется нами бесплатно.
ОПЛАТА
Мы принимаем оплату:
Цены на поставляемые нами товар всегда ниже, чем у наших конкурентов.
Условия гарантийного обслуживания
Гарантия не распространяется на ущерб, причиненный другому оборудованию, работающему вместе с данным изделием.
Совместим с NT Cloud. 380В, Ном. ток двигателя до 315кВт (внешние Т/Т - в комплект не входят) , счетчики мото-часов, электроэнергии, ж/к экран, исполнение Din-рейка, Modbus выход Micro USB . Диаметр диф. трансформатора (d=45мм) в комплекте
Центр измерительной техники «Эталонприбор» располагает своим собственным ремонтным сервисом, где Вы можете получить услуги по: ремонту, наладке, калибровке, гарантийному и послегарантийному обслуживанию измерительного оборудования, как приобретенного у нас, так и у других поставщиков. Сервис работает на основе лицензии, выданной Ростехрегулированием РФ.
