Прибор МНС1 предназначен для защитного отключения электрооборудования, в частности электродвигателей компрессоров холодильных агрегатов, при возникновении аварийных ситуаций.
Прибор выпускается в корпусе с креплением на DIN-рейку типа Д.
Напряжение питания | 160...280 В 50 Гц |
Потребляемая мощность | не более 15 ВА |
Допустимый диапазон значений сопротивления позисторного датчика температуры | 0,8...15 кОм |
Заданное время задержки включения реле после аварии | 3; 6 или 9 мин |
Заданная зона допустимого отклонения контролируемого напряжения сети | –12...+12 % Uном. или –12...+20 % Uном. |
Заданное время задержки срабатывания защитного отключения | 2,5; 5 или 7,5 с |
Тип корпуса | Д (DIN-реечный) |
Габаритные размеры | 72×88×54 мм |
Степень защиты корпуса | IP20 со стороны передней панели |
Температура окружающего воздуха | +1...+50 °С |
Атмосферное давление | 86...106,7 кПа |
Относительная влажность воздуха (при 35 °С) | 30...80 % |

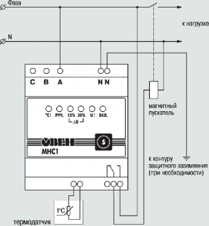
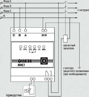
МНС1 может контролировать напряжение как в однофазной (220 В 50 Гц), так и в трехфазной (220/380 В 50 Гц) сети с нулевым проводом.
Для контроля напряжения пользователем устанавливается номинальное напряжение сети, зона допустимого отклонения, время задержки срабатывания аварийного отключения электродвигателя и время задержки его включения.
При выходе значения напряжения за допустимые пределы МНС1 по истечении заданного времени осуществляет защитное отключение электродвигателя и сигнализирует о возникновении аварийной ситуации.
При возврате значения напряжения в допустимые пределы по истечении заданного времени включения МНС1 осуществляет пуск электродвигателя.
При включении напряжения в трехфазной сети в паузу перед запуском, при неправильном чередовании, «слипании» фаз или обрыве фазы МНС1 осуществляет немедленное защитное отключение электрооборудования.
Контроль температуры осуществляется по сигналам внешнего датчика позисторного типа, установленного на объекте (например, в обмотке статора защищаемого электродвигателя). Параметры срабатывания и отпускания защиты по температуре вводятся пользователем в прибор при программировании.
При превышении заданной температуры срабатывания термозащиты МНС1 осуществляет немедленное отключение электродвигателя и сигнализирует о возникновении аварийной ситуации.
Повторный пуск электродвигателя может осуществляться по выбору пользователя в автоматическом или ручном режиме. В автоматическом режиме МНС1 формирует команду пуска электродвигателя при снижении температуры до значения, находящегося ниже точки отпускания термозащиты. Пуск происходит по истечении заданного времени включения. В ручном режиме повторный запуск двигателя осуществляется оператором.
При необходимости канал защиты по температуре в МНС1 может быть отключен.
Перед началом работы необходимо задать параметры работы прибора. Заданные параметры сохраняются в энергонезависимой памяти прибора и остаются неизменными при выключении питания.
Программирование прибора осуществляется с помощью кнопки на передней панели.
Переход от процедуры к процедуре программирования осуществляется перемычками внутри прибора.

Кнопкой можно оперативно переключить во время работы зону допуска напряжения или режим ручного/автоматического включения после перегрева. | |
| Светодиод «°С!» | Светится при превышении температуры объекта установленного значения, а мигает при нахождении температуры в зоне гистерезиса или ниже ее. |
| Светодиод «РУЧ» | Сигнализирует о ручном режиме включения реле после перегрева. |
| Светодиод «ВКЛ» | Сигнализирует постоянной засветкой о включении реле. |
Светодиод «U!» | Короткими вспышками отмечает 5-ти секундные циклы измерения, а постоянным свечением – выход напряжения за зону допуска. Мигание с различной частотой говорит о нахождении напряжения в зоне гистерезиса или повторного включения после перегрузки. |
| Светодиоды ΔU «12%» и «20%» | Показывают выбранную зону допуска напряжения. Попеременное свечение диодов говорит о неисправности сети. Синхронное мигание – об отсчете Твкл.U. |


ДОСТАВКА
Вы можете выбрать любой наиболее удобный способ из перечисленных ниже:
Доставка до терминала ТК «Деловые линии» осуществляется нами бесплатно.
ОПЛАТА
Мы принимаем оплату:
Цены на поставляемые нами товар всегда ниже, чем у наших конкурентов.
Условия гарантийного обслуживания
Гарантия не распространяется на ущерб, причиненный другому оборудованию, работающему вместе с данным изделием.
Центр измерительной техники «Эталонприбор» располагает своим собственным ремонтным сервисом, где Вы можете получить услуги по: ремонту, наладке, калибровке, гарантийному и послегарантийному обслуживанию измерительного оборудования, как приобретенного у нас, так и у других поставщиков. Сервис работает на основе лицензии, выданной Ростехрегулированием РФ.
