Прибор ПКП1 предназначен для управления и контроля работой задвижек и затворов и для защиты их механизмов и электропроводов при заклинивании без применения концевых выключателей. ПКП1 с успехом используется, например, в системе «Водоканал».
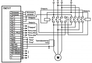
ПКП1Т – прибор предназначен для управления и контроля положением задвижки по времени ее перемещения и току, потребляемому электродвигателем. Схему подключения прибора можно посмотреть здесь.
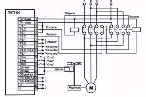
ПКП1И – прибор предназначен для управления и контроля положением задвижки по числу оборотов вала и периоду следования импульсов, поступающих с датчика на валу задвижки. Схему подключения прибора можно посмотреть здесь.
Прибор измерения и контроля ПКП1 выпускается в корпусах двух типов: настенном Н и щитовом Щ1.
В комплект поставки контрольно-измерительного прибора ПКП1 бесплатно входит: OPC-сервер, драйвер для работы со SCADA-системой TRACE MODE, библиотеки WIN DLL.
Номинальное напряжение питания | 220 В частотой 50 Гц |
Допустимое отклонение номинального напряжения | –15…+10 % |
Тип датчика: | |
– ПКП1Т | трансформатор тока N (5A) (см. ГОСТ 7746-89) |
– ПКП1И | геркон, датчик Холла, активный датчик |
Контроль перемещения задвижки: | |
– ПКП1Т | по времени (5...999,9 с) |
– ПКП1И | по числу импульсов (до 9999 с) |
Время задержки срабатывания по току | 0,1...10 с |
Максимально допустимый ток нагрузки: | |
– э/м реле управления привода | 3 А при 220 В, cos φ > 0,4 |
– э/м реле сигнализации состояний | 3 А при 220 В, cos φ > 0,4 |
Дополнительный модуль | с токовым выходом 4...20 мА или |
Количество разрядов индикации: | 4 |
Габаритные размеры и степень защиты корпуса | |
– настенный (Н) | 130×105×65 мм, IP44 |
– щитовой (Щ1) | 96×96×70 мм, IP54 со стороны передней панели |
Температура окружающего воздуха | +1...+50 °С |
Атмосферное давление | 86...106,7 кПа |
Относительная влажность воздуха (при 35 °С) | не более 80 % |

Оператор может управлять положением задвижки:
Входы 1...3 обеспечивают гальваническую развязку между кнопками и прибором.
ПКП1Т. Для контроля тока, потребляемого электроприводом задвижки, используется стандартный измерительный трансформатор тока, например, Т-0, 66-УЗ, подключаемый ко входу 4.
ПКП1И. Ко входу 4 подключается датчик импульсов, установленный на валу задвижки:
Блок управления (БУ) ПКП1 позволяет автоматически отключать электродвигатель при достижении задвижкой крайнего (концевого) положения без при менения концевых выключателей.
ПКП1Т. При поступлении внешнего сигнала на открытие или закрытие задвижки БУ отслеживает значение силы тока с трансформатора тока и время, отсчитываемое таймером. На время пускового момента сигнал, поступающий с трансформатора, блоком управления игнорируется.
Определение концевого положения может осуществляться одним из трех способов:
Два первых способа определения концевого положения позволяют плотно закрывать задвижку, определять открытое положение в зависимости от ее конструктивных особенностей. Третий способ позволяет управлять некоторыми типами задвижек, не допускающих механических перегрузок в концевых положениях.
ПКП1 сигнализирует о достигнутом задвижкой концевом положении, включая реле 4, если задвижка закрыта, или реле 5, если она открыта. Реле 1 или 2 при этом выключается.
ПКП1И. Определение концевых положений происходит аналогичным образом, но БУ отслеживает значение периода следования импульсов, поступающих от датчика, и их число. отключение электродвигателя.
Блок управления ПКП1 определяет аварийную ситуацию, при этом выключает управление приводом, включает реле «Авария» и мигание индикатора при:
В начале работы ПКП1 запускает таймер, отсчитывающий время движения задвижки и вычисляет процент ее открытия.
Любой из этих двух параметров (время движения или процент окрытия задвижки) можно вывести на индикатор прибора.
ПКП1 имеет два выходных реле для управления задвижкой (реле 1 и 2), два реле для имитации концевых выключателей (реле 4 и 5) и реле 3 для аварийной сигнализации.
Кроме того, в ПКП1 по желанию заказчика может быть установлен модуль, формирующий унифицированный токовый сигнал 4...20 мА, пропорциональный степени открытия задвижки, или модуль интерфейса связи с ЭВМ RS-485.
Для настройки прибора на объекте задают способ определения концевых положений и временные параметры хода задвижки. Зная рабочий ток двигателя электропривода, необходимо задать параметры защитного отключения.
Заданные параметры сохраняются в энергонезависимой памяти прибора и остаются неизменными при выключении питания.
Программирование прибора осуществляется кнопками, расположенными на передней панели. Для предотвращения несанкционированного доступа к изменению параметров установлена защита.

Индикаторы:
Индикаторы «ЗАКР» и «ОТКР» постоянным свечением сигнализируют о достижении
соответствующих концевых положений задвижки.
Индикатор «Авария» сигнализирует об аварийной блокировке управлением задвижки.
Индикатор «Перегруз» сигнализирует об аварийной ситуации «Перегрузка».
Индикатор «Скольжен» сигнализирует об аварийной ситуации «Скольжение».
Индикатор «ДУ»:
| Комбинации кнопок | Алгоритм работы |
![]() | «длительное нажатие» – вход в режим «ПРОГРАММИРОВАНИЕ» |
![]() | подача команды на открытие задвижки, если включено РУ |
![]() | подача команды на закрытие задвижки, если включено РУ |
| подача команды на останов задвижки, если включено РУ | |
| «длительное нажатие» – снятия сигнала «Авария» | |
![]() | сброс текущего положения задвижки в положение «закрыта» |
![]() | сброс текущего положения задвижки в положение «открыта» |
| переключение режима управления «РУ»/ «ДУ» |


ДОСТАВКА
Вы можете выбрать любой наиболее удобный способ из перечисленных ниже:
Доставка до терминала ТК «Деловые линии» осуществляется нами бесплатно.
ОПЛАТА
Мы принимаем оплату:
Цены на поставляемые нами товар всегда ниже, чем у наших конкурентов.
Условия гарантийного обслуживания
Гарантия не распространяется на ущерб, причиненный другому оборудованию, работающему вместе с данным изделием.
Центр измерительной техники «Эталонприбор» располагает своим собственным ремонтным сервисом, где Вы можете получить услуги по: ремонту, наладке, калибровке, гарантийному и послегарантийному обслуживанию измерительного оборудования, как приобретенного у нас, так и у других поставщиков. Сервис работает на основе лицензии, выданной Ростехрегулированием РФ.
