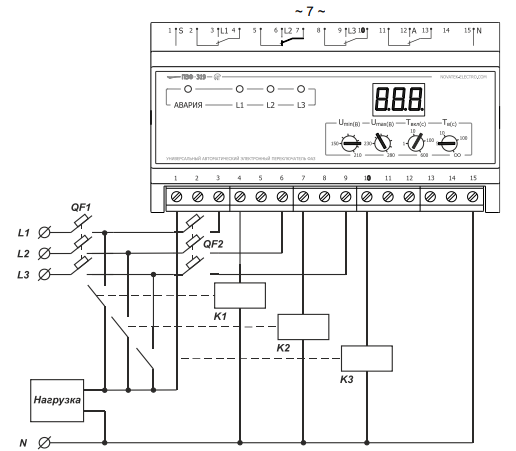
Переключатель фаз (из 3 фаз выбирает одну) 32А прямое включение, либо через пускатели, индикация (9 DIN)
Переключатель фаз ПЭФ 319 – это резервный источник энергоснабжения, защищающий бытовое и промышленное оборудование от обрывов линий и некачественного напряжения. С его помощью осуществляется мгновенный переход на резервное питание.
Автоматический переключатель фаз ПЭФ 319 выбирает фазу, параметры которой находятся в пределах нормы. Благодаря встроенному микроконтроллеру ПЭФ 319 анализирует состояние энергосети и отображает полученные сведения на индикаторе. При этом, потребитель может даже не заметить, что на линии произошел обрыв.
Реле выбора фаз ПЭФ 319 позволяет устанавливать приоритетную фазу, на которую будет переходить основная нагрузка. После стабилизации состояния энергосети устройство возвращается в исходное положение. Текущее напряжение по каждой фазе можно увидеть на индикаторе. Если нагрузка в первой фазе выходит за установленные пороговые значения, ПЭФ-319 переключается на следующую. При желании можно настроить временную задержку в переключении от одной линии к другой.
Для установки параметров реле напряжения ПЭФ 319 необходимо:


ДОСТАВКА
Вы можете выбрать любой наиболее удобный способ из перечисленных ниже:
Доставка до терминала ТК «Деловые линии» осуществляется нами бесплатно.
ОПЛАТА
Мы принимаем оплату:
Цены на поставляемые нами товар всегда ниже, чем у наших конкурентов.
Условия гарантийного обслуживания
Гарантия не распространяется на ущерб, причиненный другому оборудованию, работающему вместе с данным изделием.
Переключатель фаз (из 3 фаз выбирает одну) 32А прямое включение, либо через пускатели, индикация( 9 DIN)
Центр измерительной техники «Эталонприбор» располагает своим собственным ремонтным сервисом, где Вы можете получить услуги по: ремонту, наладке, калибровке, гарантийному и послегарантийному обслуживанию измерительного оборудования, как приобретенного у нас, так и у других поставщиков. Сервис работает на основе лицензии, выданной Ростехрегулированием РФ.
