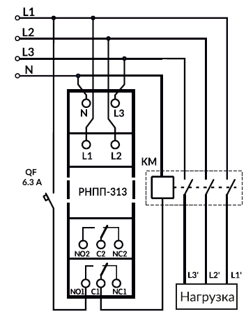
Реле напряжения, перекоса и последовательности фаз РНПП-313 предназначено для отключения нагрузки 400 В 50 Гц при:
РАБОТА ИЗДЕЛИЯ
РНПП-313 постоянно контролирует значения напряжений в трехфазной сети, сопоставляя их с заводскими уставками.
Изделие отключит нагрузку, если значение напряжения выйдет за пределы.
РНПП-313 имеет одну регулируемую уставку времени задержки срабатывания защиты по перекосу фаз.

ДОСТАВКА
Вы можете выбрать любой наиболее удобный способ из перечисленных ниже:
Доставка до терминала ТК «Деловые линии» осуществляется нами бесплатно.
ОПЛАТА
Мы принимаем оплату:
Цены на поставляемые нами товар всегда ниже, чем у наших конкурентов.
Условия гарантийного обслуживания
Гарантия не распространяется на ущерб, причиненный другому оборудованию, работающему вместе с данным изделием.
380В , ОДНОМОДУЛЬНОЕ реле последовательности, перекоса и обрыва фаз, настройка % перекоса фаз, с фикисированными настройками (НОВИНКА)
Центр измерительной техники «Эталонприбор» располагает своим собственным ремонтным сервисом, где Вы можете получить услуги по: ремонту, наладке, калибровке, гарантийному и послегарантийному обслуживанию измерительного оборудования, как приобретенного у нас, так и у других поставщиков. Сервис работает на основе лицензии, выданной Ростехрегулированием РФ.
