Краткое описание
380В, Ном. ток двигателя -5-50А (трансформаторы тока (Т/Т) в комплекте) Диаметр диф. трансформатора (d=100мм) ЗАКАЗНАЯ ПОЗИЦИЯ
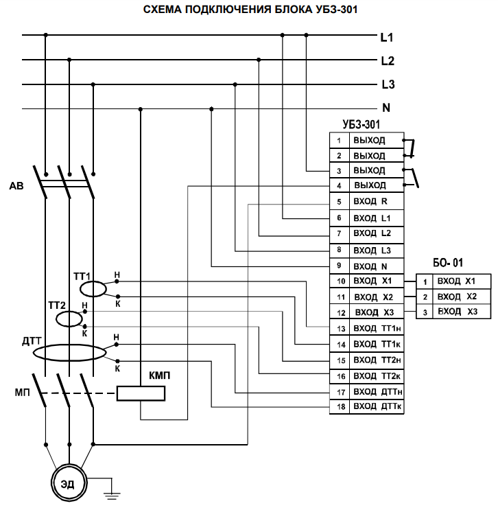
Универсальный блок защиты электродвигателей УБЗ-301 предназначен для постоянного контроля параметров сетевого напряжения и действующих значений фазных/линейных токов трехфазного электрооборудования 380 В/50 Гц, в первую очередь, асинхронных электродвигателей (ЭД), мощностью от 2,5 кВт до 315 кВт, в том числе и в сетях с изолированной нейтралью.
Основные характеристики:
- Ном. ток двигателя: от 5-50 А
- Внешние трансф. тока: в комплекте
- Индикация: светодиоды
- Кол-во защит: 7
- Исполнение: Дин-рейка
- Габаритные размеры: четыре модуля типа S
- Масса, не более: 0,2 кг
- Гарантия: 10 лет
Варианты модификаций:
1) УБЗ-301 5-50А - (внутренний диаметр дифференциального трансформатора тока 45 мм (в комплекте) - стандартная модификация
2) УБЗ-301 5-50А - (внутренний диаметр дифференциального трансформатора тока 100 мм (в комплекте) - по запросу
3) УБЗ-301 5-50А - (внутренний диаметр дифференциального трансформатора тока 120 мм (в комплекте) - по запросу
Выпускаются три модификации прибора по номиналам тока:
- УБЗ-301 5-50A;
- УБЗ-301 10-100A;
- УБЗ-301 63-630A.
Осуществляет полную и эффективную защиту электрооборудования отключением от сети и/или блокированием его пуска в следующих случаях:
- некачественном сетевом напряжении (недопустимые скачки напряжения, обрыв фаз, нарушение чередования и слипания фаз, перекос фазных/линейных напряжений);
- механических перегрузках (симметричный перегруз по фазным/линейным токам) — защита от перегруза с зависимой выдержкой времени;
- несимметричных перегрузок по фазным/линейным токам, связанных с повреждениями внутри двигателя — защита от перекосов фазных токов с последующим запретом АПВ;
- асимметрии фазных токов без перегруза, связанных с нарушением изоляции внутри двигателя и/или подводящего кабеля;
- исчезновении момента на валу ЭД («сухой ход» — для насосов) — защита по минимальному пусковому и/или рабочему току;
- при недопустимо низком уровне изоляции на корпус — проверка перед включением с блокировкой пуска при плохой изоляции;
- замыкании на «землю» обмотки статора во время работы — защита по токам утечки на «землю».
Блок обеспечивает защиту электрооборудования путем управления катушкой магнитного пускателя (контактора).
Выполняет следующие функции:
- простую и точную установку номинального тока ЭД, используя стандартную шкалу номинальных токов;
- установку рабочего тока ЭД, отличного от стандартных значений с учетом длительно допустимой перегрузки;
- срабатывание по перегрузу с зависимой выдержкой времени. Токо-временная характеристика приведена на рис. 2. Эта характеристика построена для условно холодного двигателя. В процессе работы решается дифференциальное уравнение теплового баланса ЭД. Такой подход позволяет учитывать предыдущее состояние ЭД и наиболее достоверно принимать решение о наличии тепловой перегрузки. Этот метод позволяет также учесть нагрев ЭД при пусках и ограничить (по желанию заказчика) их число в единицу времени;
- возможность сдвигать токо-временную характеристику как по оси токов (пот. № 1,2), так и по оси времени (пот. № 3 — время срабатывания при 2-х кратном перегрузе);
- выставление порогов срабатывания по минимальному/максимальному напряжению, перекосу линейных напряжений и фазных токов, а также времени автоматического повторного включения по усмотрению заказчика самостоятельно;
- индикацию вида аварии, наличия сетевого напряжения, токового диапазона, на который настроен блок и включения нагрузки;
- через блок обмена БО-01 позволяет осуществлять обмен и передачу информации по протоколу RS-485 (БО-01 поставляется под заказ).
Типовые схемы подключения
