Модуль ввода-вывода одноканальный, 4 режима работы, 5 типов датчиков, Modbus (выходной сигнал 0-10В, 4-20мА), TTL - Modbus конвертер
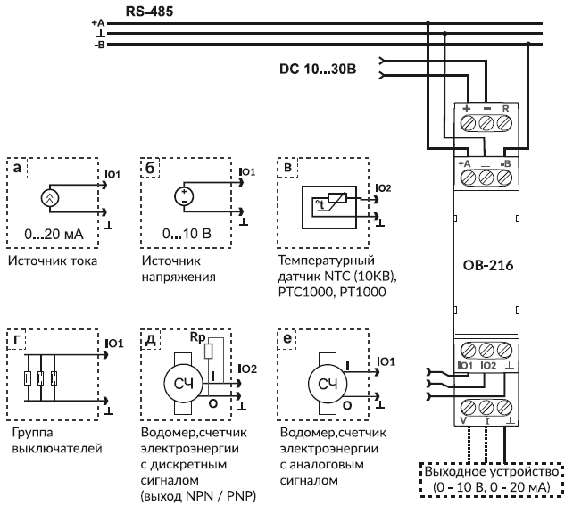
OB-216 может быть использован как:
− удаленный измеритель постоянного напряжения (0 – 10 В);
− удаленный измеритель постоянного тока (0 – 20 мА);
− удаленный измеритель температуры с возможностью подключения датчиков NTC (10KB), PTC 1000, PT 1000 или цифрового датчика температуры D18B20, DHT21, DHT22, AM2301;
− счетчик импульсов с сохранением результата в памяти;
− отслеживание состояния (замкнуто / разомкнуто) контакта на входе типа «сухой контакт».
OB-216 обеспечивает :
− управление нагрузкой по выходному аналоговому сигналу (0 – 10 В, 0 – 20 мА), в зависимости от получаемого входного сигнала с подключенного датчика.
Интерфейсы RS-485 либо USB обеспечивают управление подсоединенными приборами и считывание показаний датчиков по протоколу ModBus.
Варианты использования:

ДОСТАВКА
Вы можете выбрать любой наиболее удобный способ из перечисленных ниже:
Доставка до терминала ТК «Деловые линии» осуществляется нами бесплатно.
ОПЛАТА
Мы принимаем оплату:
Цены на поставляемые нами товар всегда ниже, чем у наших конкурентов.
Условия гарантийного обслуживания
Гарантия не распространяется на ущерб, причиненный другому оборудованию, работающему вместе с данным изделием.
Модуль ввода-вывода одноканальный, 4 режима работы, 5 типов датчиков, Modbus (выходной сигнал 0-10В, 4-20мА), TTL - Modbus конвертер
Центр измерительной техники «Эталонприбор» располагает своим собственным ремонтным сервисом, где Вы можете получить услуги по: ремонту, наладке, калибровке, гарантийному и послегарантийному обслуживанию измерительного оборудования, как приобретенного у нас, так и у других поставщиков. Сервис работает на основе лицензии, выданной Ростехрегулированием РФ.
