ОВЕН ПЛК160 – линейка программируемых моноблочных контроллеров с дискретными и аналоговыми входами/выходами на борту для автоматизации средних систем.
Оптимальны для построения систем автоматизации среднего уровня и распределенных систем управления.
Контроллер | ПЛК160 |
Дискретные входы | 16 |
Дискретные выходы | 12 |
Аналоговые входы | 8 |
Аналоговые выходы | 4 |
Все контроллеры данной линейки имеют большое количество интерфейсов на борту, работающих независимо друг от друга:
Протокол | Интерфейс | Применение |
ОВЕН | RS-232 RS-485 | Поддержка модулей ввода/вывода ОВЕН Мх110 Работа в сетях ОВЕН совместно с ТРМ2хх |
Modbus RTU Modbus ASCII | RS-232 RS-485 | Поддержка модулей ввода/вывода и операторских панелей (например, ОВЕН СП3хх), связь со SCADA-системами |
Modbus TCP | Ethernet 10/100 Mbps | Связь со SCADA-системами |
DCON | RS-232 RS-485 | Поддержка модулей ввода/вывода ICP DAS I-7xxx, АDAM-4xxx, операторских панелей |
GateWay (протокол CODESYS) | RS-232 Ethernet 10/100 Mbps USB-Device | Программирование контроллера, отладка пользовательской программы Связь с контроллерами других производителей на базе CODESYS Работа с OPC-сервером CODESYS |
Mass Storage Device | USB-Device | Работа с файлами архивов данных и файлами проекта |
Контроллеры данной линейки также поддерживают работу с нестандартными протоколами по любому из портов, что позволяет подключать такие устройства, как электро-, газо-, водосчетчики, считыватели штрих-кодов и т.п.
Программирование контроллеров осуществляется в профессиональной, распространенной среде CODESYS v.2.3.x, максимально соответствующей стандарту МЭК 61131:
Интерфейсы для программирования и отладки: Ethernet, USB, RS-232 (Debug).

Параметр | Значение (свойства) | ||
ПЛК160-Х.А | ПЛК160-Х.У | ПЛК160-Х.И | |
Питание | |||
Напряжение питания: ПЛК160-24.Х-Х ПЛК160-220.Х-Х |
от 22 до 28 В постоянного тока (номинальное 24 В) от 90 до 264 В переменного тока (номинальное 110/220 В) частотой от 47 до 63 Гц (номинальное значение 50 Гц) | ||
Потребляемая мощность, не более | 40 ВА | ||
Параметры встроенного источника питания | Выходное напряжение 24±3 В, ток потребления не более 400 мА | ||
Аккумулятор резервного питания | LIR2477 (срок службы зависит от условий эксплуатации, но не более 5 лет) | ||
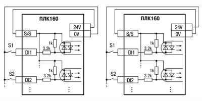
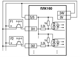
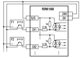
Цифровые (дискретные) входы | |||
Количество входов из них быстродействующих | 16 4 (DI1-DI4) | ||
Тип входов по ГОСТ Р 52931-2008 | 1 и 2 | ||
Напряжение питания дискретных входов | 24 ± 3 В | ||
Максимальный входной ток дискретного входа | не более 7 мА при питании 24 В, не более 8,5 мА при питании 27 В | ||
Сигнал «логической единицы», соответствующий состоянию «Включено», дискретных входов для постоянного напряжения (ток в цепи) | от 15 до 30 В (ток от 3 до 15 мА) | ||
Сигнал «логического нуля», соответствующий состоянию «Выключено», дискретных входов для постоянного напряжения (ток в цепи) | от минус 3 до 5 В (ток до 15 мА) | ||
Минимальная длительность импульса, воспринимаемого дискретным входом – для обычных входов – для быстродействующих |
1 мс 0,02 мс | ||
Подключаемые входные устройства | – коммутационные устройства (контакты кнопок, выключателей, герконов, реле и т.п.); – датчики, имеющие на выходе транзистор n- p-n или p-n-p–типа с открытым коллектором; – дискретные сигналы 24±3 В | ||
Гальваническая развязка | Групповая | ||
Электрическая прочность изоляции между группой дискретных входов и: – цепями питания – группами цепей дискретных выходов – группами остальных цепей |
1780 В 1780 В 560 В | ||
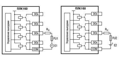
Дискретные выходы (контакты электромагнитных реле) | |||
Количество релейных выходных каналов | 12 | ||
Гальваническая развязка | Индивидуальная (для DO1-DO8), групповая (DO9-DO10) и групповая (DO11-DO12) | ||
Электрическая прочность изоляции между группами дискретных выходов и группами остальных цепей | 1780 В | ||
Максимальный ток, коммутируемый контактами реле, не более | 3 А (для переменного напряжения не более 250 В, частотой 50 Гц и cos j > 0,4 – нагрузка для категории использования АС-15 по ГОСТ Р 50030.1-2000) 3 А (для постоянного напряжения не более 30 В – нагрузка для категории использования DC-13 по ГОСТ Р 50030.1-2000) | ||
Время переключения контактов реле из состояния «лог. 0» в «лог. 1» и обратно, не более | 50 мс (выходы DО1-DО12) | ||
Механический ресурс реле | – не менее 300 000 циклов переключений при максимальной коммутируемой нагрузке; – не менее 500 000 циклов переключений при коммутации нагрузки менее половины от максимальной | ||
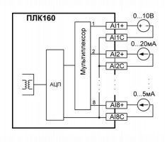
Аналоговые входы | |||
Количество аналоговых входов | 8 | ||
Тип поддерживаемых унифицированных сигналов | Ток от 0 (4) до 20 мА Ток от 0 до 5 мА Напряжение от 0 до 10 В | ||
Разрядность АЦП | 14 бит | ||
Входное сопротивление: В режиме измерения тока В режиме измерения напряжения |
Не более 170 Ом Не менее 200 кОм | ||
Период опроса аналоговых входов | 10 мс | ||
Предел основной приведенной погрешности преобразования | ±0,25 % | ||
Предел дополнительной приведенной погрешности преобразования на каждые 10 градусов изменения температуры | ±0,05 % | ||
Гальваническая изоляция аналоговых входов | Групповая (8 входов) | ||
Электрическая прочность изоляции между группой аналоговых входов и: – цепями питания – группами цепей дискретных выходов – группами остальных цепей |
1780 В 1780 В 560 В | ||
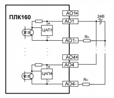
Аналоговые выходы | |||
Количество аналоговых выходов | 4 | ||
Тип выходного сигнала | Универсальный, ток от 4 до 20 мА, напряжение от 0 до 10 В | Напряжение от 0 до 10 В | Ток от 4 до 20 мА |
Предел основной приведенной погрешности ЦАП | ±0,5 % | ||
Разрядность ЦАП | 12 бит | 10 бит | 10 бит |
Минимальный период обновления выходов | 100 мс | ||
Питание аналоговых выходов | Внешнее (24±3 В) | ||
Гальваническая изоляция аналоговых выходов | Индивидуальная | ||
Электрическая прочность изоляции между группами аналоговых выходов и группами остальных цепей | 1780 В | ||
Предел допускаемой дополнительной приведенной погрешности аналоговых выходов, вызванной изменением температуры окружающего воздуха от нормальной на каждые 10 °С изменения температуры | не более 0,5 предела допускаемой основной приведенной погрешности аналоговых выходов | ||
Интерфейсы связи | |||
RS-485 Количество Гальваническая развязка Электрическая прочность изоляции |
1 Индивидуальная 1780 В (между интерфейсом RS-485 и остальными группами цепей) | ||
Ethernet 100 Base-T Количество Гальваническая развязка Электрическая прочность изоляции |
1 Индивидуальная 1780 В (между интерфейсом RS-485 и остальными группами цепей) | ||
RS-232 ** Количество Гальваническая развязка |
1 Отсутствует | ||
RS-232-Debug ** Количество Гальваническая развязка |
1 Отсутствует | ||
USB-Device ** Количество Гальваническая развязка |
1 Отсутствует | ||
Ресурсы и дополнительное оборудование | |||
Центральный процессор | RISC-процессор на базе ядра ARM-9, 32 разряда, 180МГц | ||
Объем оперативной памяти (тип памяти) | 8 Мб (SDRAM), из них 1 Мб для кода пользовательской программы, 128 кб для переменных пользовательской программы | ||
Объем энергонезависимой памяти (тип памяти) | 4 Мб (DataFlash), из них 3 Мб доступно для хранения файлов и архивов | ||
Размер Retain-памяти | не более 16 кб (по умолчанию задано значение 4 кб). Подробнее см. в РП | ||
Время выполнения одного цикла программы | – Минимальное (нестабилизируемое) – 250 мкс; – Установленное по умолчанию (стабилизированное) – 1 мс (настраивается в окне «Конфигурация ПЛК (PLC Configuration) ПО CoDeSys. Подробнее см. в РП | ||
Дополнительное оборудование | – Часы реального времени с автономным аккумуляторным питанием (точность хода – не более 3 мин в сутки*); – Встроенный источник выдачи звукового сигнала; – Функциональная кнопка на передней панели контроллера | ||
Общие сведения | |||
Габаритные размеры, не более | (208×110×73) ± 1 мм | ||
Масса, не более | 0,75 кг | ||
Степень защиты корпуса по ГОСТ 14254–96 | IP20 со сторон передней панели, IP00 со стороны клемм | ||
Индикация на передней панели | Светодиодная | ||
Средняя наработка на отказ | 100 000 ч | ||
Средний срок службы | 10 лет | ||
* – точность указана без применения программной коррекции. | |||
Интерфейсы связи | Протоколы (тип связи и особенности работы) | Формат передачи данных | Скорости передачи | Длина кабеля, м, не более | Тип рекомендуемого кабеля |
RS-485 | ModBus-RTU, ModBus-ASCII, DCON, ОВЕН | 7 или 8 бит, четность есть\нет\не используется, 1 или 2 стоп бита | 2400, 4800, 9600, 14400, 19200, 28800, 38400, 57600, 115200 бит/с | 1200* | КИПЭВ 1×2×0,6 ТУ 16.К99-008- 2001 или аналогичный |
RS-232 | ModBus-RTU, ModBus-ASCII, DCON, ОВЕН | 7 или 8 бит, четность есть\нет\не используется, 1 или 2 стоп бита | 1200, 2400, 4800, 9600, 14400, 19200, 28800, 38400, 57600, 115200 бит/с | 3 | Кабели, выполненные в соответствии с рекомендациями Приложения Г |
RS-232-Debug | ModBus-RTU (только slave), ModBus-ASCII, DCON, GateWay (только для Debug RS-232), ОВЕН | только 8 нет 1 | 1200, 2400, 4800, 9600, 14400, 19200, 28800, 38400, 57600, 115200 бит/с | 1,8 | Кабели, выполненные в соответствии с рекомендациями Приложения Г |
Ethernet 100 Base-T | ModBus-TCP Gateway TCP-IP, UDP-IP, Codesys Network Variables (over UDP) | – | 10, 100 Мбит/с | 100 | Категория 5 тип UTP (витые пары без экрана), STP или FTP (витые пары в экране) |
USB-Device | CDC | – | 115200 бит/с | 1,8 | Стандартный с разъемами типа А и В |
* – Максимальная скорость обмена зависит от длины линии. | |||||









Наименование | Изображение | Комментарии | Длина, м |
| КС1 | ![]() | Применяется для прошивки и программирования контроллеров: - ПЛК160 (порт RS-232 DEBUG) | 1,5 2,7 |
КС2 |
| Применяется для соединения контроллеров ПЛК160 (порты RS-232 DEBUG и RS-232) с панелями оператора ИП320 (порт RS-232), СП270, СП307, СП310 (порт PLC, RS-232) | 1,5 2,7 |
КС3 |
| Применяется для соединения контроллеров ПЛК160 (порты RS-232 DEBUG и RS-232) с модемом ПМ01[M02] (порт RS-232, соединитель Х2) | 1,5 |
ДОСТАВКА
Вы можете выбрать любой наиболее удобный способ из перечисленных ниже:
Доставка до терминала ТК «Деловые линии» осуществляется нами бесплатно.
ОПЛАТА
Мы принимаем оплату:
Цены на поставляемые нами товар всегда ниже, чем у наших конкурентов.
Условия гарантийного обслуживания
Гарантия не распространяется на ущерб, причиненный другому оборудованию, работающему вместе с данным изделием.
Центр измерительной техники «Эталонприбор» располагает своим собственным ремонтным сервисом, где Вы можете получить услуги по: ремонту, наладке, калибровке, гарантийному и послегарантийному обслуживанию измерительного оборудования, как приобретенного у нас, так и у других поставщиков. Сервис работает на основе лицензии, выданной Ростехрегулированием РФ.
