ОВЕН ПЛК73 – контроллер с HMI для локальных систем автоматизации в щитовом исполнении. Основные области применения ОВЕН ПЛК73 – ЖКХ, ЦТП, ИТП, котельные, небольшие установки.
Центральный процессор | 32-разрядный RISC процессор 50 МГц на базе ядра ARM7 |
Размер Retain-памяти (EEPROM) | 448 байт |
Объем оперативной памяти для хранения переменных программ | 10 кб |
Объем памяти хранения программ | 280 кб |
Объем памяти ввода-вывода |
|
Время работы часов реального времени после пропадания питания | не менее 3 месяцев |
Конструктивное исполнение | Корпус щитового крепления. Габаритные размеры (В×Ш×Г), мм (168×137×55)±1 мм |
Степень защиты корпуса со стороны лицевой панели | IP55 |
Напряжение питания | 90...245 В (частотой от 47 до 63 Гц) |
Потребляемая мощность, не более |
|
Параметры встроенного вторичного источника питания | выходное напряжение 24±3 В, ток не более 180 мА |
Тип дисплея | Текстовый монохромный ЖКИ с подсветкой |
Количество знакомест (символов) | 4 x 16 |
Кнопки управления на лицевой панели | 9 тактовых кнопок: "Пуск/стоп", "Выход", "Альт", "Ввод", "Вверх", "Вниз", "F1", "F2", "F3" |
Светодиоды на лицевой панели | 6 штук: "K1", "K2", "K3", "K4", "K5", "K6" |
Интерфейсы | 2 интерфейса опционально: 1-й интерфейс: RS-485, RS-232 или отсутствует; 2-й интерфейс: RS-485, RS-232 или отсутствует. |
Режим работы интерфейсов | Master, Slave |
Поддерживаемые протоколы | ОBEH, Modbus-ASCII/RTU, GateWay (протокол CODESYS) |
Количество аналоговых входов | 8 | |
Типы подключаемых датчиков и характеристики аналоговых входов | В соответствии с ТУ 4252-003-46526536-2008 контроллера ПЛК63 | |
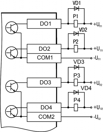
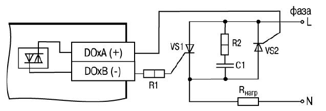
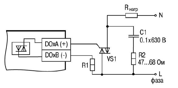
Количество выходов внутри контроллера | 8, из них 4 с возможностью установки ЦАП |
Типы выходных элементов и их характеристики | В соответствии с ТУ 4252-003-46526536-2008 контроллера ПЛК63 |
Выходные элементы: |
|
1 | тип К (группа из 2 выходов) |
2 | |
3 | тип К (группа из 2 выходов) |
4 | |
5 | тип Р, К, Т, И, У или отсутствует |
6 | тип Р, К, Т, И, У или отсутствует |
7 | тип Р, К, Т, И, У или отсутствует |
8 | тип Р, К, Т, И, У или отсутствует |
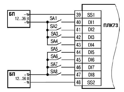
Количество дискретных входов | 8 |
Подключаемые входные устройства | подключение датчиков с выходами: "сухой-контакт" p-n-p- и n-p-n-транзистор |
Максимальная частота сигнала, подаваемого на дискретный вход | 15 Гц (при скважности 2) |
Напряжение питания дискретных входов | 24±3 В |
Среда программирования | CODESYS 2.3 (версия 2.3.8.1 и более старшая) |
Интерфейс для программирования и отладки в CODESYS | RS-232 DBGU |
Интерфейс для обновления встроенного программного обеспечения | RS-232 DBGU (выведен на разъем RJ-12) |
Протокол | Интерфейс | Применение |
ОВЕН | RS-232 RS-485 | Поддержка модулей ввода/вывода ОВЕН Мх110 Работа в сетях ОВЕН совместно с ТРМ2хх |
Modbus RTU Modbus ASCII | RS-232 RS-485 | Поддержка модулей ввода/вывода и операторских панелей (например, ОВЕН СП3хх), связь со SCADA-системами |
GateWay (протокол CODESYS) | RS-232 | Программирование контроллера, отладка пользовательской программы Работа с OPC-сервером CODESYS |
















Наименование | Изображение | Комментарии | Длина, м |
| КС1 | ![]() | Применяется для прошивки и программирования контроллеров: - ПЛК73 (порт RS-232 DEBUG) | 1,5 2,7 |
ДОСТАВКА
Вы можете выбрать любой наиболее удобный способ из перечисленных ниже:
Доставка до терминала ТК «Деловые линии» осуществляется нами бесплатно.
ОПЛАТА
Мы принимаем оплату:
Цены на поставляемые нами товар всегда ниже, чем у наших конкурентов.
Условия гарантийного обслуживания
Гарантия не распространяется на ущерб, причиненный другому оборудованию, работающему вместе с данным изделием.
Центр измерительной техники «Эталонприбор» располагает своим собственным ремонтным сервисом, где Вы можете получить услуги по: ремонту, наладке, калибровке, гарантийному и послегарантийному обслуживанию измерительного оборудования, как приобретенного у нас, так и у других поставщиков. Сервис работает на основе лицензии, выданной Ростехрегулированием РФ.
