по РФ бесплатно
пн-пт 9:00-18:00
пн-пт 9:00-18:00
по РФ бесплатно
Ваш город
Нет
Да
КОНТАКТНАЯ ИНФОРМАЦИЯ
Телефоны:8 (800) 777-30-09 (по РФ бесплатно), 8 (495) 748-30-09, 748-30-60, 664-28-44.
Адрес:141006, Московская обл., г. Мытищи, Олимпийский пр-т, д. 29, стр. 2, офис 43/1.
УВАЖАЕМЫЕ КЛИЕНТЫ!
Цены на сайте могут отличаться, просьба уточнять конечную стоимость у наших менеджеров!
TMM-540


ПР114-224.8Д4А.РРРРКУУУ-Ч

Цена:
23 814
Общая стоимость 0 руб.
В корзину
Купить в 1 клик
Нашли дешевле?
Снизим цену!
В избранное
Стоимость доставки от 800 ₽ (уточнять у менеджера)
Срок доставки: 2 - 10 дней при наличии товара на складе
Бесплатная доставка от 50000₽
Безналичный расчет для юридических лиц
Самовывоз со склада компании ЭТАЛОНПРИБОР
Более 350 брендов
Самые лучшие
цены
Техническая
документация
Быстрая доставка
по России
Сервисный
центр
  • Описание
  • Доставка и оплата
  • Гарантия и возврат
  • Отзывы
  • Сервис
Описание

Построение простых локальных систем управления:

  • разного типа насосных станций с возможностью управления частотным преобразователем;
  • контроля доступа и релейной защиты;
  • конвейерных систем с дозаторами;
  • технологического оборудования (станки, прессы и пр.);
  • вентиляции и отопления.

Преимущества

  • Различные виды исполнения. (по питанию, по типу и количеству входов/выходов).
  • Наличие часов реального времени.
  • Простая, интуитивно понятная среда программирования OWEN Logic.
  • Возможность создания и отладки проекта без прибора.
  • Возможность интеграции в сети RS-485, протокол Modbus-Slave.
  • Компактный корпус на DIN-рейку.
  • Широкий климатический диапазон -20..+55 °C.

Функциональные возможности

  • Логические функции (И, ИЛИ, НЕ).
  • Арифметические функции и функции сравнения.
  • Счетчики, триггеры.
  • Блоки временных задержек.
  • Формирователи сигналов.
  • Блоки работы с битами.
  • Возможность создания своих блоков (макросы).
  • Онлайн база макросов.

Сводная таблица технических характеристик ПР110/ПР114:

Наименование

Значение

ПР110

ПР114

Каналы ввода / вывода

Количество входов аналоговых

Нет

4 (0)

Количество входов дискретных

8 или 12

8 (12)

Количество выходов дискретных

4 или 8

4 - 8

Количество выходов аналоговых

Нет

До 4

Питание прибора

Напряжение питания

=24 В или ~220 В

=24 В и ~220 В

Потребляемая мощность, ВА, не более

8

16

Программирование

Количество ФБ, среднее

63

500

RETAIN-переменные

Нет

136 байт

Время цикла, мс, не менее

3

1

Конструкция

Тип крепления

На DIN-рейку, настенное

Степень защиты корпуса

IP20

Климатика

-20...+55 °С

Габариты, мм

(110×73×63)±1

(110×73×96)±1

(110×73×96)±1

Основные особенности

  • Подходит для задач локальной автоматизации
  • До 12 дискретных входов
  • До 4 аналоговых входов
  • До 8 дискретных выходов
  • До 4 аналоговых выходов
  • Наличие часов реального времени
  • Универсальный источник питания (как от 220 В переменного так и от 24 В постоянного тока)
  • Встроенный источник питания 24 В, 160 мА
  • Программирование в среде OWEN Logic (ссылка)
  • Энергонезависимая память для хранения состояния внутренних переменных
  • Работа в сети Modbus (с ПР-МИ485)
  • Расширенный диапазон рабочих температур -20...+55 °С

Внимание!

По всем вопросам связанных с программируемым реле ОВЕН ПР обращайтесь по адресу support@owen.ru.

Так же рекомендуем ознакомиться с разделом FAQ, возможно, на Ваш вопрос уже есть ответ.
Программа для ОВЕН ПР создается в специализированной среде OWEN Logic.

Программирование реле ОВЕН ПР возможно только при использовании комплекта для программирования ПР-КП10 или ПР-КП20.

Основные технические характеристики

Питание

Наименование

Значение

Напряжение питания, В*21...27 В
(номинальное напряжение 24 В)
90...264 В
(номинальное 110-220 В, при частоте 47...63 Гц)
Потребляемая мощность, ВА, не более16
Гальваническая развязка, Весть, 1500
Встроенный источник питания =24 В, 145 мА max

*Блок питания универсальный

Дискретные входы

Параметр

Значение

Количество дискретных входов8, развязка групповая по 4 входа (1-4, 5-8),1500 В
Тип датчика дискретного входа- коммутационные устройства (контакты кнопок, выключателей, герконов, реле и т.п.);
- датчики, имеющие на выходе транзистор p-n-p типа с открытым коллектором
Напряжение питания дискретных входов, В21...27
Максимальный ток дискретного входа, мА не более4
Ток «логической единицы», мА2,0…4,0
Ток «логического нуля», мАне более 0,1
Уровень сигнала, соответствующий логической единице на дискретном входе, В15…30
Уровень сигнала, соответствующий логическому нулю на дискретном входе, В - 3…+ 5

Аналоговые/дискретные входы

Параметр

Значение

Количество входов4 (входа 9-12)
Режим аналогового входа
Тип измеряемых сигналов«0…10 В»,
«4…20 мА»,
Входное сопротивление, кОм67
Предел основной приведенной погрешности, %±0,5
Значение наименьшего значащего разряда, мВ2,7 (3700 ед./(0-10 В))
Период обновления результатов измерения четырех каналов, мс, не более0,5
Дополнительной приведенной погрешности, вызванной изменением температуры на 10 °С в пределах рабочего диапазона температур, %±0,25
Режим дискретного входа
Напряжение «логической единицы» , В (ток в цепи)14…30 (1,0…2,6 мА)
Напряжение «логического нуля», В (ток в цепи)0…11 (не более 0,2 мА)
Гальваническая развязкаОтсутствует

Выходные устройства

Параметр

Значение

Количество выходных устройств8, из них 4 с возможностью
Из них:
- фиксированные (дискретные)
- на выбор (аналоговые/дискретные)

4 (выходы 1-4)
4 (выходы 5-8)
Гальваническая развязкаИндивидуальная, 1500 В, кроме выхода типа Т
Типы выходных элементовсм табл. "Тип встроенного выходного устройства"

Конструкция

Параметр

Значение

Индикация состояния входов/выходовСветодиодная, на передней панели
Тип корпусаКорпус для крепления на стену или на DIN-рейку шириной 35 мм.
Габаритные размеры, мм(96×110×73)±1
Климатическое исполнениеIP20 (-20…+55)
Масса прибора, кг, не более0,5

Вычислительные ресурсы

Время цикла, мс min (зависит от сложности программы)1
Количество ФБ, шт., среднее500
Количество функций, шт., среднее500
Количество переменных для сетевого обмена, шт. max64 (32 на чтение, 32 на запись)
Объем памяти для энергонезависимых переменных, байт136

Тип встроенного выходного устройства

Обозначение выходного элементаТип выходного элементаТехнические параметры
РКонтакты электромагнитного релеМаксимальный коммутируемый ток, А, не более
– 5 A при напряжении не более 30 В постоянного тока
– 10 A при напряжении не более 250 В переменного тока, 50 Гц
и cosφ> 0,95
Механический ресурс реле, циклов,
не менее – 5 000 000
Электрический ресурс реле, циклов,
не менее – 200 000
КОптопара транзисторная n-p-n-типаПостоянный ток не более 400 мА при напряжении не более 60 В
ТВыход для управления внешним твердотельным релеВыходное напряжение 4…6 В, постоянный ток не более 25 мА
СОптопара симисторнаяТок не более 50 мА при переменном напряжении не более 250 В (50 Гц)
ИЦАП «параметр – ток»Постоянный ток 4…20 мА на внешней нагрузке не более 1 кОм, напряжение питания 12…30 В
УЦАП «параметр – напряжение»Постоянное напряжение 0…10 В на внешней нагрузке не менее 2 кОм, напряжение питания 16…30 В

Функциональная схема

Габаритные размеры ОВЕН ПР114

Схемы подключения

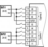
Назначение контактов ПР114

Назначение контактов ПР114

Подключение входов

Подключение дискретных датчиков с выходом типа «сухой контакт»
Схема подключения трехпроводных дискретных датчиков, имеющих выходной транзистор p-n-p–типа с открытым коллектором
Схема подключения аналгового датчика 0..10 В
Схема подключения аналогового датчика 4..20 мА

Подключение выходов

Схема подключения дискретного выхода
Схема подключения нагрузки к ВУ типа Р
Схема подключения нагрузки к ВУ типа К
Схема подключения силового симистора к ВУ типа С
Схема подключения к ВУ типа С двух тиристоров, подключенных встречно-параллельно
Схема подключения нагрузки к ВУ типа Т
Схема подключения нагрузки к ВУ типа У
Схема подключения нагрузки к ВУ типа И

Комплект поставки

  1. Прибор ПР114
  2. Резистор С2-29В-0,125Т-180 Ом 0,1%-25ppm/C - 4 шт.
  3. Паспорт и руководство по эксплуатации
  4. Гарантийный талон
Развернуть полное описание
Доставка и оплата

ДОСТАВКА

Вы можете выбрать любой наиболее удобный способ из перечисленных ниже:

  • Самовывоз со склада компании ЭТАЛОНПРИБОР
  • Доставка через транспортную компанию "Деловые линии"
  • Доставка экспресс - почтой "ПОНИ-ЭКСПРЕСС" до двери
  • Доставка по Москве и области нашими экспедиторами и курьерами
  • Доставка через транспортную компанию "ПЭК"
  • Отправка посылкой с помощью Почты России
  • Доставка через транспортную компанию покупателя

Доставка до терминала ТК «Деловые линии» осуществляется нами бесплатно.

ОПЛАТА

Мы принимаем оплату:

  • по безналичному расчету
  • перечислением денежных средств на расчетный счет для юридических лиц
  • банковским переводом для физических.

Цены на поставляемые нами товар всегда ниже, чем у наших конкурентов.

Гарантия и возврат

Условия гарантийного обслуживания

  1. Гарантия действительна только при наличии гарантийного талона с указанием заводского номера изделия, гарантийного срока и печати поставщика.
  2. Гарантия предусматривает бесплатный ремонт изделия или замену запасных частей, комплектующих в течении гарантийного срока, указанного в гарантийном талоне.
  3. Заводской номер и наименование изделия должны соответствовать указанным в гарантийном талоне.
  4. Изделие снимается с гарантийного обслуживания в следующих случаях:
    1. Нарушения условий эксплуатации, изложенных в технической документации изделия, которые привели к выходу изделия из строя, включая неисправности, вызванные использованием нештатных аксессуаров;
    2. Нарушения гарантийных пломб, в случае наличия следов вскрытия или взлома корпуса изделия;
    3. Ремонта в неуполномоченном сервисном центре или самостоятельно (кроме элементов и источников питания, замена которых предусмотрена производителем);
    4. Использования изделия не по назначению;
    5. Нарушения правил хранения и транспортирования;
    6. Наличия внешних механических повреждений, включая повреждения разъёмов и контактов;
    7. Наличия внешних повреждений, вызванных стихией, пожаром, молнией, высоким напряжением;
    8. Попадания внутрь влаги, инородных предметов и т.п.
    9. Неправильном включении в сеть.
  5. Гарантия не распространяется на расходные материалы и прочие детали, имеющие ограниченный срок службы: элементы питания (в т.ч. аккумуляторы), имеющие ограниченную прочность.
  6. Недополученная в связи с появлением неисправности прибыль и другие косвенные расходы не подлежат возмещению.

Гарантия не распространяется на ущерб, причиненный другому оборудованию, работающему вместе с данным изделием.

Отзывы
Отзывы о товаре ПР114-224.8Д4А.РРРРКУУУ-Ч
Сервис

Центр измерительной техники «Эталонприбор» располагает своим собственным ремонтным сервисом, где Вы можете получить услуги по: ремонту, наладке, калибровке, гарантийному и послегарантийному обслуживанию измерительного оборудования, как приобретенного у нас, так и у других поставщиков. Сервис работает на основе лицензии, выданной Ростехрегулированием РФ.

 
Подробнее
 
Сервисное обслуживание
Простой обмен и возврат
Поможем решить любую проблему с товаром
Собственный сервисный центр
Устраним любую неисправность по гарантии. Срок указан без учета логистики
Сервисы по всей России
Обращайтесь за обслуживанием в авторизованные сервисы производителя
Похожие товары
 
Полезные статьи
При выборе манометра необходимо учитывать ряд важных факторов, чтобы прибор подходил для конкретной системы.
Уровень влажности в помещении играет важную роль в формировании оптимальных условий для комфортного пребывания. Для определения этого параметра используются устройства, называемые гигрометрами. В этой статье мы расскажем, как выбрать подходящее оборудование такого типа для различных объектов.
Осциллограф — это прибор для наблюдения, измерения, записи и анализа амплитудных и временных характеристик электрического сигнала. Подаваемый на вход устройства, он отображается либо на экране, либо фиксируется на фотоленте для последующего изучения.
Если вы задумались о приобретении мультиметра, важно заранее ознакомиться с рядом полезных рекомендаций, которые помогут сделать правильный выбор. Мы подготовили небольшую статью, которая, надеемся, окажется полезной.
Цифровой тахометр — это прибор, предназначенный для измерения частоты вращения различных объектов, таких как валы, двигатели и роторы. В отличие от аналоговых моделей, цифровые тахометры обеспечивают высокую точность измерений и удобство использования благодаря современным технологиям и информативному дисплею. Они широко используются в самых разных отраслях: от автомобильного сервиса и промышленности до научных исследований и контроля вентиляционных систем.
Мегаомметр – это специализированный прибор, предназначенный для измерения сопротивления изоляции электрических цепей и оборудования. В условиях современного мира, где электричество играет ключевую роль во всех сферах жизни, обеспечение безопасности и надежности электрических систем становится особенно важным. От качества изоляции проводников и оборудования зависит не только эффективность их работы, но и безопасность людей и объектов, которые они обслуживают.
Измерительные приборы играют ключевую роль в различных отраслях, начиная от промышленности и строительства, заканчивая медициной и научными исследованиями. Правильная эксплуатация и уход за этими приборами являются залогом точных измерений и долговечности оборудования.
Осциллографы играют ключевую роль в современных лабораториях и на производственных предприятиях, являясь незаменимым инструментом для анализа и визуализации электрических сигналов. Независимо от того, являетесь ли вы инженером-электронщиком, студентом технического вуза или энтузиастом электроники, понимание принципов работы осциллографов, их видов и характеристик, а также правил эксплуатации и ухода за ними, имеет первостепенное значение.
Амперметр предназначен для измерения величины тока в электрических цепях, выраженной в амперах. В основе его работы лежит простой принцип: инструмент позволяет наглядно увидеть мощность тока, потребляемого устройствами, подключенными к сети. Обычно амперметр подключают в цепь с нагрузкой, поэтому ток, протекающий через него, идентичен току, проходящему через любой другой элемент цепи, будь то нагреватель, мотор или лампочка.
На этапах возведения, отделки и монтажа различных сооружений большую роль играют точность разметки и идеальное выравнивание. Достижение профессиональных стандартов качества возможно при использовании лазерного нивелира. Для выбора подходящей модели целесообразно ознакомиться с механизмом работы этих устройств.
Новинки
Недавно просмотренные