Электромагнит ЭМГ-12 постоянного тока предназначен для управления гидрораспределителями и различными механизмами с условным проходом 10 мм, такими, как ВЕ10; 1РЕ10; МРЭ10; РХ10 и т.д. а также другой гидроаппаратурой станочной и мобильной техники.
Являются аналогами электромагнитов ЭМ 25, ПЭ 10, ЭМЛ 1203.
| Наименование параметра | Значение | |
| Относительная продолжительность включения ПВ, % | 100 | 40 |
| Условный проход, мм | 10 | |
| Номинальное рабочее напряжение, В | 12, 24, 48, 110 | |
| Номинальное тяговое усилие, Н | 90 | 140 |
| Номинальный ход якоря, мм | 3,5 | |
| Полный ход якоря, мм | 7,5 | |
| Потребляемая мощность, Вт | 40 | 115 |
| Время сбрасывания, с | 0,2 | 0,18 |
| Время возврата, с | 0,15 | 0,12 |
| Масса электромагнита, не более, кг | 1,7 | 1,7 |
Электромагнит изготавливается с «сухим якорем», т.е. полость электромагнита не соединена с полостью гидрораспределителя.
Катушка надёжно изолирована и защищена металлическим корпусом. Металлические части, контактирующие с окружающей средой, защищены от коррозии.

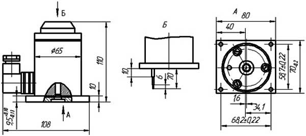
Схема - габаритные, установочные, присоединительные размеры электромагнита
ДОСТАВКА
Вы можете выбрать любой наиболее удобный способ из перечисленных ниже:
Доставка до терминала ТК «Деловые линии» осуществляется нами бесплатно.
ОПЛАТА
Мы принимаем оплату:
Цены на поставляемые нами товар всегда ниже, чем у наших конкурентов.
Условия гарантийного обслуживания
Гарантия не распространяется на ущерб, причиненный другому оборудованию, работающему вместе с данным изделием.
Центр измерительной техники «Эталонприбор» располагает своим собственным ремонтным сервисом, где Вы можете получить услуги по: ремонту, наладке, калибровке, гарантийному и послегарантийному обслуживанию измерительного оборудования, как приобретенного у нас, так и у других поставщиков. Сервис работает на основе лицензии, выданной Ростехрегулированием РФ.
