Электромагнит ЭМТ 15-1-2 постоянного тока предназначен для установки на пружинных колодочных тормозах серии ТК.
Электромагнит может быть использован взамен электромагнитов типов МО-100Б, МО-200Б, МО-300Б, устанавливаемые на тормоза ТКТ-100, ТКТ-200, ТКТ-300, соответственно, а, также, для привода различных исполнительных механизмов.
Электромагнит разработан на базе магнита постоянного тока, позволяющей получить такие же технические, тяговые характеристики и присоединительные размеры, как и электромагнит старого образца МО.
ПВ | 100% | 40% | 25% |
Номинальное тяговое усилие, Н | 96 | 250 | 290 |
Номинальный ход якоря, мм | 3,0 | 3,0 | 3,0 |
Время срабатывания, с | 0,25 | 0,15 | 0,1 |
Потребляемая мощность, Вт | 50 | 130 | 180 |
Масса электромагнита, кг | 5,5 | ||
Номинальное напряжение питающей сети (постоянного тока), В | 110, 220, 440 | ||
Номинальное напряжение питающей сети (переменного тока), В | 220, 380 | ||

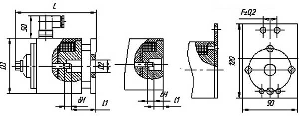
Схема - габаритные, установочные, присоединительные размеры электромагнита
l1, мм | 37 |
l2, мм | 10 |
L, мм | 165 |
δн, мм | 3 |
D1, мм | - |
D2, мм | 23 |
D3, мм | 88 |
D4, мм | - |
D5, мм | 8,5 |
C, мм | - |
B, мм | - |
F, мм | 30 |
E, мм | 85 |
l3, мм | 10 |
ДОСТАВКА
Вы можете выбрать любой наиболее удобный способ из перечисленных ниже:
Доставка до терминала ТК «Деловые линии» осуществляется нами бесплатно.
ОПЛАТА
Мы принимаем оплату:
Цены на поставляемые нами товар всегда ниже, чем у наших конкурентов.
Условия гарантийного обслуживания
Гарантия не распространяется на ущерб, причиненный другому оборудованию, работающему вместе с данным изделием.
Центр измерительной техники «Эталонприбор» располагает своим собственным ремонтным сервисом, где Вы можете получить услуги по: ремонту, наладке, калибровке, гарантийному и послегарантийному обслуживанию измерительного оборудования, как приобретенного у нас, так и у других поставщиков. Сервис работает на основе лицензии, выданной Ростехрегулированием РФ.
