Электромагнит ЭМТ 5-36 предназначен для привода защитного устройства гидравлической части системы защиты турбин тепловых электростанций и является аналогом электромагнитов ЭМ 47-36.
| Номинальное напряжение, В | 220 |
| Номинальное тяговое усилие, Н | 200 |
| Номинальный ток силового электромагнита, А | 1,24 |
| Номинальный ход якоря, мм | 10 |
| Номинальная потребляемая мощность силового электромагнита, Вт | 300 |
| Номинальная потребляемая мощность электромагнита фиксации (магнитной защелки), Вт | 30 |
| Время срабатывания, с | 0,3 |
| Время возврата, с | 0,3 |
| Номинальная частота включений, вкл./ч | 1 |
| Масса электромагнита, не более, кг | 19,6 |
Электромагнит ЭМТ 5-36 представляет собой электромеханическое моноблочное устройство, состоящее из силового электромагнита управления толкающего исполнения, магнитоэлектрической защелки и контактной системы для контроля положения якоря.

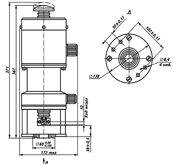
Схема - габаритные, присоединительные и установочные размеры электромагнита
Силовой электромагнит состоит из корпуса (магнитопровода), обмотки возбуждения, опорного и проходного фланцев с наружным воротничком. Якорь жестко соединен с толкателем. Якорь и толкатель перемещаются в подшипниках скольжения. Для предотвращения залипания якоря от остаточного магнитного потока установлена немагнитная прокладка. Магнитоэлектрическая защелка состоит из образованного корпусом и сердечником магнитопровода, постоянного магнита, создающего поляризующий поток, размагничивающей катушки и якоря. Контроль положения якоря осуществляется контактами микровыключателей, на которые воздействует профильный кулачок в виде стакана, установленный на толкателе. Якорь жестко соединен со стаканом и вместе с ним, а также якорем защелки образует подвижную систему электромагнита. Возврат подвижной системы электромагнита в начальное положение осуществляется пружиной, упирающейся одним концом в дно стакана, а другим — в сердечник. Стакан фиксируется на толкателе гайкой.
Для ручного включения и отключения электромагнитов предусмотрена кнопка, укрепленная на толкателе винтом. Для монтажа электромагнита предусмотрена монтажная подставка, которая через установленные на ней стойки, крепится к опорному фланцу. Механическая связь толкателя с исполнительным механизмом осуществляется с помощью муфты. Токоподвод к обмотке возбуждения осуществляется электрическим соединителем, вилка которого установлена на магнитопроводе, токоподвод к размагничивающей обмотке электрическим соединителем, вилка которого установлена на корпусе. Требуемая степень защиты электромагнита обеспечивается гофрами и резиновыми прокладками.
По виду воздействия на исполнительный механизм электромагниты при наличии тока в силовой катушке являются толкающими (вниз), при наличии тока в размагничивающей катушке — тянущими (пружиной вверх). Электромагнит ЭМТ 5-36 имеет пружину, обеспечивающую возврат якоря в начальное положение после подачи напряжения на размагничивающую катушку магнитоэлектрической защелки. Электромагниты имеют кнопку ручного управления перемещением якоря.
Структурное обозначение - ЭМТ 5-36-2272-54Т2:
ДОСТАВКА
Вы можете выбрать любой наиболее удобный способ из перечисленных ниже:
Доставка до терминала ТК «Деловые линии» осуществляется нами бесплатно.
ОПЛАТА
Мы принимаем оплату:
Цены на поставляемые нами товар всегда ниже, чем у наших конкурентов.
Условия гарантийного обслуживания
Гарантия не распространяется на ущерб, причиненный другому оборудованию, работающему вместе с данным изделием.
Центр измерительной техники «Эталонприбор» располагает своим собственным ремонтным сервисом, где Вы можете получить услуги по: ремонту, наладке, калибровке, гарантийному и послегарантийному обслуживанию измерительного оборудования, как приобретенного у нас, так и у других поставщиков. Сервис работает на основе лицензии, выданной Ростехрегулированием РФ.
