Датчик-реле температуры ДРТ-ЖД-хх-М18, ДРТ-ЖД-хх-М27 предназначен для измерения температуры контролируемой среды и выдачи сигнала о превышении порогового значения.
В настоящее время выпускаются следующие варианты релейных датчиков:
Датчик-реле температуры ДРТ-ЖД предназначен для установки:

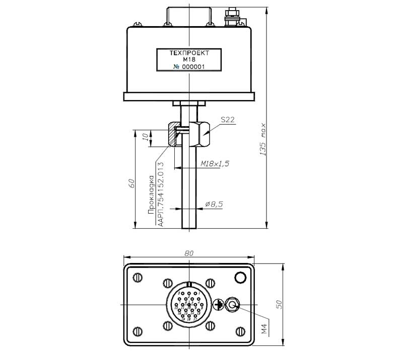
Схема №1 - габариты датчика-реле температуры ДРТ-Жх-хх-м18

Схема №2 - габариты датчика-реле температуры ДРТ-Жх-хх-м27
| Диапазон измеряемой температуры | 40…+120 °С |
| Величина гистерезиса (зона возврата) | 5 °С |
| Погрешность измерения: | ±2 °С |
| Напряжение питания | 30…270 (АC или DC) В |
| Потребляемый ток | 30 мА |
| Электрические параметры контактов реле: | |
| максимальное коммутируемое напряжение: |
270 (АC1 или DC1) В |
| максимальный коммутируемый ток: |
1 А |
| Габаритные размеры | |
| Габаритные размеры | 80х135х50 мм |
| Масса | 0,4 кг |
Степень защиты | IР65 |
Релейные датчики ДРТ-ЖД сохраняет работоспособность в условиях воздействия:
ДОСТАВКА
Вы можете выбрать любой наиболее удобный способ из перечисленных ниже:
Доставка до терминала ТК «Деловые линии» осуществляется нами бесплатно.
ОПЛАТА
Мы принимаем оплату:
Цены на поставляемые нами товар всегда ниже, чем у наших конкурентов.
Условия гарантийного обслуживания
Гарантия не распространяется на ущерб, причиненный другому оборудованию, работающему вместе с данным изделием.
Центр измерительной техники «Эталонприбор» располагает своим собственным ремонтным сервисом, где Вы можете получить услуги по: ремонту, наладке, калибровке, гарантийному и послегарантийному обслуживанию измерительного оборудования, как приобретенного у нас, так и у других поставщиков. Сервис работает на основе лицензии, выданной Ростехрегулированием РФ.
