Реле тока РС40М – это статические реле максимального тока, предназначенные для использования в схемах релейной защиты и электроавтоматики, а также для эффективной замены электромеханических реле тока РТ-40 , одно реле тока РС40М21 может заменить схему из двух реле РТ-40 плюс реле времени РВМ12 ( РВ132 ) и реле РУ21.
Реле тока РС40М являются электронным аналогом реле РТ-40, но переключающийся контакт имеет общую точку (кроме РС40М21, РС40М21i ). Устойчивы к воздействию высокочастотных помех. Рассчитаны для работы при температуре окружающей среды от-40 °С до +50 °С, удовлетворяют требованиям ГОСТ 3698-82.
Вид климатического исполнения реле - УХЛ, категория размещения 4 по ГОСТ.
По виду характеристик срабатывания реле в соответствии с ГОСТ 3698-82 относятся к исполнению:
По способу регулирования уставок срабатывания реле относятся к исполнению - "с дискретным регулированием" в соответствии с ГОСТ 3698-82.
По числу диапазонов уставок в соответствии с ГОСТ 3698-82 реле относятся к исполнению:
| Относительная погрешность выдержки времени в рабочем диапазоне температур, % , не более | ± 10 |
| Относительная погрешность тока срабатывания в рабочем диапазоне температур, %, не более | ± 5 (± 10) |
| Разброс тока срабатывания, % | ± 1,5 |
| Коэффициент возврата реле, не менее | 0,8 - 0,9 |
| Механическая износоустойчивость реле, циклов ВО | 10000 |
| Потребляемая мощность на минимальной уставке, ВА | 0,7 - 2,5 |
| Коммутированная электрическая нагрузка (при токе до 2А и напряжении от 24 до 250 В): для постоянного тока для переменного тока | 60 Вт |
| Габаритные размеры, мм | 70x140x136 |
| Масса, кг, не более | 1 |
| Гарантийный срок со дня ввода реле в эксплуатацию, лет | 15 |
| Сопротивление изоляции между входными и выходными цепями реле по ГОСТ 25071-81, ряд 3 | – |
Модификация реле | Последовательное соединение обмоток | ||
Диап. изм-я установок, А | Дискрет. изм-я установок, А | Номинальный ток, А | |
РС40М (М1,М2, М21, М21i)-0,05/0,4 | 0,05 - 0,2075 | 0,0025 | 0,25 |
РС40М (М1,М2, М21, М21i)-0,15/1,2 | 0,15 - 0,6225 | 0,0075 | 0,75 |
РС40М (М1,М2, М21, М21i)-0,5/4 | 0,5 - 2,075 | 0,025 | 2,5 |
РС40М (М1,М2, М21, М21i)-1/8 | 1,0 - 4,15 | 0,05 | 5,0 |
РС40М (М1,М2, М21, М21i)-5/40 | 5,0 - 20,75 | 0,25 | 10,0 |
РС40М (М1,М, М21, М21i)-15/120 | 15,0 - 62,25 | 0,75 | 25,0 |
РС40М2-25/200 | 25 - 103,75 | 1,25 | 25,0 |
Модификация реле | Параллельное соединение обмоток | ||
Диап. изм-я установок, А | Дискрет. изм-я установок, А | Номинальный ток, А | |
РС40М (М1,М2, М21, М21i)-0,05/0,4 | 0,1 - 0,415 | 0,005 | 0,5 |
РС40М (М1,М2, М21, М21i)-0,15/1,2 | 0,3 - 1,245 | 0,015 | 1,5 |
РС40М (М1,М2, М21, М21i)-0,5/4 | 1,0 - 4,15 | 0,05 | 5,0 |
РС40М (М1,М2, М21, М21i)-1/8 | 2,0 - 8,3 | 0,1 | 5,0 |
РС40М (М1,М2, М21, М21i)-5/40 | 10,0 - 41,5 | 0,5 | 25,0 |
РС40М (М1,М, М21, М21i)-15/120 | 30,0 - 124,5 | 1,5 | 25,0 |
РС40М2-25/200 | 50 - 207,5 | 2,5 | 25,0 |
Выбор места для установки реле:
Монтаж. Конструкцией реле предусмотрено два варианта крепления на щит:
Подключение реле. Зажимы реле приспособлены для присоединения не более двух проводников, сечением 2,5 мм2 каждый. Размер зачистки концов проводников от изоляции - (7-10) мм.

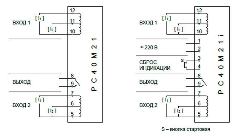
Схема подключения реле тока РС-40М
ДОСТАВКА
Вы можете выбрать любой наиболее удобный способ из перечисленных ниже:
Доставка до терминала ТК «Деловые линии» осуществляется нами бесплатно.
ОПЛАТА
Мы принимаем оплату:
Цены на поставляемые нами товар всегда ниже, чем у наших конкурентов.
Условия гарантийного обслуживания
Гарантия не распространяется на ущерб, причиненный другому оборудованию, работающему вместе с данным изделием.
Центр измерительной техники «Эталонприбор» располагает своим собственным ремонтным сервисом, где Вы можете получить услуги по: ремонту, наладке, калибровке, гарантийному и послегарантийному обслуживанию измерительного оборудования, как приобретенного у нас, так и у других поставщиков. Сервис работает на основе лицензии, выданной Ростехрегулированием РФ.
