Датчик WAD305/1 предназначен для измерения температуры различных сред.
По заказу датчик может комплектоваться кабелем измерительным, разъемом или клемниками.

Термометрические характеристики датчика
В качестве термочувствительного элемента в датчике используется кремниевый p-n переход, имеющий температурную характеристику, отличающуюся исключительной стабильностью, воспроизводимостью значений при циклическом изменении температуры, монотонностью изменения термочувствительного параметра в широком диапазоне температур.
Диапазон измерений | от -196°C до +150°C |
Рекомендуемый ток возбуждения | 100 мкА |
Долговременная стабильность | ± 0,1°С |
Разброс по термочувствительному параметру в партии | ±1°С; ±2°С, ±3°С |

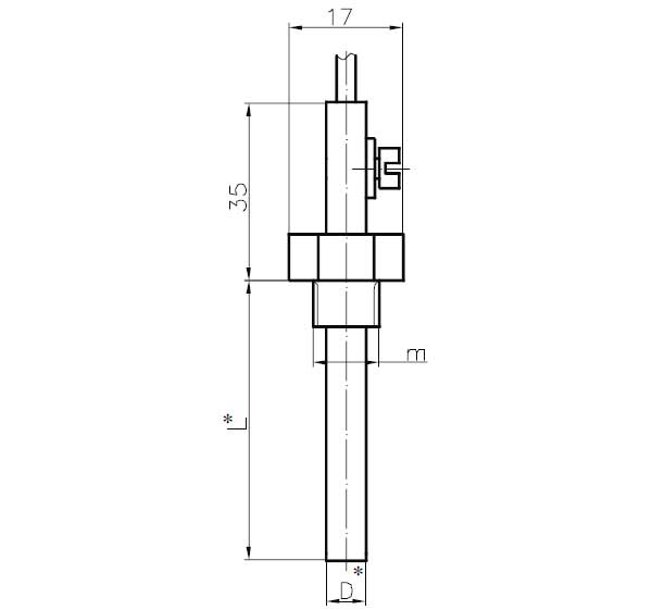
Габаритная схема датчика
Размеры L и d выбираются из ряда :
ДОСТАВКА
Вы можете выбрать любой наиболее удобный способ из перечисленных ниже:
Доставка до терминала ТК «Деловые линии» осуществляется нами бесплатно.
ОПЛАТА
Мы принимаем оплату:
Цены на поставляемые нами товар всегда ниже, чем у наших конкурентов.
Условия гарантийного обслуживания
Гарантия не распространяется на ущерб, причиненный другому оборудованию, работающему вместе с данным изделием.
Центр измерительной техники «Эталонприбор» располагает своим собственным ремонтным сервисом, где Вы можете получить услуги по: ремонту, наладке, калибровке, гарантийному и послегарантийному обслуживанию измерительного оборудования, как приобретенного у нас, так и у других поставщиков. Сервис работает на основе лицензии, выданной Ростехрегулированием РФ.
