Втулки серии В предназначены для защиты проводов и электрических кабелей от механических повреждений, которые могут произойти от острых кромок торцов труб.
| Модификация | Масса, кг (1000 шт) | Для труб с внутренним диаметром, мм | Условный проход труб | |
| дюйм | мм | |||
| В82 | 15,8 | 79-82 | 3 | 80 |
| В69 | 13 | 66-69 | 21/2 | 70 |
| В54 | 6,8 | 52-54 | 2 | 50 |
| В42 | 3,8 | 40-42 | 11/2 | 40 |
| В28 | 1,8 | 26-28 | 1 | 25 |
| В22 | 1,1 | 20-22 | ¾ | 20 |
| В17 | 0,6 | 15-16 | 1/2 | 15 |

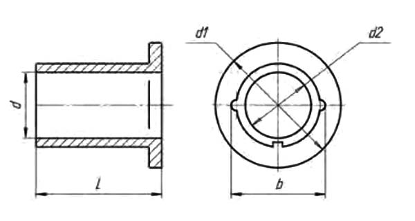
Рис. Габаритные размеры
| Вид | Размеры, мм | ||||
| d1 | d | d2 | L | d | |
| В82 | 89,5 | 74 | 78 | 30 | 82,5 |
| В69 | 76,5 | 61,5 | 65,5 | 30 | 69,5 |
| В54 | 61 | 48 | 51 | 25 | 54,5 |
| В42 | 49 | 36 | 39 | 20 | 42,5 |
| В28 | 34 | 22,5 | 25,5 | 15 | 28,5 |
| В22 | 28 | 17,5 | 19,5 | 10 | 22,5 |
| В17 | 22 | 12 | 14 | 10 | 17 |
ДОСТАВКА
Вы можете выбрать любой наиболее удобный способ из перечисленных ниже:
Доставка до терминала ТК «Деловые линии» осуществляется нами бесплатно.
ОПЛАТА
Мы принимаем оплату:
Цены на поставляемые нами товар всегда ниже, чем у наших конкурентов.
Условия гарантийного обслуживания
Гарантия не распространяется на ущерб, причиненный другому оборудованию, работающему вместе с данным изделием.
Центр измерительной техники «Эталонприбор» располагает своим собственным ремонтным сервисом, где Вы можете получить услуги по: ремонту, наладке, калибровке, гарантийному и послегарантийному обслуживанию измерительного оборудования, как приобретенного у нас, так и у других поставщиков. Сервис работает на основе лицензии, выданной Ростехрегулированием РФ.
