Преобразователь уровня буйковый САПФИР-22МП-ДУ предназначен для непрерывного преобразования значения измеряемого уровня жидкости (модификации 2620, 2622, 2630, 2640, 2650) или уровня границы раздела двух жидких фаз (модификация 2615), как нейтральных, так и агрессивных сред в стандартный токовый и/или цифровой на базе HART-протокола выходной сигнал дистанционной передачи.
САПФИР-22МП-ДУ используется в системах автоматического контроля, регулирования и управления технологическими процессамив различных отраслях промышленности, в том числе со взрывоопасными условиями производства.
Наименование | Кол-во | Примечание |
Преобразователь | 1 шт. | В зависимости от заказа |
Руководство по эксплуатации | 1 экз. | Допускается прилагать по 1 экз. на каждые 10 преобразователей поставляемых в один адрес |
Методика поверки МИ 1233-86 | 1 экз. | |
Паспорт | 1 экз. | - |
Флакон с демп-ферной жидкостью | 1 шт. | Поставляется по требованию заказчика |
Радиатор | 1 шт. | |
Блок питания | 1 шт. | |
Ответный фланец | 1 шт. |
| Верхний предел измерения уровня, м: | |
| - модели 2620, 2622, 2630, 2640, 2642 | 0,25; 0,4; 0,6; 0,8; 1; 1,6; 2; 2,5; 3; 4; 6; 10 |
| - модель 2650 | 1; 1,6; 2; 2,5; |
| - модель 2615 | 0,6; 1; 1,6; |
| Допустимая основная приведённая погрешность, % | ± 0,25; ± 0,5; ± 1 |
| Дополнительная температурная погрешность на 10 °С, %, при основной: | |
| ± 0,25 | ± 0,2 |
| ± 0,5 | ± 0,45 |
| ± 1 | ± 0,6 |
| Параметры контролируемой среды: | |
| - плотность, кг/м3 | от 400 до 2000 |
| - разность плотностей (при плотности нижней фазы от 910 до 1000 кг/м3), кг/м3 | от 50 до 400 |
| - температура, °С | от -50 до +120 |
| - температура при использовании теплоотводящего патрубка (радиатора), °С | от -200 до -50 |
| от +120 до +400 | |
| Выходной сигнал: | |
| - стандартный токовый, мА | 0 - 5; 4 - 20 |
| - цифровой на базе HART протокола | есть |
| Напряжение питания: | |
| - для общепромышленного и взрывозащищенного исполнений | 36 ± 0,72 |
| - для искробезопасного исполнения | от искробезопасного блока питания |
| Потребляемая мощность, В·А, не более | 1,2 |
| Масса преобразователей в зависимости от модели, кг | от 10,5 до 21,5 |
| Расстояние между источником питания и преобразователем, м, не более | 600 |
| Чувствительный элемент | тензомодуль |
| Демпфирование выходного сигнала | механическое (сильфон) |
Модель | Предельно допускаемое рабочее избыточное давление, МПа (кгс/см2) |
2620, 2622 | 4,0 (40) |
2630 | 6,3 (63) |
2640 | 10 (100)*; 16 (160) |
2642 | 10 (100) |
2615 | 2,5 (25); 4,0 (40)* |
2650 | 20 (200) |
* по особому заказу
Обозначение исполнения преобразователя по материалам | Материалы | ||
Буек | Корпус | Мембрана вывода | |
02 | 12Х18Н10Т | 12Х18Н10Т | 36НХТЮ |
01 | сталь 20 | ||
Модель | Н, мм | d, мм | Число секций |
2620 2622 2630 2640 2642 | 250 | 60 | 1 |
400 | |||
600 | 50 | ||
800 | 40 | ||
1000 | |||
1600 | 30 | ||
2000 | 25 | ||
2500 | |||
3000 | 20 | 2 | |
4000 | |||
6000 | 16 | 3 | |
8000 | 11 | 4 | |
10000 | 5 | ||
2650 | 1000 | 40 | 1 |
1600 | 30 | ||
2000 | 25 | ||
2500 | |||
2615 | 600 | 140 | 1 |
1000 | 108 | ||
1600 | 83 | ||
600 | 108 | ||
1000 | 83 | ||
1600 | 60 |
Модель | Р, МПа | Ду, мм | Размеры, мм | ||||
D | D1 | D2 | d1 | Б | |||
2620 | 4,0 | 65 | Ø180 | Ø145 | Ø109 | Ø18 | 240 |
2622 | 4,0 | 80 | Ø195 | Ø160 | Ø120 | ||
2630 | 6,3 | 65 | Ø200 | Ø160 | Ø109 | Ø22 | |
2640 | 16,0 | 65 | Ø220 | Ø170 | Ø26 | ||
2642 | 10,0 | ||||||
2650 | 20,0 | 50 | Ø210 | Ø180 | Ø87 | 300 | |
2615 | 2,5 | 150 | Ø300 | Ø250 | Ø203 | ||
По устойчивости к климатическим воздействиям преобразователи САПФИР-22МП-ДУ, в зависимости от исполнения, соответствуют:
Степень защиты буйковых уровнемеров от воздейст-вия пыли и воды IP54 по ГОСТ 14254.
Преобразователи состоят из измерительного блока и электронного преобразователя.
При изменении измеряемого уровня происходит воздействие гидростатической выталкивающей силы, действующей на чувствительный эле-мент - буек. Это изменение через рычаг переда-ется на тензопреобразователь, что вызывает деформацию упругого чувствительного элемента и изменение сопротивления тензорезисторов тензопреобразователя. Это изменение преобра-зуется в электрический сигнал, который переда-ется от тензопреобразователя из измерительного блока в электронный преобразователь, и далее в виде стандартного токового унифицированного сигнала [(0-5), (4-20), (5-0) или (20-4)]мА.
Электронный блок буйковых уровнемеров Сапфир- 22МП-ДУ выполнен на одной плате.

Внешний вид платы электронного преобразователя
На плате установлены 3 кнопки управления, обеспечивающие корректировку «нуля» и «диапазона измерения».

Габаритные, установочные и присоединительные размеры буйковых уровнемеров Сапфир-22МП-ДУ

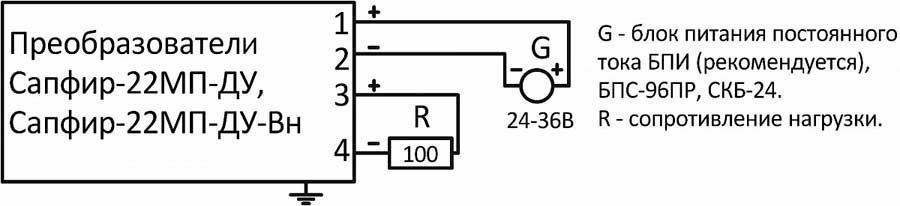
Схема включения для буйковых уровнемеров Сапфир-22МП- ДУ, Сапфир-22МП-ДУ-ВН с выходным сигналом 4-20 мА при двухпроводной линии связи

Схема включения для буйковых уровнемеров Сапфир-22МП- ДУ-Ех с выходным сигналом 4-20 мА при двухпроводной линии связи

Схема включения для буйковых уровнемеров с выходным сигналом 0-5 мА или 4-20 мА при четырехпроводной линии связи

Схема включения с HART-модемом Сапфир

Схема включения преобразователей Сапфир-22МП-ДУ-Ех в исполнении с HART-протоколом

Примеры установки буйкового уровнемера на объекте
ДОСТАВКА
Вы можете выбрать любой наиболее удобный способ из перечисленных ниже:
Доставка до терминала ТК «Деловые линии» осуществляется нами бесплатно.
ОПЛАТА
Мы принимаем оплату:
Цены на поставляемые нами товар всегда ниже, чем у наших конкурентов.
Условия гарантийного обслуживания
Гарантия не распространяется на ущерб, причиненный другому оборудованию, работающему вместе с данным изделием.
Центр измерительной техники «Эталонприбор» располагает своим собственным ремонтным сервисом, где Вы можете получить услуги по: ремонту, наладке, калибровке, гарантийному и послегарантийному обслуживанию измерительного оборудования, как приобретенного у нас, так и у других поставщиков. Сервис работает на основе лицензии, выданной Ростехрегулированием РФ.
