Преобразователь уровня буйковый САПФИР-22МП1-ДУ предназначен для работы в системах автоматического контроля, регулирования и управления технологическими процессами, в том числе со взрывоопасными условиями производства и обеспечивают непрерывное преобразование зна-чения измеряемого уровня жидкости (модели 2620, 2622, 2630, 2640,2642, 2650) или уровня границы раздела двух жидких фаз (модели 2615), как нейтральных, так и агрессивных сред в стандартный токовый и (или) цифровой на базе HART-протокола выходной сигнал дистанционной передачи.
Наименование | Кол-во | Примечание |
Преобразователь | 1 шт. | В зависимости от заказа |
Руководство по эксплуатации | 1 экз. | Допускается прилагать по 1 экз. на каждые 10 преобразователей поставляемых в один адрес |
Методика поверки МИ 1233-86 | 1 экз. | |
Паспорт | 1 экз. | - |
Радиатор | 1 шт. | Поставляется по требованию заказчика |
Блок питания | 1 шт. | |
Ответный фланец | 1 шт. |
Верхний предел измерения уровня, м: -модели 2620, 2622, 2630, 2640, 2642 -модель 2650 -модель 2615 | 0,25; 0,4; 0,6; 0,8; 1,0; 1,6; 2,0; 2,5; 3,0; 4,0; 6,0; 10,0 1,0; 1,6; 2,0; 2,5; 0,6; 1,0; 1,6; |
Допустимая основная приведенная погрешность, % | ±0,25; ±0,5; ±1,0 |
Дополнительная температурная погрешность на 10°С, %, при основной: ±0,25 ±0,5 ±1,0 | ±0,2 ±0,45 ±0,6 |
Параметры контролируемой среды: - плотность, кг/м3 - разность плотностей (при плотности нижней фазы от 910 до 1000 кг/м3), кг/м3 - температура, °С | от 400 до 2000 от 50 до 400 от минус 50 до плюс 120 |
-температура при использовании теплоотводящего патрубка (радиатора), °С | от минус 200 до минус 50 от плюс 120 до плюс 400 |
Выходной сигнал: -стандартный токовый, мА -цифровой на базе HARTпротокола | 0-5; 4-20 + |
Напряжение питания -для общепромышленного и взрывозащищенного исполнений -для искробезопасного исполнения | 36±0,72 от искробезопасного блока питания |
Потребляемая мощность, ВА, не более | 1,2 |
Масса преобразователей в зависимости от модели, кг | от 10,5 до 21,5 |
Расстояние между источником питания и преобразователем, м, не более | 600 |
Чувствительный элемент | Датчик Холла |
Модель | Предельно допускаемое рабочее избыточное давление, |
2620, 2622 | 4,0 (40) |
2630 | 6,3 (63) |
2640 | 10 (100)*; 16 (160) |
2642 | 10 (100) |
2615 | 2,5 (25); 4,0 (40)* |
2650 | 20 (200) |
* по особому заказу
Обозначение исполнения преобразователя по материалам | Материалы | ||
Буек | Корпус | Мембрана вывода | |
02 | 12Х18Н10Т | 12Х18Н10Т | 36НХТЮ |
01 | сталь 20 | ||
Модель | Н, мм | d, мм | Число секций |
2620 2622 2630 2640 2642 | 250 | 60 | 1 |
400 | |||
600 | 50 | ||
800 | 40 | ||
1000 | |||
1600 | 30 | ||
2000 | 25 | ||
2500 | |||
3000 | 20 | 2 | |
4000 | |||
6000 | 16 | 3 | |
8000 | 11 | 4 | |
10000 | 5 | ||
2650 | 1000 | 40 | 1 |
1600 | 30 | ||
2000 | 25 | ||
2500 | |||
2615 | 600 | 140 | 1 |
1000 | 108 | ||
1600 | 83 | ||
600 | 108 | ||
1000 | 83 | ||
1600 | 60 |
Модель | Р, МПа | Ду, мм |
2620 | 4,0 | 65 |
2622 | 4,0 | 80 |
2630 | 6,3 | 65 |
2640 | 16,0 | 65 |
2642 | 10,0 | 65 |
2650 | 20,0 | 50 |
2615 | 2,5 | 150 |
Габариты Б - по заказу, в зависимости от исполнения по материалам и температурному диапазону
По устойчивости к климатическим воздействиям преобразователи в зависимости от исполнения со-ответствуют:
Преобразователи Сапфир-22МП1-ДУ-Ех имеют взрывозащищенное исполнение с видом взрывозащиты «искробезопасная электрическая цепь» с уровнем «Особовзрывобезопасный», соответствуют требо-ваниям ГОСТ Р 51330.0-99, ГОСТ Р 51330.10-99. Маркировка взрывозащиты «0ExiaIICT5 X» по ГОСТ Р51330.0 и ГОСТ 51330.10 (знак «X» - указывает на особые условия их применения, которые заключаются в том, что они могут включаться толь-ко в искробезопасные цепи устройств (блоков пита-ния), имеющих маркировку взрывозащиты не ниже «ExiallC» и свидетельство о взрывозащищенности, и допускаемые параметры которых (индуктивность и емкость) не менее суммарной индуктивности и ем-кости соединительной линии и преобразователя.
Преобразователи Сапфир-22МП1-ДУ-Вн выполнены с видами взрыво-защиты «взрывонепроницаемая оболочка» (d), «специальный» (s), с уровнем взрывозащиты «взрывобезопасный» (1), соответствуют ГОСТ Р51330.0, ГОСТ Р51330.1, имеют маркировку по взрывозащите «1ExsdIIBT5 X» или «1ExsdIIBT4/H2 X», или «1ExsdIICT5 X» (знак «X» указывает на воз-можность применения преобразователей при различных темпе-ратурах окружающего воздуха).
Применение микропроцессорной электроники в преобразователях позволило:
Преобразователи имеют повышенную электро-магнитную совместимость, что обеспечивает их стабильную работу вблизи мощных источников эле-ктромагнитных излучений.
Сапфир-22МП1-ДУ (HART) легко интегрируются в цифровые АСУ ТП, а также могут применяться вместо уровнемеров со стандартными токовыми выходными сигналами в существующей аналоговой АСУ предприятия.
В преобразователях Сапфир-22МП1-Ду (HART) обеспечена возможность дистанционного снятия информации (значения измеряемого параметра, единицы и диапазона измерения, индивидуальных параметров прибора и др.), перенастройки и тести-рования.
Предусмотрена опция защиты настроек от не-санкционированного доступа.
Преобразователи состоят из измерительного блока и электронного преобразователя.
При изменении измеряемого уровня жидкости на чувствительном элементе (буйке) уровнемера изменяется выталкивающее усилие, которое через рычаг закручивает торсионную трубку. Закручивающее усилие через стержень торсионного узла вывода передается на магнитную систему, которая перемещается относительно неподвижно закрепленного датчика Холла, при этом напряжение с датчика Холла изменяется пропорционально выталкивающей силе.
Напряжение с датчика обрабатывается микропроцессорным электронным блоком (производится линеаризация характеристики, температурная компенсация, фильтрация) и преобразуется в токовый выходной сигнал и цифровое значение на индикаторе пропорциональные измеряемому параметру (уровню среды).
Электронный блок преобразователей Сапфир- 22МП1-ДУ выполнен на одной плате.

Внешний вид платы электронного преобразователя

Габаритные, установочные и присоединительные размеры преобразователей Сапфир-22МП1-ДУ

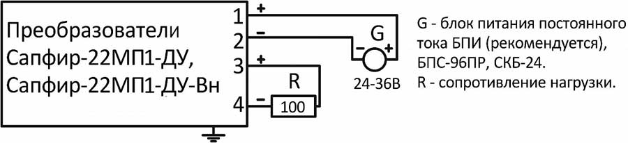
Схема включения для преобразователей Сапфир-22МП1- ДУ, Сапфир-22МП-ДУ-ВН с выходным сигналом 4-20 мА при двухпроводной линии связи

Схема включения для преобразователей Сапфир-22МП1- ДУ-Ех с выходным сигналом 4-20 мА при двухпроводной линии связи

Схема включения для преобразователей с выходным сигналом 0-5 мА или 0-20 мА при четырехпроводной линии связи

Схема включения с HART-модемом Сапфир
ДОСТАВКА
Вы можете выбрать любой наиболее удобный способ из перечисленных ниже:
Доставка до терминала ТК «Деловые линии» осуществляется нами бесплатно.
ОПЛАТА
Мы принимаем оплату:
Цены на поставляемые нами товар всегда ниже, чем у наших конкурентов.
Условия гарантийного обслуживания
Гарантия не распространяется на ущерб, причиненный другому оборудованию, работающему вместе с данным изделием.
Центр измерительной техники «Эталонприбор» располагает своим собственным ремонтным сервисом, где Вы можете получить услуги по: ремонту, наладке, калибровке, гарантийному и послегарантийному обслуживанию измерительного оборудования, как приобретенного у нас, так и у других поставщиков. Сервис работает на основе лицензии, выданной Ростехрегулированием РФ.
