Сигнализатор СУМ-1М (одноуровневый контактный мембранный датчик уровня) предназначен для сигнализации уровня сыпучих веществ в технологических ёмкостях и баках, самотеках, трюмах речного и морского транспорта и т.п.
Навигация по странице:
СУМ-1М - это сигнализатор уровня на основе микропереключателя, который используется в производственных емкостях, элеваторах, хранилищах, бункерах, трюмах речного и морского транспорта, самотеках и контейнерах для автоматического контроля уровня сыпучих продуктов (таких как: зерно, песок, цемент, щебень).
Если необходимо контролировать наполнение емкости (контейнера, трюма и т.п.) до определенного уровня, сигнализатор уровня СУМ-1М может быть установлен на стенке резервуара на высоте, соответствующей желаемому уровню.
Стандартный комплект поставки СУМ-1М:
Ток коммутации выхода при ~220 В | 2 А |
Гарантированное усилие срабатывания | 0,5 Н (±10%) |
Гарантийное количество срабатываний | 30 000 |
Исполнение по степени защиты оболочки | IP65 |
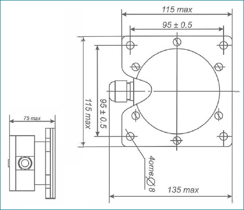
Габаритные размеры | 135 x 115 x 75 мм |
Масса | 0,4 кг |

Габаритные и установочные размеры сигнализатора СУМ-1М
Корпус сигнализатора СУМ-1М выполнен из ударопрочной технической термопластической смолы (пластик АБС) и металлического фланца.
Сигнализатор уровня мембранный СУМ-1М состоит из двух полостей. В передней полости датчика расположены рабочая мембрана, механизм взвешивания и микропереключатель. В задней полости расположена клеммная колодка и силиконовая диафрагма, компенсирующая избыточное давление воздуха внутри датчика во время воздействия на рабочую мембрану.
На внешней стороне задней крышки имеется отверстие для поступления воздуха на тыльную сторону диафрагмы.
Механическое воздействие сыпучего вещества на рабочую мембрану СУМ-1М далее передается на металлическую мембрану и через рычаг – на микропереключатель.
Сигнализатор — мембранный датчик уровня СУМ-1М монтируется таким образом, чтобы рабочая мембрана датчика находилась вровень с внутренней поверхностью резервуара для сыпучих материалов (продуктов).
Ориентация сигнализатора подбирается исходя из поставленных задач. Для определения наличия в производственной емкости или самотеке сыпучих материалов, мембранный датчик уровня СУМ-1М устанавливается на дно резервуара или короба (желоба).
Сигнализатор уровня СУМ-1М эксплуатируется внутри помещений или под навесом, где имеется свободный доступ воздуха, а температура воздуха и влажность несущественно отличается от показателей на открытом воздухе.
ДОСТАВКА
Вы можете выбрать любой наиболее удобный способ из перечисленных ниже:
Доставка до терминала ТК «Деловые линии» осуществляется нами бесплатно.
ОПЛАТА
Мы принимаем оплату:
Цены на поставляемые нами товар всегда ниже, чем у наших конкурентов.
Условия гарантийного обслуживания
Гарантия не распространяется на ущерб, причиненный другому оборудованию, работающему вместе с данным изделием.
Центр измерительной техники «Эталонприбор» располагает своим собственным ремонтным сервисом, где Вы можете получить услуги по: ремонту, наладке, калибровке, гарантийному и послегарантийному обслуживанию измерительного оборудования, как приобретенного у нас, так и у других поставщиков. Сервис работает на основе лицензии, выданной Ростехрегулированием РФ.
