Сигнализатор уровня поплавковый многоточечный СУГ-М2 предназначен для выдачи электрического дискретного сигнала о положении уровня жидкости или о положении уровня раздела двух несмешивающихся жидкостей в аппаратах и резервуарах технологических установок, в т. ч. объектах атомной энергетики (ОАЭ).
Тип поплавка | III | IV |
Предельно допустимое рабочее избыточное давление, МПа | 1,6 | 2,5 |
Температура контролируемой жидкости | от -60 до +125 °C | |
Плотность контролируемой жидкости | 0,5 | 0,6 |
Диаметр проходного сечения монтажного фланца | Ду 150 | Ду 100 |
Длина погружаемой части сигнализатора (жесткая конструкция) | 0,1-3,0 | |
Число точек контроля | от 1 до 5 | |
Расстояние между точками контроля | в пределах габаритных размеров поплавка | |
Нагрузка на контакты выходного реле вторичного прибора (при мощности коммутации не более 10 ВА) | 10-6…0,5 | |
Дифференциал срабатывания, не более, мм | 10 | |
Нестабильность срабатывания, мм | 5 | |
Масса, кг | 5 | |

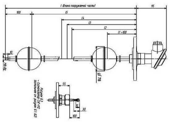
Рисунок 1 - Сигнализатор СУГ-М2 с поплавком тип III, крепление на емкости посредством фланца

Рисунок 2 - Сигнализатор СУГ-М2 с поплавком тип IV, крепление на емкости посредством фланца

Рисунок 3 - Схема электрическая подключения сигнализатора к системе «Сигнал»
ДОСТАВКА
Вы можете выбрать любой наиболее удобный способ из перечисленных ниже:
Доставка до терминала ТК «Деловые линии» осуществляется нами бесплатно.
ОПЛАТА
Мы принимаем оплату:
Цены на поставляемые нами товар всегда ниже, чем у наших конкурентов.
Условия гарантийного обслуживания
Гарантия не распространяется на ущерб, причиненный другому оборудованию, работающему вместе с данным изделием.
Центр измерительной техники «Эталонприбор» располагает своим собственным ремонтным сервисом, где Вы можете получить услуги по: ремонту, наладке, калибровке, гарантийному и послегарантийному обслуживанию измерительного оборудования, как приобретенного у нас, так и у других поставщиков. Сервис работает на основе лицензии, выданной Ростехрегулированием РФ.
