Сигнализатор уровня СУС-181 Р; Б предназначен для контроля уровня электропроводных и неэлектропроводных жидких, твердых (сыпучих) сред, зерна и продуктов его размола. Обеспечивают сигнализацию «наличия» или «отсутствия» контролируемой среды на установленном уровне.
Сигнализатор представляет собой моноблочную конструкцию и состоит из конструктивно совмещенных чувствительного элемента (ЧЭ) и преобразователя.
Порог срабатывания | 10-120 мм |
Дифференциал при вертикальной установке ЧЭ | до 80 мм |
Напряжение питания | 24 В |
Потребляемая мощность | 1 ВА |
Релейный выход – нагрузка на контакты реле: | до 2,5 А, 250 В (до 100 ВА) |
Бесконтактный выход (для Б) | до 100 Ом |
Конструктивное исполнение чувствительного элемента | Цилиндрический (трубчатый) неизолированный |
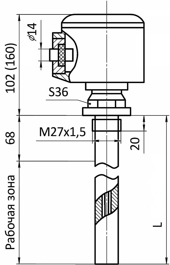
Длина погружаемой части чувствительного элемента L | 0,1; 0,25; 0,6; 1,0 м |
Физическое состояние, электрические свойства | Жидкая, неэлектропроводная в т. ч. сжиженные газы |
Температура | -45…+150 °C |
Рабочее избыточное давление | до 2,5 МПа |
Относительная диэлектрическая проницаемость | 1,6-10 |
Динамическая вязкость | 1,0-3,0 Паю |

Схема - Общий вид, габаритные и установочные размеры СУС-181Р(Б)
Примечания:

Схема электрическая подключения
ДОСТАВКА
Вы можете выбрать любой наиболее удобный способ из перечисленных ниже:
Доставка до терминала ТК «Деловые линии» осуществляется нами бесплатно.
ОПЛАТА
Мы принимаем оплату:
Цены на поставляемые нами товар всегда ниже, чем у наших конкурентов.
Условия гарантийного обслуживания
Гарантия не распространяется на ущерб, причиненный другому оборудованию, работающему вместе с данным изделием.
Центр измерительной техники «Эталонприбор» располагает своим собственным ремонтным сервисом, где Вы можете получить услуги по: ремонту, наладке, калибровке, гарантийному и послегарантийному обслуживанию измерительного оборудования, как приобретенного у нас, так и у других поставщиков. Сервис работает на основе лицензии, выданной Ростехрегулированием РФ.
