Система предупредительно-аварийной сигнализации СПАС-24 фото предназначена для обнаружения появления во-ды в грузовых трюмах и других помещениях морских и речных су-дов, балкеров и танкеров в том числе.
Напряжение источника электропитания : - основного (переменного тока частотой 50 или 60 Гц ±5%) - аварийного (постоянного тока от аккумулятора) |
110 В или 220 В +6%/-10% 12 В или 24 В ±2,4 В |
| Потребляемая мощность (без сирены) | не более 12,5 ВА |
Масса составных частей системы: - датчика - пульта |
не более 1,6 кг не более 5 кг |
| Максимальная длина кабеля связи | 200 м |
| Максимальное избыточное давление со стороны контролируемой среды | не более 0,2 МПа |
Рабочая температура окружающего воздуха: - для датчика - для пульта |
от -25 до 55 °С от -15 до 55 °С |
| Относительная влажность воздуха (при 55 55 °С) | 95±3% |
| Точность срабатывания датчиков | не более 30 мм |
| Количество контролируемых каналов | 24 |
Степень защиты оболочек по ГОСТ 14254: - для датчика - для пульта |
IP68 IP22 |
| Количество выходный релейных каналов | 4 |
| Максимальное коммутируемое напряжение на выходных контактах | 24 В |
| максимальный коммутируемый ток на выходных контактах | 2 А |
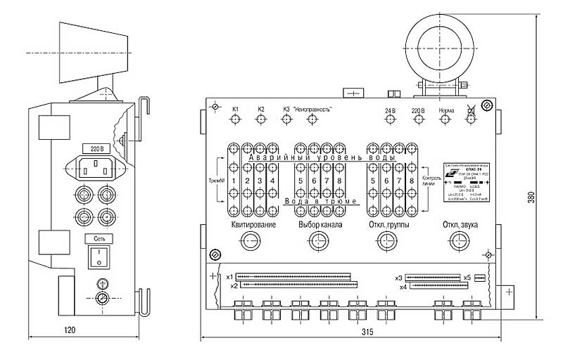
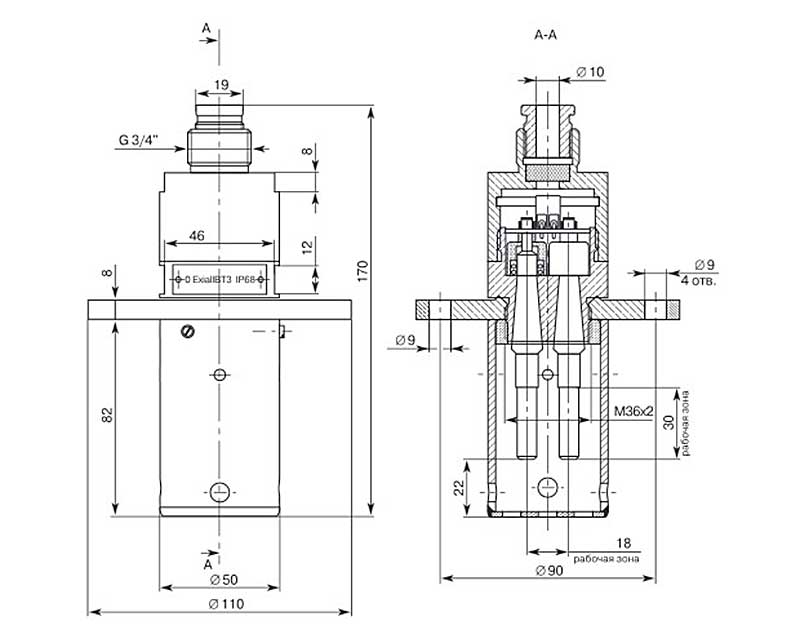
Система состоит из датчиков наличия воды ДНВ-2 (до 24 штук), пульта управления и индикации ПУИ-24.
Сигнализация определяет морскую воду, морскую воду в смеси (50% по весу) с такими грузами, как железорудная пыль, угольная пыль, зерно или масла. Система также надёжно работает с пресной и технической водой.
СПАС-24 обеспечивает следующие параматры:


ДОСТАВКА
Вы можете выбрать любой наиболее удобный способ из перечисленных ниже:
Доставка до терминала ТК «Деловые линии» осуществляется нами бесплатно.
ОПЛАТА
Мы принимаем оплату:
Цены на поставляемые нами товар всегда ниже, чем у наших конкурентов.
Условия гарантийного обслуживания
Гарантия не распространяется на ущерб, причиненный другому оборудованию, работающему вместе с данным изделием.
Центр измерительной техники «Эталонприбор» располагает своим собственным ремонтным сервисом, где Вы можете получить услуги по: ремонту, наладке, калибровке, гарантийному и послегарантийному обслуживанию измерительного оборудования, как приобретенного у нас, так и у других поставщиков. Сервис работает на основе лицензии, выданной Ростехрегулированием РФ.
