Микропроцессорный счетчик импульсов СИ20 может использоваться для подсчета количества продукции на транспортере или жидкости, длины наматываемого кабеля или экструзионной пленки, суммарного количества изделий и т.п.
Данный прибор был специально адаптирован для управления системами дозирования жидких сред, намоточных установок (кабель, провод, экструзионная пленка и т.д.)
Счетчик импульсов ОВЕН СИ20 входит в состав новой линейки счетчиков импульсов, отличающейся повышенной устойчивостью к различным видам электромагнитных помех. Приборы данной линейки способны работать при отрицательных температурах до -20 °С.
К преимуществам данного счетчика можно отнести универсальный источник питания, что позволят запитывать прибор как от сети 220В, так и от сети постоянного тока 24В.
Цифровой счетчик импульсов СИ20 выпускается в корпусах 3-х типов: настенном Н и щитовых Щ1, Щ2.
Наименование | Значение |
Диапазон напряжений питания постоянного тока СИ20-У.Х.Х, В | от 20 до 34 |
Диапазон напряжений питания переменного тока СИ20-У.Х.Х, В | от 90 до 264 от 47 до 63 |
Максимальная потребляемая мощность, не более, ВА | 5 |
Максимальная частота входных импульсов, Гц | 2500 |
Длительность входных импульсов, мкс, не менее | 200 |
Диапазон значения множителя | 0,00001...99999 |
Частота входного фильтра | 1…2500 |
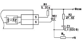
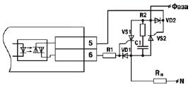
| Подключаемые датчики | – коммутационные устройства (контакты кнопок, выключателей, герконов, реле и т.п.); – n-p-n–типа с открытым коллекторным выходом; – p-n-p–типа. |
Номинальное напряжение питания датчиков, В | 24 |
Нестабильность напряжения питания датчиков, % | 10 |
Максимальный ток нагрузки источника питания датчиков, мА, не более | 50 |
Количество разрядов цифрового индикатора | 6 |
Габаритные размеры прибора: | |
– настенный (Н) | 130×105×65 |
– щитовой (Щ1) | 96×96×65 |
– щитовой (Щ2) | 96×48×100 |
Степень защиты корпуса | Настенный-IP44, Щитовой-IP54 |
Масса, кг, не более | 1 |
Средний срок службы, лет, не менее | 8 |
Межповерочный интервал, лет | 2 |
По устойчивости к механическим воздействиям при эксплуатации прибор соответствует группе исполнения N2 по ГОСТ 12997-84.
По устойчивости к климатическим воздействиям при эксплуатации прибор соответствует группе исполнения В4 по ГОСТ 12997-84.












ДОСТАВКА
Вы можете выбрать любой наиболее удобный способ из перечисленных ниже:
Доставка до терминала ТК «Деловые линии» осуществляется нами бесплатно.
ОПЛАТА
Мы принимаем оплату:
Цены на поставляемые нами товар всегда ниже, чем у наших конкурентов.
Условия гарантийного обслуживания
Гарантия не распространяется на ущерб, причиненный другому оборудованию, работающему вместе с данным изделием.
Центр измерительной техники «Эталонприбор» располагает своим собственным ремонтным сервисом, где Вы можете получить услуги по: ремонту, наладке, калибровке, гарантийному и послегарантийному обслуживанию измерительного оборудования, как приобретенного у нас, так и у других поставщиков. Сервис работает на основе лицензии, выданной Ростехрегулированием РФ.
