по РФ бесплатно
пн-пт 9:00-18:00
пн-пт 9:00-18:00
по РФ бесплатно
Ваш город
Нет
Да
КОНТАКТНАЯ ИНФОРМАЦИЯ
Телефоны:8 (800) 777-30-09 (по РФ бесплатно), 8 (495) 748-30-09, 748-30-60, 664-28-44.
Адрес:141006, Московская обл., г. Мытищи, Олимпийский пр-т, д. 29, стр. 2, офис 43/1.
УВАЖАЕМЫЕ КЛИЕНТЫ!
Цены на сайте могут отличаться, просьба уточнять конечную стоимость у наших менеджеров!
TMM-540




СИ20-У.Щ2.С

Цена:
6 978
Общая стоимость 0 руб.
В корзину
Купить в 1 клик
Нашли дешевле?
Снизим цену!
В избранное
Стоимость доставки от 800 ₽ (уточнять у менеджера)
Срок доставки: 2 - 10 дней при наличии товара на складе
Бесплатная доставка от 50000₽
Безналичный расчет для юридических лиц
Самовывоз со склада компании ЭТАЛОНПРИБОР
Более 350 брендов
Самые лучшие
цены
Техническая
документация
Быстрая доставка
по России
Сервисный
центр
  • Описание
  • Доставка и оплата
  • Гарантия и возврат
  • Отзывы
  • Сервис
Описание

Микропроцессорный счетчик импульсов СИ20 может использоваться для подсчета количества продукции на транспортере или жидкости, длины наматываемого кабеля или экструзионной пленки, суммарного количества изделий и т.п.

Данный прибор был специально адаптирован для управления системами дозирования жидких сред, намоточных установок (кабель, провод, экструзионная пленка и т.д.)

Счетчик импульсов ОВЕН СИ20 входит в состав новой линейки счетчиков импульсов, отличающейся повышенной устойчивостью к различным видам электромагнитных помех. Приборы данной линейки способны работать при отрицательных температурах до -20 °С.

К преимуществам данного счетчика можно отнести универсальный источник питания, что позволят запитывать прибор как от сети 220В, так и от сети постоянного тока 24В.

Цифровой счетчик импульсов СИ20 выпускается в корпусах 3-х типов: настенном Н и щитовых Щ1, Щ2.

  • Прямой счет импульсов, поступающих от подключенного к прибору датчика.
  • Перевод количества импульсов в реальные единицы измерения продукции.
  • Выбор позиции десятичной точки.
  • Коэффициент масштабирования.
  • Два режима работы выходных устройств: «Дозатор», «Сигнализатор».
  • Четыре дискретных входа для организации счета и реализации функций старт/стоп, блокировка, сброс.
  • Универсальные входы, позволяющие работать с датчиками PNP/NPN-типа, сухим контактом.
  • Встроенный источник питания датчиков – 24В.
  • Управление нагрузкой с помощью одного выходного устройства.
  • Сохранение результатов счета при отключении питания.
  • Программирование с кнопок на лицевой панели прибора.
  • Полное соответствие требованиям ГОСТ Р 51522 (МЭК 61326) по электромагнитной совместимости для оборудования класса А.

Основные технические характеристики

Наименование

Значение

Диапазон напряжений питания постоянного тока СИ20-У.Х.Х, В

от 20 до 34

Диапазон напряжений питания переменного тока СИ20-У.Х.Х, В

от 90 до 264

от 47 до 63

Максимальная потребляемая мощность, не более, ВА

5

Максимальная частота входных импульсов, Гц

2500

Длительность входных импульсов, мкс, не менее

200

Диапазон значения множителя

0,00001...99999

Частота входного фильтра

1…2500

Подключаемые датчики– коммутационные устройства (контакты кнопок, выключателей, герконов, реле и т.п.);
– n-p-n–типа с открытым коллекторным выходом;
– p-n-p–типа.

Номинальное напряжение питания датчиков, В

24

Нестабильность напряжения питания датчиков, %

10

Максимальный ток нагрузки источника питания датчиков,

мА, не более

50

Количество разрядов цифрового индикатора

6

Габаритные размеры прибора:

– настенный (Н)

130×105×65

– щитовой (Щ1)

96×96×65

– щитовой (Щ2)

96×48×100

Степень защиты корпуса

Настенный-IP44, Щитовой-IP54

Масса, кг, не более

1

Средний срок службы, лет, не менее

8

Межповерочный интервал, лет

2

Условия эксплуатации счетчика импульсов ОВЕН СИ20

  • Закрытые взрывобезопасные помещения без агрессивных паров и газов
  • Температура окружающего воздуха от -20 до +70 °С
  • Верхней предел относительной влажности 95% при +35 °С без конденсации влаги
  • Атмосферное давление от 84…106,7 кПа

По устойчивости к механическим воздействиям при эксплуатации прибор соответствует группе исполнения N2 по ГОСТ 12997-84.

По устойчивости к климатическим воздействиям при эксплуатации прибор соответствует группе исполнения В4 по ГОСТ 12997-84.

Функциональная схема

Функциональная схема ОВЕН СИ20

Схемы подключения

Подключение к входу коммутационных устройств

При работе с p-n-p датчиками
При работе с n-p-n датчиками

Подключение датчиков, имеющих на выходе транзистор n-p-n типа с открытым коллекторным входом

Пассивный датчик
Активный датчик

Подключение к входу датчиков, имеющих на выходе транзистор p-n-p типа

Пассивный датчик
Активный датчик

Схемы подключения нагрузки к ВУ

Схема подключения нагрузки к ВУ типа Р
Схема подключения нагрузки к ВУ типа К
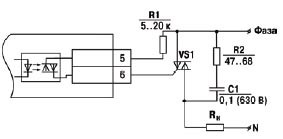
Схема подключения силового симистора к ВУ типа С
Схема подключения к ВУ типа С двух тиристоров, подключенных встречно-параллельно

Примеры схем подключения прибора

Схема подключения прибора СИ20-У.Х.Р от сети переменного тока
Схема подключения прибора СИ20-У.Х.С от сети постоянного напряжения

Комплект поставки

  1. Прибор СИ20
  2. Комплект крепежных элементов
  3. Паспорт и гарантийный талон
  4. Руководство по эксплуатации
Развернуть полное описание
Доставка и оплата

ДОСТАВКА

Вы можете выбрать любой наиболее удобный способ из перечисленных ниже:

  • Самовывоз со склада компании ЭТАЛОНПРИБОР
  • Доставка через транспортную компанию "Деловые линии"
  • Доставка экспресс - почтой "ПОНИ-ЭКСПРЕСС" до двери
  • Доставка по Москве и области нашими экспедиторами и курьерами
  • Доставка через транспортную компанию "ПЭК"
  • Отправка посылкой с помощью Почты России
  • Доставка через транспортную компанию покупателя

Доставка до терминала ТК «Деловые линии» осуществляется нами бесплатно.

ОПЛАТА

Мы принимаем оплату:

  • по безналичному расчету
  • перечислением денежных средств на расчетный счет для юридических лиц
  • банковским переводом для физических.

Цены на поставляемые нами товар всегда ниже, чем у наших конкурентов.

Гарантия и возврат

Условия гарантийного обслуживания

  1. Гарантия действительна только при наличии гарантийного талона с указанием заводского номера изделия, гарантийного срока и печати поставщика.
  2. Гарантия предусматривает бесплатный ремонт изделия или замену запасных частей, комплектующих в течении гарантийного срока, указанного в гарантийном талоне.
  3. Заводской номер и наименование изделия должны соответствовать указанным в гарантийном талоне.
  4. Изделие снимается с гарантийного обслуживания в следующих случаях:
    1. Нарушения условий эксплуатации, изложенных в технической документации изделия, которые привели к выходу изделия из строя, включая неисправности, вызванные использованием нештатных аксессуаров;
    2. Нарушения гарантийных пломб, в случае наличия следов вскрытия или взлома корпуса изделия;
    3. Ремонта в неуполномоченном сервисном центре или самостоятельно (кроме элементов и источников питания, замена которых предусмотрена производителем);
    4. Использования изделия не по назначению;
    5. Нарушения правил хранения и транспортирования;
    6. Наличия внешних механических повреждений, включая повреждения разъёмов и контактов;
    7. Наличия внешних повреждений, вызванных стихией, пожаром, молнией, высоким напряжением;
    8. Попадания внутрь влаги, инородных предметов и т.п.
    9. Неправильном включении в сеть.
  5. Гарантия не распространяется на расходные материалы и прочие детали, имеющие ограниченный срок службы: элементы питания (в т.ч. аккумуляторы), имеющие ограниченную прочность.
  6. Недополученная в связи с появлением неисправности прибыль и другие косвенные расходы не подлежат возмещению.

Гарантия не распространяется на ущерб, причиненный другому оборудованию, работающему вместе с данным изделием.

Отзывы
Отзывы о товаре СИ20-У.Щ2.С
Сервис

Центр измерительной техники «Эталонприбор» располагает своим собственным ремонтным сервисом, где Вы можете получить услуги по: ремонту, наладке, калибровке, гарантийному и послегарантийному обслуживанию измерительного оборудования, как приобретенного у нас, так и у других поставщиков. Сервис работает на основе лицензии, выданной Ростехрегулированием РФ.

 
Подробнее
 
Сервисное обслуживание
Простой обмен и возврат
Поможем решить любую проблему с товаром
Собственный сервисный центр
Устраним любую неисправность по гарантии. Срок указан без учета логистики
Сервисы по всей России
Обращайтесь за обслуживанием в авторизованные сервисы производителя
Похожие товары
 
Полезные статьи
При выборе манометра необходимо учитывать ряд важных факторов, чтобы прибор подходил для конкретной системы.
Уровень влажности в помещении играет важную роль в формировании оптимальных условий для комфортного пребывания. Для определения этого параметра используются устройства, называемые гигрометрами. В этой статье мы расскажем, как выбрать подходящее оборудование такого типа для различных объектов.
Осциллограф — это прибор для наблюдения, измерения, записи и анализа амплитудных и временных характеристик электрического сигнала. Подаваемый на вход устройства, он отображается либо на экране, либо фиксируется на фотоленте для последующего изучения.
Если вы задумались о приобретении мультиметра, важно заранее ознакомиться с рядом полезных рекомендаций, которые помогут сделать правильный выбор. Мы подготовили небольшую статью, которая, надеемся, окажется полезной.
Цифровой тахометр — это прибор, предназначенный для измерения частоты вращения различных объектов, таких как валы, двигатели и роторы. В отличие от аналоговых моделей, цифровые тахометры обеспечивают высокую точность измерений и удобство использования благодаря современным технологиям и информативному дисплею. Они широко используются в самых разных отраслях: от автомобильного сервиса и промышленности до научных исследований и контроля вентиляционных систем.
Мегаомметр – это специализированный прибор, предназначенный для измерения сопротивления изоляции электрических цепей и оборудования. В условиях современного мира, где электричество играет ключевую роль во всех сферах жизни, обеспечение безопасности и надежности электрических систем становится особенно важным. От качества изоляции проводников и оборудования зависит не только эффективность их работы, но и безопасность людей и объектов, которые они обслуживают.
Измерительные приборы играют ключевую роль в различных отраслях, начиная от промышленности и строительства, заканчивая медициной и научными исследованиями. Правильная эксплуатация и уход за этими приборами являются залогом точных измерений и долговечности оборудования.
Осциллографы играют ключевую роль в современных лабораториях и на производственных предприятиях, являясь незаменимым инструментом для анализа и визуализации электрических сигналов. Независимо от того, являетесь ли вы инженером-электронщиком, студентом технического вуза или энтузиастом электроники, понимание принципов работы осциллографов, их видов и характеристик, а также правил эксплуатации и ухода за ними, имеет первостепенное значение.
Амперметр предназначен для измерения величины тока в электрических цепях, выраженной в амперах. В основе его работы лежит простой принцип: инструмент позволяет наглядно увидеть мощность тока, потребляемого устройствами, подключенными к сети. Обычно амперметр подключают в цепь с нагрузкой, поэтому ток, протекающий через него, идентичен току, проходящему через любой другой элемент цепи, будь то нагреватель, мотор или лампочка.
На этапах возведения, отделки и монтажа различных сооружений большую роль играют точность разметки и идеальное выравнивание. Достижение профессиональных стандартов качества возможно при использовании лазерного нивелира. Для выбора подходящей модели целесообразно ознакомиться с механизмом работы этих устройств.
Новинки
Недавно просмотренные