по РФ бесплатно
пн-пт 9:00-18:00
пн-пт 9:00-18:00
по РФ бесплатно
Ваш город
Нет
Да
КОНТАКТНАЯ ИНФОРМАЦИЯ
Телефоны:8 (800) 777-30-09 (по РФ бесплатно), 8 (495) 748-30-09, 748-30-60, 664-28-44.
Адрес:141006, Московская обл., г. Мытищи, Олимпийский пр-т, д. 29, стр. 2, офис 43/1.
УВАЖАЕМЫЕ КЛИЕНТЫ!
Цены на сайте могут отличаться, просьба уточнять конечную стоимость у наших менеджеров!
TMM-540



ТХ01-24.Н.ИР-RS

Цена:
8 852
Общая стоимость 0 руб.
В корзину
Купить в 1 клик
Нашли дешевле?
Снизим цену!
В избранное
Стоимость доставки от 800 ₽ (уточнять у менеджера)
Срок доставки: 2 - 10 дней при наличии товара на складе
Бесплатная доставка от 50000₽
Безналичный расчет для юридических лиц
Самовывоз со склада компании ЭТАЛОНПРИБОР
Более 350 брендов
Самые лучшие
цены
Техническая
документация
Быстрая доставка
по России
Сервисный
центр
  • Описание
  • Доставка и оплата
  • Гарантия и возврат
  • Отзывы
  • Сервис
Описание

Тахометр ТХ01-RS предназначен для измерения частоты вращения вала, линейной скорости перемещения конвейера, времени наработки агрегатов.

  • Измерение скорости вращения и времени наработки.
  • Масштаб отображения: об/с, об/мин, об/ч, пользовательские единицы.
  • 2 модификации по напряжению питания:
    • универсальный источник питания (~110 В, ~230 В и =24 В);
    • питание от бортовой сети или аккумулятора (=12 В и =24 В).
  • Подключение датчиков n-p-n-типа, герконов.
  • Интерфейс RS-485 (Modbus RTU/ASCII).
  • Выходные элементы: э/м реле, ток 4…20 мА, напряжение 0…10 В.
  • Защита настроек паролем.
  • Сохранение настроек и результатов при отключении питания.
  • Работа при низких температурах: -20…+70 °С.

Особенности тахометра ТХ01-RS

  • Госреестр средств измерений РФ, Белоруссии и Казахстана.
  • Свидетельство о типовом одобрении (Морской регистр).
  • Дискретный выход (Р) – устройство сравнения (компаратор): падение/повышение частоты, сигнализация достижения времени наработки и т.п.
  • Аналоговый выход (И, У) – 2 режима работы:
    • П-регулятор (управляющий сигнал выдается в зависимости от рассогласования).
    • Регистратор (сигнал изменяется в зависимости от частоты).
  • Каждая модификация имеет в базе:
    • интерфейс RS-485 с поддержкой Modbus RTU/ASCII.
    • питание от =24 В.
    • релейный выход (8 А, ~220 В).

Основные технические характеристики

Питание

Диапазон переменного напряжения ТХ01-Х.Х.ХР-RS

напряжение, В

частота, Гц

от 90 до 264 (номинальные значения 110, 220 или 240)

от 47 до 63 (номинальные значения 50 и 60 Гц)

Диапазон напряжения постоянного тока ТХ01-224.Х.ХР-RS, В

от 20 до 34 (номинальное значение 24)

Диапазон напряжения постоянного тока ТХ01-24.Х. ХР-RS, В

от 10,5 до 30 (номинальные значения 12 и 24)

Максимальная потребляемая мощность:

- ТХ01-24.Х. ХР-RS, Вт, не более

не более 8

- ТХ01-224.Х. ХР-RS, ВА, не болеене более 10

Характеристики входов

Параметр

Значение

Частота входного сигнала, Гц

от 0,2 до 2500

Диапазон измерения, об/мин

от 12 до 150 000

Подключаемые датчики

n-p-n–типа с открытым коллекторным выходом, «сухой контакт» (герконы)

Максимальный входной ток, мА

10

Входной ток при активном уровне сигнала, мА, не менее

4,5

Максимальное входное напряжение, В

30

Длительность импульса на счетном входе, мкс, не менее

10

Длительность сигнала на входе «Счет наработки», мс, не менее

300

Счетчик времени наработки

Диапазон измерения

от 1 с до 9999 суток 23 ч

Встроенный источник питания

Номинальное выходное постоянное напряжение

24 ± 3 В

Максимальный выходной ток

50 мА

Выходные элементы

Тип ВУ

Технические характеристики

Значение

Реле электромагнитное (Р)

Номинальный ток нагрузки, А

8

Номинальное напряжение нагрузки переменного тока с частотой 50 Гц и cos φ >0,4, В

220

Максимальное напряжение нагрузки постоянного тока, В

30

Электрическая прочность контактов, В, не менее

1000

ЦАП

«параметр-ток»

(И)

Выходной сигнал постоянного тока, мА

Сопротивление нагрузки, Ом

Номинальное сопротивление нагрузки

Напряжение питания ЦАП, В

Основная приведенная погрешность выходов ЦАП, %, не более

от 4 до 20

от 0 до 1300

700 Ом

от 10 до 36

0,5

ЦАП

«параметр-напряжение»

(У)

Выходной сигнал постоянного напряжения

Сопротивление нагрузки, не менее

Напряжение питания ЦАП

Основная приведенная погрешность выходов ЦАП, %, не более

от 0 до 10 В

5 кОм

от 15 до 36 В

0,5

Метрологические характеристики

Параметр

Значение

Предел допускаемой приведенной погрешности измерений, %, не более

±0,5

Интервал между поверками, лет

2

Средний срок службы, лет

12

Интерфейсы связи

Интерфейс

RS-485

Протоколы передачи данных

Modbus RTU/ASCII

Условия эксплуатации

Температура окружающего воздуха

-20...+70 °С

Атмосферное давление

84...106,7 кПа

Относительная влажность воздуха (при 35 °С)

не более 95 %

Функциональная схема

Функциональная схема прибора ОВЕН ТХ01

Элементы управления

Единичные светодиодные индикаторы:

«Элементы индикации ТХ01»светодиод засвечен, если прибор ведет измерение времени наработки.
«С»светодиод засвечен, если единицы измерения имп/с при выполнении функции тахометра, если диапазон измеренного времени наработки от 0 с до 99 ч 59 мин 59 с при выполнении функции счетчика наработки.
«М»светодиод засвечен, если единицы измерения имп/мин при выполнении функции тахометра, если диапазон измеренного времени наработки от 100 часов до 9999 ч 59 мин при выполнении функции счетчика наработки.
«Ч»если единицы измерения имп/ч при выполнении функции тахометра, светодиод засвечен, если диапазон измеренного времени наработки от 10000 ч до 9999 суток 23 ч при выполнении функции счетчика наработки.
«ВЫХ»светодиод засвечен, если дискретное ВУ включено согласно выбранному режиму работы ВУ, если на выходе ЦАП аналогового ВУ формируется сигнал, соответствующий установленному пользователем верхнему предельному значению ЦАП.

Примечание - В режиме USER светодиоды «С», «М», «Ч» погашены.

Схемы подключения

Схемы подключения ТХ01Подключение пассивных датчиков, имеющих на выходе транзистор n-p-n типа с открытым коллекторным входом:
а) при работе датчика от внешнего источника питания;
б) при работе датчика от питающего напряжения прибора

Схема подключения нагрузки к ВУ типа Р
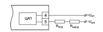
Схема соединения ЦАП с нагрузкой для ВУ типа И
Пример подключения ВУ типа У

Комплект поставки

  1. Прибор ТХ01-RS
  2. Комплект крепежных элементов
  3. Паспорт и руководство по эксплуатации
  4. Гарантийный талон
Развернуть полное описание
Доставка и оплата

ДОСТАВКА

Вы можете выбрать любой наиболее удобный способ из перечисленных ниже:

  • Самовывоз со склада компании ЭТАЛОНПРИБОР
  • Доставка через транспортную компанию "Деловые линии"
  • Доставка экспресс - почтой "ПОНИ-ЭКСПРЕСС" до двери
  • Доставка по Москве и области нашими экспедиторами и курьерами
  • Доставка через транспортную компанию "ПЭК"
  • Отправка посылкой с помощью Почты России
  • Доставка через транспортную компанию покупателя

Доставка до терминала ТК «Деловые линии» осуществляется нами бесплатно.

ОПЛАТА

Мы принимаем оплату:

  • по безналичному расчету
  • перечислением денежных средств на расчетный счет для юридических лиц
  • банковским переводом для физических.

Цены на поставляемые нами товар всегда ниже, чем у наших конкурентов.

Гарантия и возврат

Условия гарантийного обслуживания

  1. Гарантия действительна только при наличии гарантийного талона с указанием заводского номера изделия, гарантийного срока и печати поставщика.
  2. Гарантия предусматривает бесплатный ремонт изделия или замену запасных частей, комплектующих в течении гарантийного срока, указанного в гарантийном талоне.
  3. Заводской номер и наименование изделия должны соответствовать указанным в гарантийном талоне.
  4. Изделие снимается с гарантийного обслуживания в следующих случаях:
    1. Нарушения условий эксплуатации, изложенных в технической документации изделия, которые привели к выходу изделия из строя, включая неисправности, вызванные использованием нештатных аксессуаров;
    2. Нарушения гарантийных пломб, в случае наличия следов вскрытия или взлома корпуса изделия;
    3. Ремонта в неуполномоченном сервисном центре или самостоятельно (кроме элементов и источников питания, замена которых предусмотрена производителем);
    4. Использования изделия не по назначению;
    5. Нарушения правил хранения и транспортирования;
    6. Наличия внешних механических повреждений, включая повреждения разъёмов и контактов;
    7. Наличия внешних повреждений, вызванных стихией, пожаром, молнией, высоким напряжением;
    8. Попадания внутрь влаги, инородных предметов и т.п.
    9. Неправильном включении в сеть.
  5. Гарантия не распространяется на расходные материалы и прочие детали, имеющие ограниченный срок службы: элементы питания (в т.ч. аккумуляторы), имеющие ограниченную прочность.
  6. Недополученная в связи с появлением неисправности прибыль и другие косвенные расходы не подлежат возмещению.

Гарантия не распространяется на ущерб, причиненный другому оборудованию, работающему вместе с данным изделием.

Отзывы
Отзывы о товаре ТХ01-24.Н.ИР-RS
Сервис

Центр измерительной техники «Эталонприбор» располагает своим собственным ремонтным сервисом, где Вы можете получить услуги по: ремонту, наладке, калибровке, гарантийному и послегарантийному обслуживанию измерительного оборудования, как приобретенного у нас, так и у других поставщиков. Сервис работает на основе лицензии, выданной Ростехрегулированием РФ.

 
Подробнее
 
Сервисное обслуживание
Простой обмен и возврат
Поможем решить любую проблему с товаром
Собственный сервисный центр
Устраним любую неисправность по гарантии. Срок указан без учета логистики
Сервисы по всей России
Обращайтесь за обслуживанием в авторизованные сервисы производителя
Похожие товары
 
Полезные статьи
При выборе манометра необходимо учитывать ряд важных факторов, чтобы прибор подходил для конкретной системы.
Уровень влажности в помещении играет важную роль в формировании оптимальных условий для комфортного пребывания. Для определения этого параметра используются устройства, называемые гигрометрами. В этой статье мы расскажем, как выбрать подходящее оборудование такого типа для различных объектов.
Осциллограф — это прибор для наблюдения, измерения, записи и анализа амплитудных и временных характеристик электрического сигнала. Подаваемый на вход устройства, он отображается либо на экране, либо фиксируется на фотоленте для последующего изучения.
Если вы задумались о приобретении мультиметра, важно заранее ознакомиться с рядом полезных рекомендаций, которые помогут сделать правильный выбор. Мы подготовили небольшую статью, которая, надеемся, окажется полезной.
Цифровой тахометр — это прибор, предназначенный для измерения частоты вращения различных объектов, таких как валы, двигатели и роторы. В отличие от аналоговых моделей, цифровые тахометры обеспечивают высокую точность измерений и удобство использования благодаря современным технологиям и информативному дисплею. Они широко используются в самых разных отраслях: от автомобильного сервиса и промышленности до научных исследований и контроля вентиляционных систем.
Мегаомметр – это специализированный прибор, предназначенный для измерения сопротивления изоляции электрических цепей и оборудования. В условиях современного мира, где электричество играет ключевую роль во всех сферах жизни, обеспечение безопасности и надежности электрических систем становится особенно важным. От качества изоляции проводников и оборудования зависит не только эффективность их работы, но и безопасность людей и объектов, которые они обслуживают.
Измерительные приборы играют ключевую роль в различных отраслях, начиная от промышленности и строительства, заканчивая медициной и научными исследованиями. Правильная эксплуатация и уход за этими приборами являются залогом точных измерений и долговечности оборудования.
Осциллографы играют ключевую роль в современных лабораториях и на производственных предприятиях, являясь незаменимым инструментом для анализа и визуализации электрических сигналов. Независимо от того, являетесь ли вы инженером-электронщиком, студентом технического вуза или энтузиастом электроники, понимание принципов работы осциллографов, их видов и характеристик, а также правил эксплуатации и ухода за ними, имеет первостепенное значение.
Амперметр предназначен для измерения величины тока в электрических цепях, выраженной в амперах. В основе его работы лежит простой принцип: инструмент позволяет наглядно увидеть мощность тока, потребляемого устройствами, подключенными к сети. Обычно амперметр подключают в цепь с нагрузкой, поэтому ток, протекающий через него, идентичен току, проходящему через любой другой элемент цепи, будь то нагреватель, мотор или лампочка.
На этапах возведения, отделки и монтажа различных сооружений большую роль играют точность разметки и идеальное выравнивание. Достижение профессиональных стандартов качества возможно при использовании лазерного нивелира. Для выбора подходящей модели целесообразно ознакомиться с механизмом работы этих устройств.
Новинки
Недавно просмотренные