Капсюль вызывной ТВК-04 предназначен для применения в качестве источников акустического сигнала вызова для замены штатных капсюлей (ВП-1 600 Ом, ВП-1 3000 Ом и др.) в телефонных аппаратах ТАШ1319, ТАШ2305, ТА68 и др.
Звуковой сигнал | состоит из перемежающихся частот («трель») 2,5 и 2,9 кГц и имеет уровень не хуже 95 дБ на расстоянии 1 м от лицевой поверхности |
Питание | от переменного или постоянного напряжения 12-130 В |
Частоты и рисунок звучания | не зависит от величины питающего напряжения |
Ток потребления и громкость | зависят от вызывного напряжения |
Ток потребления при вызывном напряжении (110 В 20 Гц) | 10 мА |
Капсюль ТВК-04 имеет стандартный типоразмер и может быть установлен в телефонные аппараты перечисленных моделей.
Капсюль представляет собой пьезоэлектрический прибор со встроенным генератором на микроконтроллере.
Подключать капсюль рекомендуется не к штатному выходу генератора вызывного сигнала, а непосредственно к разделительному конденсатору, выделяющему звонковое напряжение. Для ограничения тока потребления и громкости последовательно с капсюлем можно включить резистор от 500 до 3000 Ом. Полярность подключения не важна.

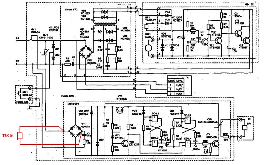
Схема 1 - включение ТВК-04 в цепь телефонного аппарата ТАШ1319

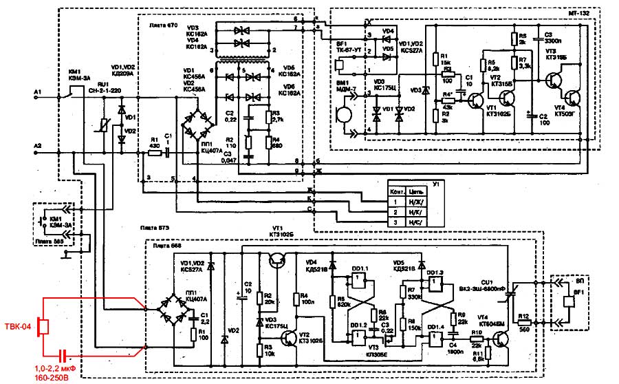
Схема 2 - включение ТВК-04 в цепь телефонного аппарата ТАШ1319
ДОСТАВКА
Вы можете выбрать любой наиболее удобный способ из перечисленных ниже:
Доставка до терминала ТК «Деловые линии» осуществляется нами бесплатно.
ОПЛАТА
Мы принимаем оплату:
Цены на поставляемые нами товар всегда ниже, чем у наших конкурентов.
Условия гарантийного обслуживания
Гарантия не распространяется на ущерб, причиненный другому оборудованию, работающему вместе с данным изделием.
Центр измерительной техники «Эталонприбор» располагает своим собственным ремонтным сервисом, где Вы можете получить услуги по: ремонту, наладке, калибровке, гарантийному и послегарантийному обслуживанию измерительного оборудования, как приобретенного у нас, так и у других поставщиков. Сервис работает на основе лицензии, выданной Ростехрегулированием РФ.
